lemon-mirror:
Home >> Audi >> 1987 >> 5000 CS, Automatic >> Repair and Diagnosis >> Engine Performance >> System >> BOSCH Cis-E III System >> Wiring Diagrams

Wiring Diagrams

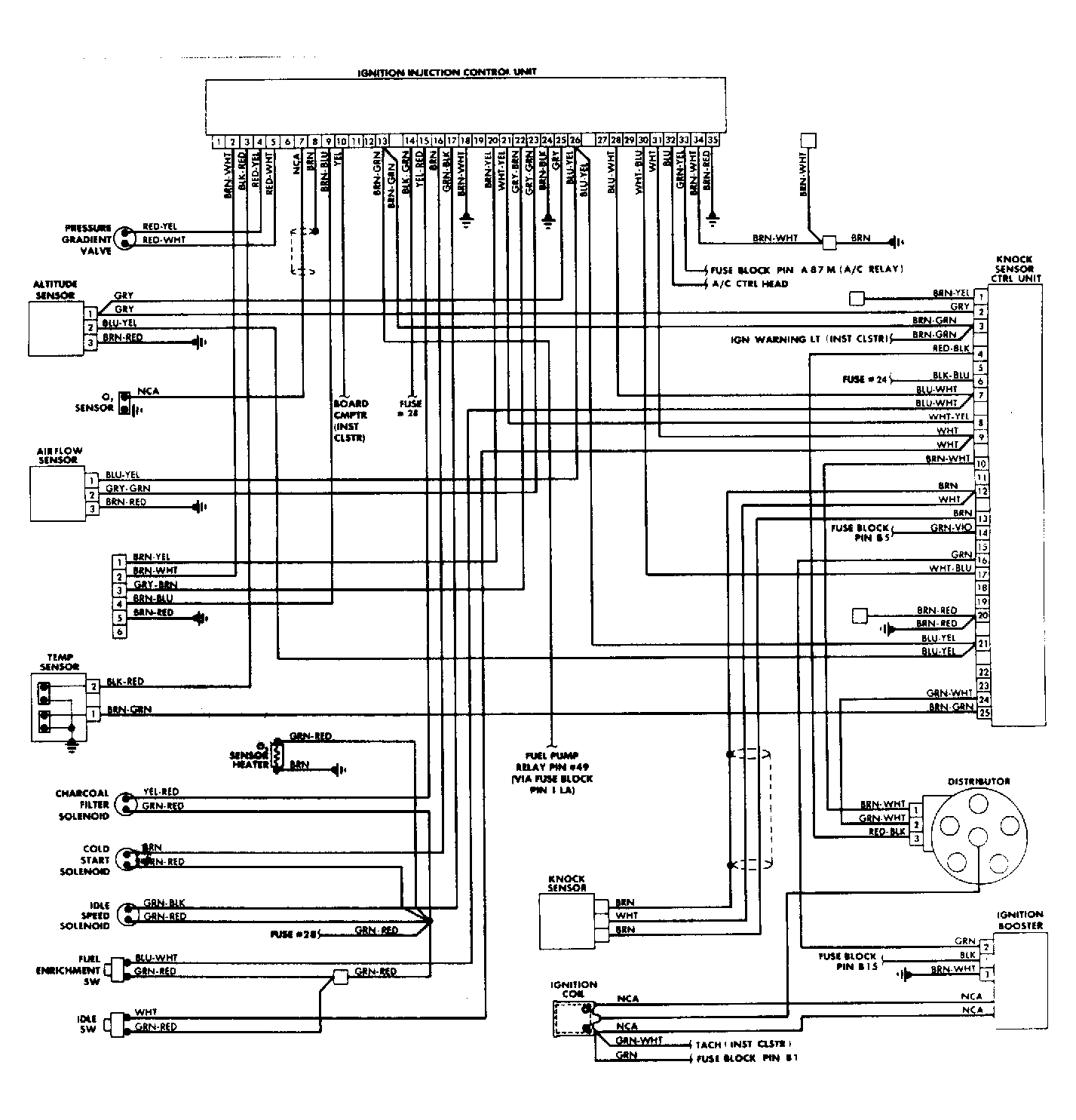
Fig 1: Audi 5000 2.3L CIS-E III Wiring Diagram
G61300