lemon-mirror:
Home >> Audi >> 1988 >> 80 Base, Automatic >> Repair and Diagnosis >> Engine Performance >> System >> BOSCH Cis MOTRONIC System >> Wiring Diagrams

Wiring Diagrams

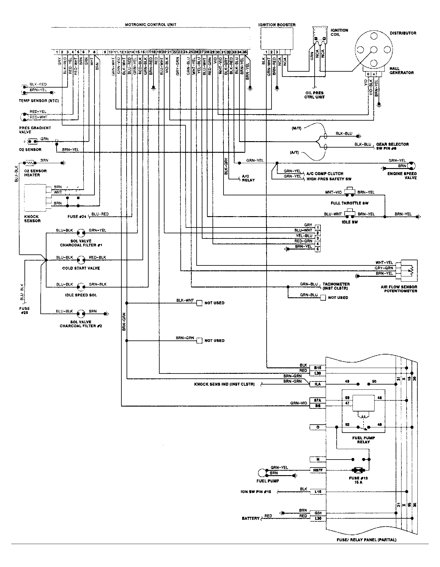
Fig 1: Audi 80 2.0L Wiring Diagram
G94378