lemon-mirror:
Home >> Audi >> 2003 >> S8 >> Repair and Diagnosis >> Engine Performance >> Vacuum Diagrams >> Introduction

Vacuum Diagrams: Introduction

This article contains underhood views or schematics of vacuum hose routing. Use these vacuum diagrams during visual inspection in BASIC DIAGNOSTIC PROCEDURES article. This will assist in identifying improperly routed vacuum hoses which cause driveability and/or computer indicated malfunctions.

NOTE: Vacuum diagram information for A8, RS6 and S8 equipped with 4.2L engine is not available.
Fig 1: Vacuum Diagram (A4 - 1.8L Turbo)
G00077183Courtesy of AUDI OF AMERICA, INC.
Fig 2: Evaporative Emissions System Vacuum Diagram (A4 - 1.8L Turbo)
G00077192Courtesy of AUDI OF AMERICA, INC.
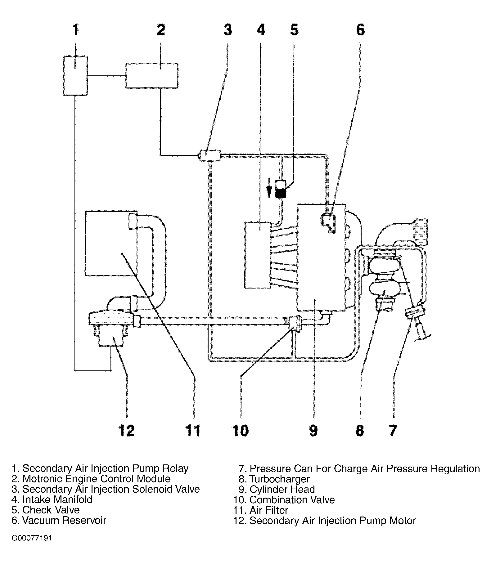
Fig 3: Secondary Air Injection System Vacuum Diagram (A4 - 1.8L Turbo)
G00077191Courtesy of AUDI OF AMERICA, INC.
Fig 4: Vacuum Diagram (A4 & A6 - 3.0L)
G00222214Courtesy of AUDI OF AMERICA, INC.
Fig 5: Boost Pressure Control Vacuum Diagram (A6, Allroad & S4 - 2.7L Turbo)
G00077186Courtesy of AUDI OF AMERICA, INC.
Fig 6: Recirculating Air Control Vacuum Diagram (A6, Allroad & S4 - 2.7L Turbo)
G00077188Courtesy of AUDI OF AMERICA, INC.
Fig 7: Crankcase Ventilation Vacuum Diagram (A6, Allroad & S4 - 2.7L Turbo)
G00077189Courtesy of AUDI OF AMERICA, INC.
Fig 8: Evaporative Emissions System Vacuum Diagram (A6, Allroad& S4 - 2.7L Turbo - 1 Of 2)
G00077187Courtesy of AUDI OF AMERICA, INC.
Fig 9: Evaporative Emissions System Vacuum Diagram (A6, Allroad & S4 - 2.7L Turbo - 2 Of 2)
G00077194Courtesy of AUDI OF AMERICA, INC.
Fig 10: Suction Jet Pump Vacuum Diagram (A6, Allroad & S4 - 2.7L Turbo - A/T)
G00077190Courtesy of AUDI OF AMERICA, INC.
Fig 11: Evaporative Emissions System Vacuum Diagram (A6 - 4.2L)
G00077200Courtesy of AUDI OF AMERICA, INC.
Fig 12: Vacuum Diagram (TT - Engine Code AMU)
G00077195Courtesy of AUDI OF AMERICA, INC.
Fig 13: Vacuum Diagram (TT - Engine Code ATC)
G00077196Courtesy of AUDI OF AMERICA, INC.
Fig 14: Vacuum Diagram (TT - Engine Code AWP)
G00077197Courtesy of AUDI OF AMERICA, INC.
Fig 15: Evaporative Emissions System Vacuum Diagram (TT)
G00077198Courtesy of AUDI OF AMERICA, INC.