Overview - Sound System
The following systems are offered:
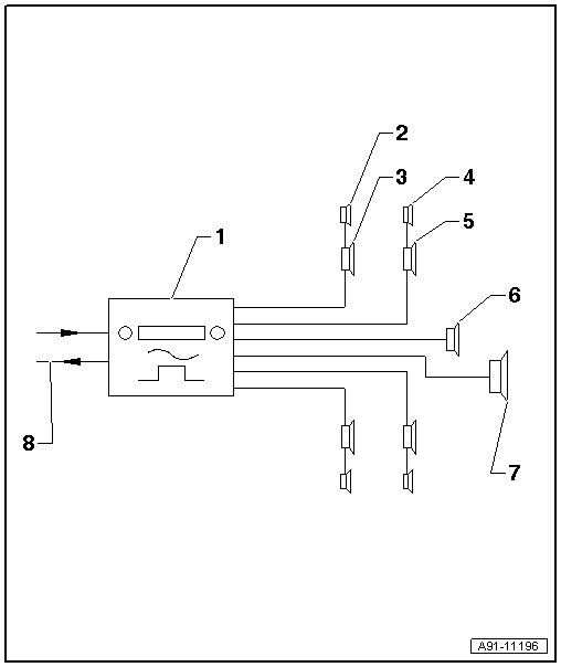
Standard Sound System 9VD
- One speaker in the left and right front doors
- One loud speaker on the left side, center and right side of the instrument panel
- One loud speaker in the left and right rear doors
- One speaker in the left and right B-pillars
- Subwoofer -R211- in the center of the rear shelf
- Radio -R- inside the luggage compartment on the rear panel on the right side/in the left luggage compartment recess.
- Left Front Treble Speaker -R20- /Right Front Treble Speaker -R22- in the instrument panel
- Left Front Bass Speaker -R21- /Right Front Bass Speaker -R23- at bottom in front doors
- Left Rear Treble Speaker -R14- /Right Rear Treble Speaker -R16- inside the B-pillars
- Left Rear Mid/Low Range Speaker -R159- /Right Rear Mid-Bass Speaker -R160- at bottom in rear doors
- Center Speaker -R208- in center of instrument panel
- Subwoofer -R211- in the rear shelf
- MOST bus
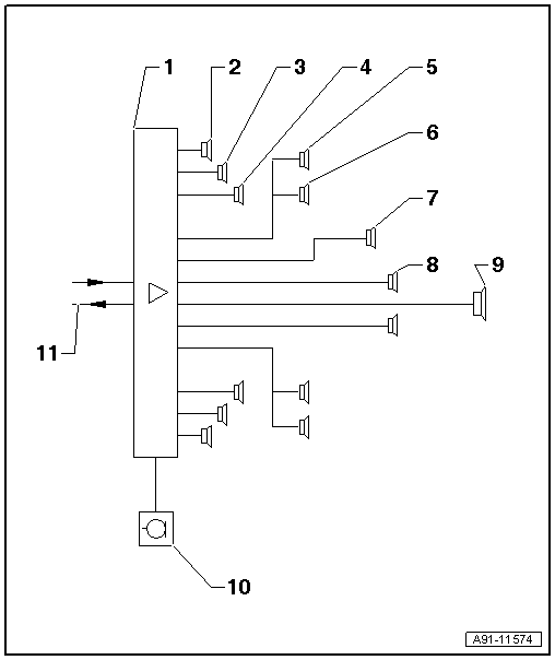
Premium BOSE® Sound System 8RY
- Two speakers in the left and right front doors
- One loud speaker on the left side, center and right side of the instrument panel
- One loud speaker in the left and right rear doors
- One speaker in the left and right B-pillars
- Two loud speakers on the left and right side of the rear shelf
- Subwoofer -R211- in the center of the rear shelf
- Digital Sound System Control Module -J525- inside the luggage compartment on the rear panel on the left side
- Digital Sound System Control Module -J525- inside the luggage compartment on the rear panel on the left side
- Left Front Treble Speaker -R20- /Right Front Treble Speaker -R22- in the instrument panel
- Left Front Midrange Speaker -R103- /Right Front Midrange Speaker -R104- in front doors, center
- Left Front Bass Speaker -R21- /Right Front Bass Speaker -R23- at bottom in front doors
- Left Rear Treble Speaker -R14- /Right Rear Treble Speaker -R16- inside the B-pillars
- Left Rear Mid/Low Range Speaker -R159- /Right Rear Mid-Bass Speaker -R160- at bottom in rear doors
- Center Speaker -R208- in center of instrument panel
- Left Effects Speaker -R209- /Right Effects Speaker -R210- in the rear shelf on the left and right sides
- Subwoofer -R211- in the rear shelf
- Microphone Unit In Front Roof Module -R164- (Interior Microphone -R74-) in the Front Interior Lamp -W1-
- ANC microphones inside the headliner
- MOST Bus
Advanced Sound System, Bang & Olufsen®, 8RF
- Two speakers in the left and right front doors
- One loud speaker on the left and right side of the instrument panel
- Two speakers in the center of the instrument panel
- One speaker in the left and right B-pillars
- Two speakers in the left and right rear doors
- Two loud speakers on the left and right side of the rear shelf
- Subwoofer -R211- in the center of the rear shelf
- Digital Sound System Control Module -J525- inside the luggage compartment on the rear panel on the left side
- Digital Sound System Control Module 2 -J787- inside the luggage compartment on the rear panel on the left side/in the left luggage compartment recess
- Left Front Midrange Speaker -R103- in Center of Left Front Door
- Right Front Midrange Speaker -R104- in Center of Right Front Door
- Left Rear Treble Speaker -R14- in Left B-Pillar
- Left Rear Midrange Speaker -R105- in Center of Left Rear Door
- Right Rear Treble Speaker -R16- Inside Right B-Pillar
- Right Rear Midrange Speaker -R106- in Center of Right Rear Door
- Left Effects Speaker -R209- inside Rear Shelf on Left Side
- Left Rear Treble Speaker 2 -R217- inside the rear shelf on the left side
- Right Effects Speaker -R210- inside the rear shelf on the right side
- Right Rear Treble Speaker 2 -R218- inside the rear shelf on the right side
- Left Front Treble Speaker -R20- inside the instrument panel on the left side
- Left Front Treble Speaker Motor -V344-
- Center Speaker -R208- in center of instrument panel
- Center Speaker 2 -R219- in the center of the instrument panel
- Right Front Treble Speaker -R22- in right instrument panel
- Right Front Treble Speaker Motor -V345-
- Left Front Bass Speaker -R21- in the bottom of the left front door
- Right Front Bass Speaker -R23- in the bottom of the right front door
- Left Rear Bass Speaker -R15- in the bottom of the left rear door
- Right Rear Bass Speaker -R17- in the bottom of the right rear door
- Subwoofer -R211- in the rear shelf
- Digital Sound System Control Module 2 -J787- inside the luggage compartment on the rear panel on the left side/in the left luggage compartment recess
- Microphone Unit In Front Roof Module -R164- (Interior Microphone -R74-) in the Front Interior Lamp -W1-
- ANC microphones inside the headliner
- MOST Bus
- Digital Sound System Control Module -J525- inside the luggage compartment on the rear panel on the left side
Notes on MOST Bus
The optical Data bus "MOST bus" is used in addition to the CAN bus.
A fiber-optic cable is used as a "connecting cable". Fiber optic cables are routed inside corrugated tubes for protection.
Replace complete fiber optic cable if possible.
The front surface of the connectors must not be dirty.
If disconnecting the connectors: Attach Fiber-Optic Repair Set - Connector Protective CapsVAS6223/9.
When installing fiber optic cables, make sure not to go below the minimum bending radius of 25 mm. Do not crush or kink fiber optic cables.
Repairing fiber optic cables, refer to Fiber-Optic Cables, Repairing .