lemon-mirror:
Home >> Audi >> 2012 >> TT RS >> Repair and Diagnosis >> Electrical >> Component Locations >> Electrical Component Locator >> Component Location Graphics

Component Location Graphics

NOTE: Figures may show multiple component locations. Refer to appropriate table for proper figure references.
Fig 1: Vehicle Overview
G00463391Courtesy of AUDI OF AMERICA, INC.
Fig 2: Main Fuse Box
G00463392Courtesy of AUDI OF AMERICA, INC.
Fig 3: Fuse Holder (Below Instrument Panel)
G00463393Courtesy of AUDI OF AMERICA, INC.
Fig 4: Vehicle Overview
G00463394Courtesy of AUDI OF AMERICA, INC.
Fig 5: Vehicle Overview
G00463411Courtesy of AUDI OF AMERICA, INC.
Fig 6: Vehicle Overview
G00463412Courtesy of AUDI OF AMERICA, INC.
Fig 7: Vehicle Overview
G00463413Courtesy of AUDI OF AMERICA, INC.
Fig 8: Dash
G00463414Courtesy of AUDI OF AMERICA, INC.
Fig 9: Vehicle Overview (SRS System)
G00463415Courtesy of AUDI OF AMERICA, INC.
Fig 10: Passenger's Seat
G00463416Courtesy of AUDI OF AMERICA, INC.
Fig 11: Vehicle Overview
G00463418Courtesy of AUDI OF AMERICA, INC.
Fig 12: Air Intake
G00463419Courtesy of AUDI OF AMERICA, INC.
Fig 13: Fuel Tank Assembly
G00463420Courtesy of AUDI OF AMERICA, INC.
Fig 14: Brake Master Cylinder
G00463421Courtesy of AUDI OF AMERICA, INC.
Fig 15: Accelerator Pedal Assembly
G00463422Courtesy of AUDI OF AMERICA, INC.
Fig 16: Clutch Master Cylinder
G00463423Courtesy of AUDI OF AMERICA, INC.
Fig 17: Radiator Assembly
G00463424Courtesy of AUDI OF AMERICA, INC.
Fig 18: Engine Assembly
G00463425Courtesy of AUDI OF AMERICA, INC.
Fig 19: Engine Compartment
G00463426Courtesy of AUDI OF AMERICA, INC.
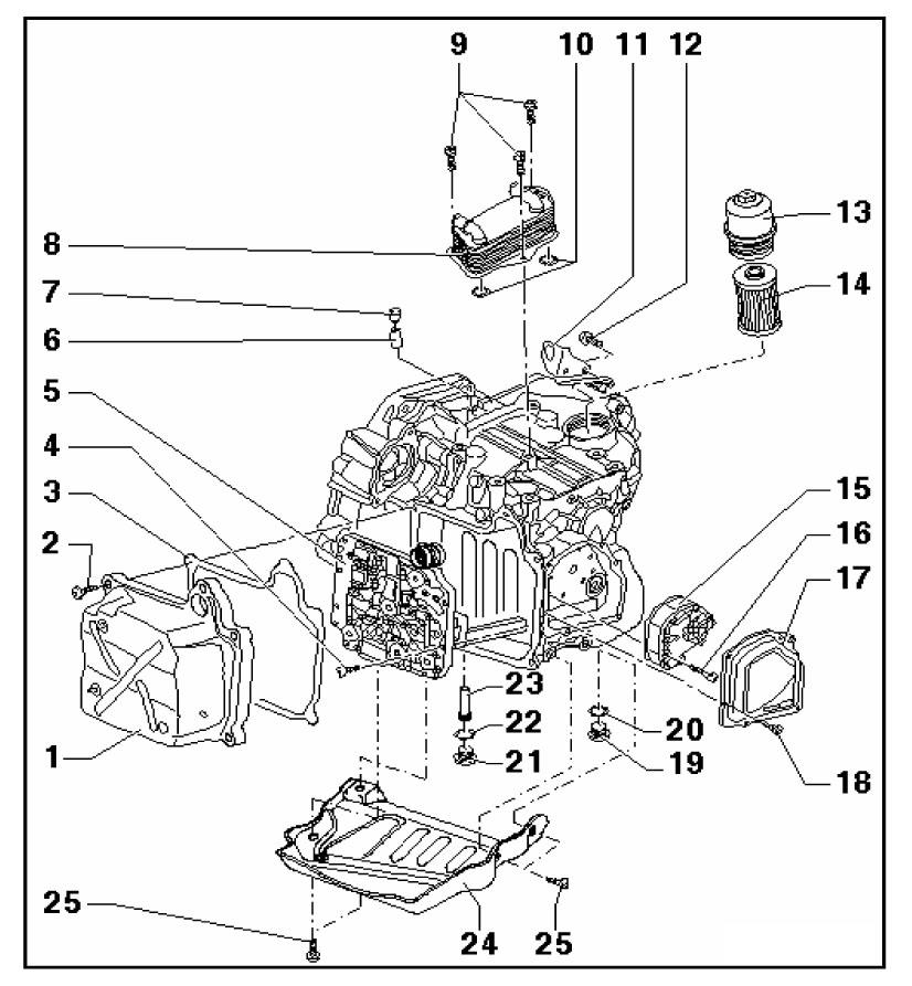
Fig 20: Transmission Assembly
G00463428Courtesy of AUDI OF AMERICA, INC.
Fig 21: Engine Block Assembly
G00463429Courtesy of AUDI OF AMERICA, INC.
Fig 22: Steering Column Controls
G00463430Courtesy of AUDI OF AMERICA, INC.
Fig 23: Gear Selector
G00463432Courtesy of AUDI OF AMERICA, INC.
Fig 24: Seat Assembly
G00463433Courtesy of AUDI OF AMERICA, INC.
Fig 25: Transmission Assembly
G00463431Courtesy of AUDI OF AMERICA, INC.
Fig 26: Vehicle Overview
G00463434Courtesy of AUDI OF AMERICA, INC.
Fig 27: Relay Panel (Below Left Side Of Instrument Panel)
G00463435Courtesy of AUDI OF AMERICA, INC.
Fig 28: E-Box (Engine Compartment)
G00463436Courtesy of AUDI OF AMERICA, INC.
Fig 29: Vehicle Electrical System Control Module Relay Panel
G00463437Courtesy of AUDI OF AMERICA, INC.
Fig 30: Connector Station (Driver's Seat)
G00463439Courtesy of AUDI OF AMERICA, INC.
Fig 31: Connector Station (Front Passenger's Seat)
G00463440Courtesy of AUDI OF AMERICA, INC.
Fig 32: Connector Station (Rear Lid)
G00463441Courtesy of AUDI OF AMERICA, INC.
Fig 33: HVAC Assembly
G00473419Courtesy of AUDI OF AMERICA, INC.
Fig 34: Vehicle Overview (Central Locking System)
G00473420Courtesy of AUDI OF AMERICA, INC.
Fig 35: Left Side Of Roadster Rear Lid
G00473421Courtesy of AUDI OF AMERICA, INC.
Fig 36: Right Side Of Luggage Compartment
G00473422Courtesy of AUDI OF AMERICA, INC.
Fig 37: Vehicle Overview (Level Control System)
G00473423Courtesy of AUDI OF AMERICA, INC.
Fig 38: Top Of Windshield
G00478861Courtesy of AUDI OF AMERICA, INC.