lemon-mirror:
Home >> BMW >> 1976 >> 2002 Automatic Trans >> Repair and Diagnosis >> Electrical >> Charging Systems >> Alternator Regulators - BOSCH >> Description

Alternator Regulators - BOSCH: Description

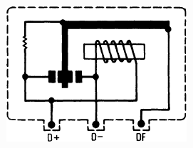
NOTE: For models using integral alternator regulators, see Figure in this section.

Bosch alternator regulators are two contact, single field units. The field coil of the alternator is grounded and voltage contacts of the regulator are in series with the field.