lemon-mirror:
Home >> BMW >> 1981 >> 633CSi Automatic Trans >> Repair and Diagnosis >> Electrical >> Charging Systems >> Alternator Regulators - BOSCH >> Adjustment

Alternator Regulators - BOSCH: Adjustment

NOTE: If regulator fails to keep voltage within specified limits, it must be replaced. No adjusting procedures are recommended.
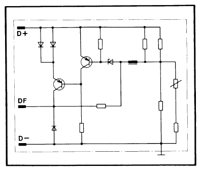
Fig 1: Typical Bosch Transistorized Voltage Regulator Wiring Diagram
G09322918Courtesy of NOT AVAILABLE