lemon-mirror:
Home >> BMW >> 1983 >> 320i Automatic >> Repair and Diagnosis >> Engine Performance >> System >> Fuel Injection System - BOSCH Cis >> Lambda Control System Checks >> Operation Check

Operation Check

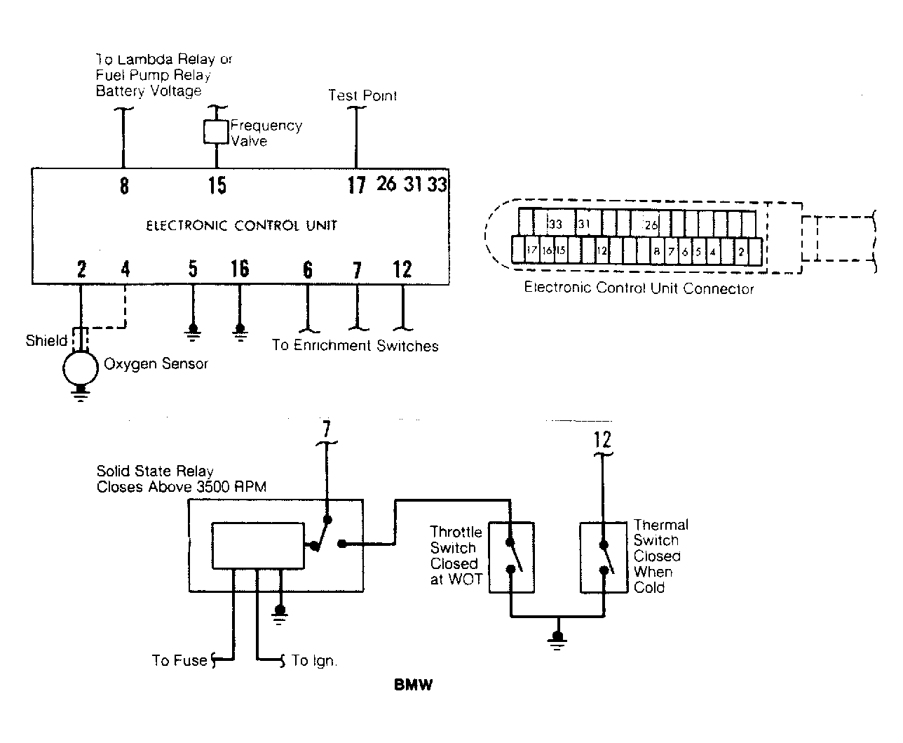
  1. Remove fuel pump relay and connect jumper wire across sockets corresponding to terminals 30 and 87. If equipped, remove plug at air flow sensor. Turn ignition "ON".
  2. Frequency valve should operate, making a buzzing noise. Dwell meter should indicate 45-65°. Disconnect wire from oxygen sensor and touch wire end to ground. Readings on dwell meter should rise. Ground one end of a 1.5 volt flashlight battery, and touch positive end to sensor wire. Readings should drop to less than 15°.
  3. On models with throttle enrichment switch, operate throttle. Readings should be higher at idle or wide open throttle. See Fig 1 .
  4. If engine is cold, enrichment switches will be closed. Disconnect lead at temperature sender. Readings should drop slightly. If engine is hot, connect temperature sender lead to ground. Reading should rise.
  5. If starter enrichment relay is used, disconnect high tension lead at coil and crank engine. Readings should rise above normal level. If vacuum switches are used, apply vacuum to switch and note readings. Level should be higher with switch closed, and lower with switch open.
  6. Connect oxygen sensor and start engine. With cold engine, dwell reading should be stable. When engine warms up, meter needle should fluctuate 10-20°. It may be necessary to run engine faster than idle to heat oxygen sensor and cause needle fluctuation.
    Fig 1: Bosch CIS Lambda Electronic Control Unit Wiring Diagram
    G74091
  7. Connect a CO meter to exhaust test point. With oxygen sensor disconnected, reading should be stable on dwell meter. Note CO% reading. With sensor lead grounded, reading should rise and CO% increase. With lead connected to flashlight battery, reading and CO% should decrease.
  8. If dwell reading does not rise with sensor grounded, check sensor wiring (see "Electrical Testing"). If wiring is good, replace control unit. If dwell rises, but CO% does not, check frequency valve and wiring see Electrical Testing. Replace if necessary.
  9. If dwell does not decrease with battery connected to sensor lead, check sensor wiring and replace control unit if wires are good. If dwell decreases but CO% does not, check frequency valve wiring and replace valve if wiring is good.
  10. Adjust CO% to rich level (3%) with oxygen sensor still disconnected. Reconnect sensor. Reading should drop at least 1%. If not, replace oxygen sensor.