lemon-mirror:
Home >> BMW >> 1984 >> 325e Automatic >> Repair and Diagnosis >> Engine Performance >> System >> MOTRONIC CEC System >> Wiring Diagrams

Wiring Diagrams

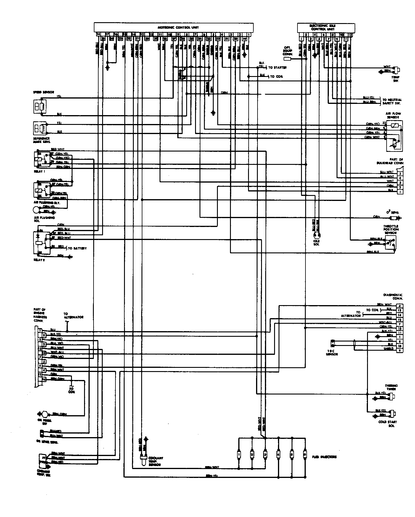
Fig 1: BMW Motronic Emission Control System Wiring Diagram
G70621