lemon-mirror:
Home >> BMW >> 2000 >> X5 >> Repair and Diagnosis >> Body & Frame >> Windows >> Power Windows >> Wiring Diagrams

Wiring Diagrams

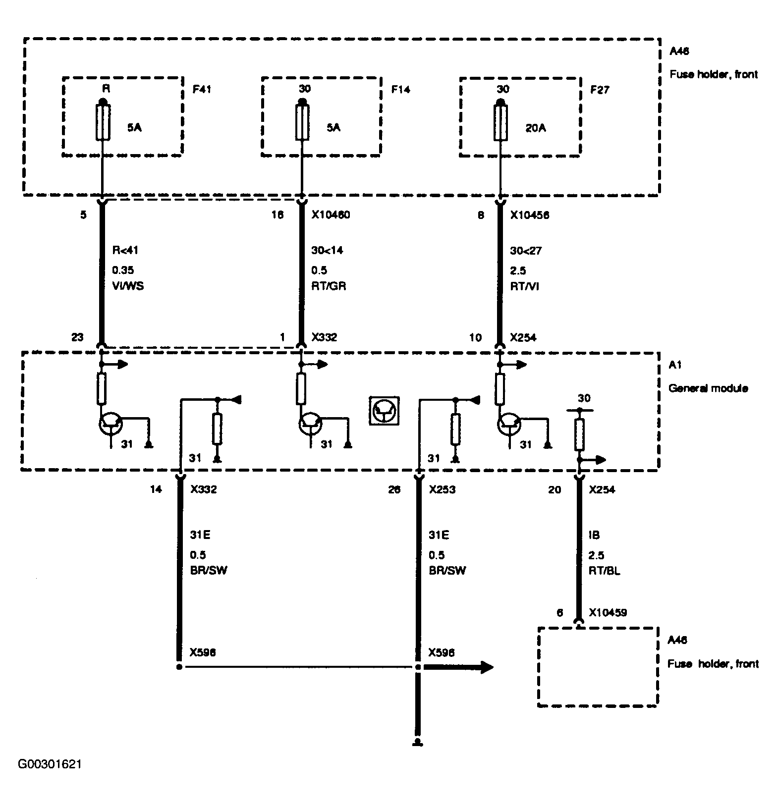
Fig 1: Power Window Power Circuit
G00301621Courtesy of BMW OF NORTH AMERICA, INC.
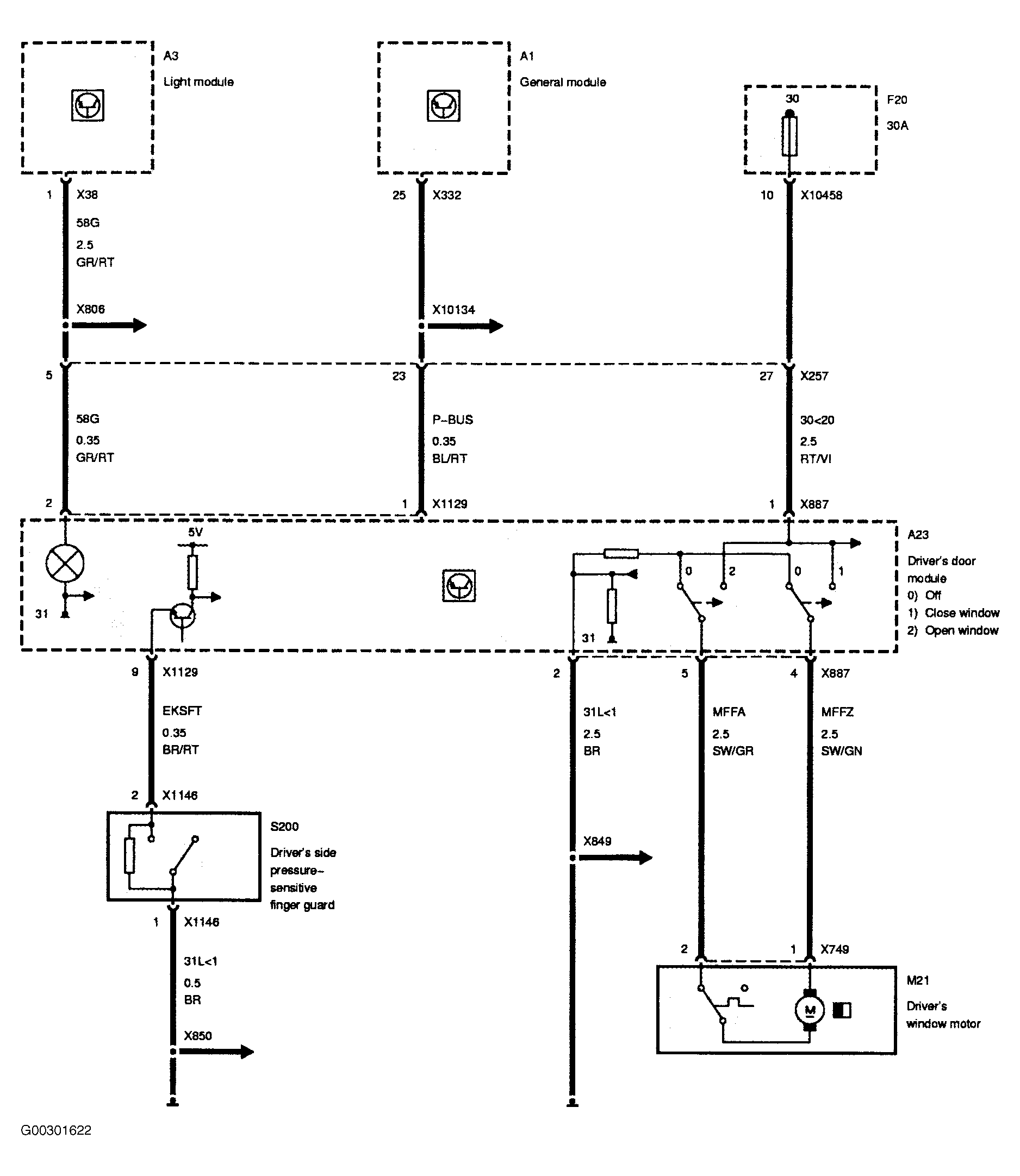
Fig 2: Power Window Front Driver-Side Circuit
G00301622Courtesy of BMW OF NORTH AMERICA, INC.
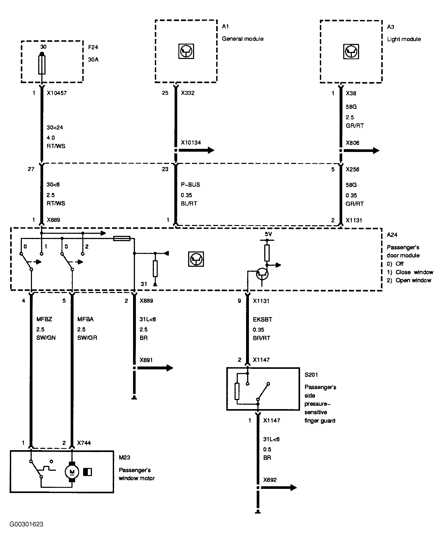
Fig 3: Power Window Front Passenger-Side Circuit
G00301623Courtesy of BMW OF NORTH AMERICA, INC.
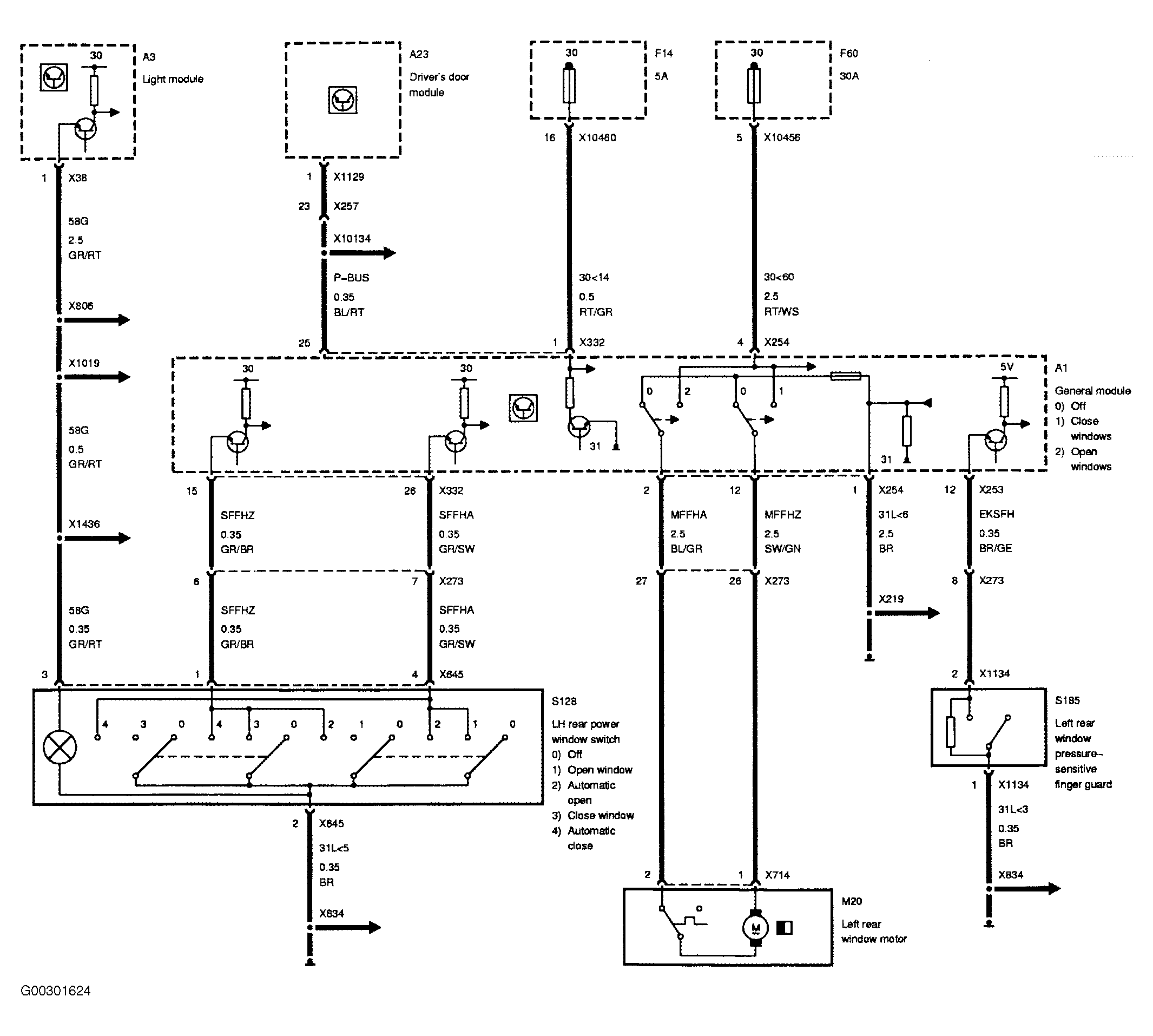
Fig 4: Power Window Left Rear Circuit
G00301624Courtesy of BMW OF NORTH AMERICA, INC.
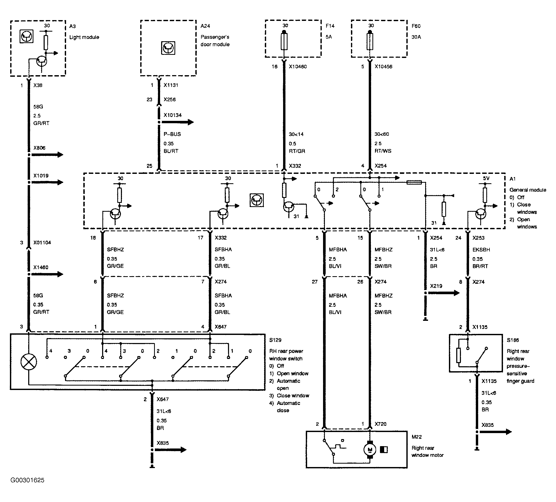
Fig 5: Power Window Right Rear Circuit
G00301625Courtesy of BMW OF NORTH AMERICA, INC.
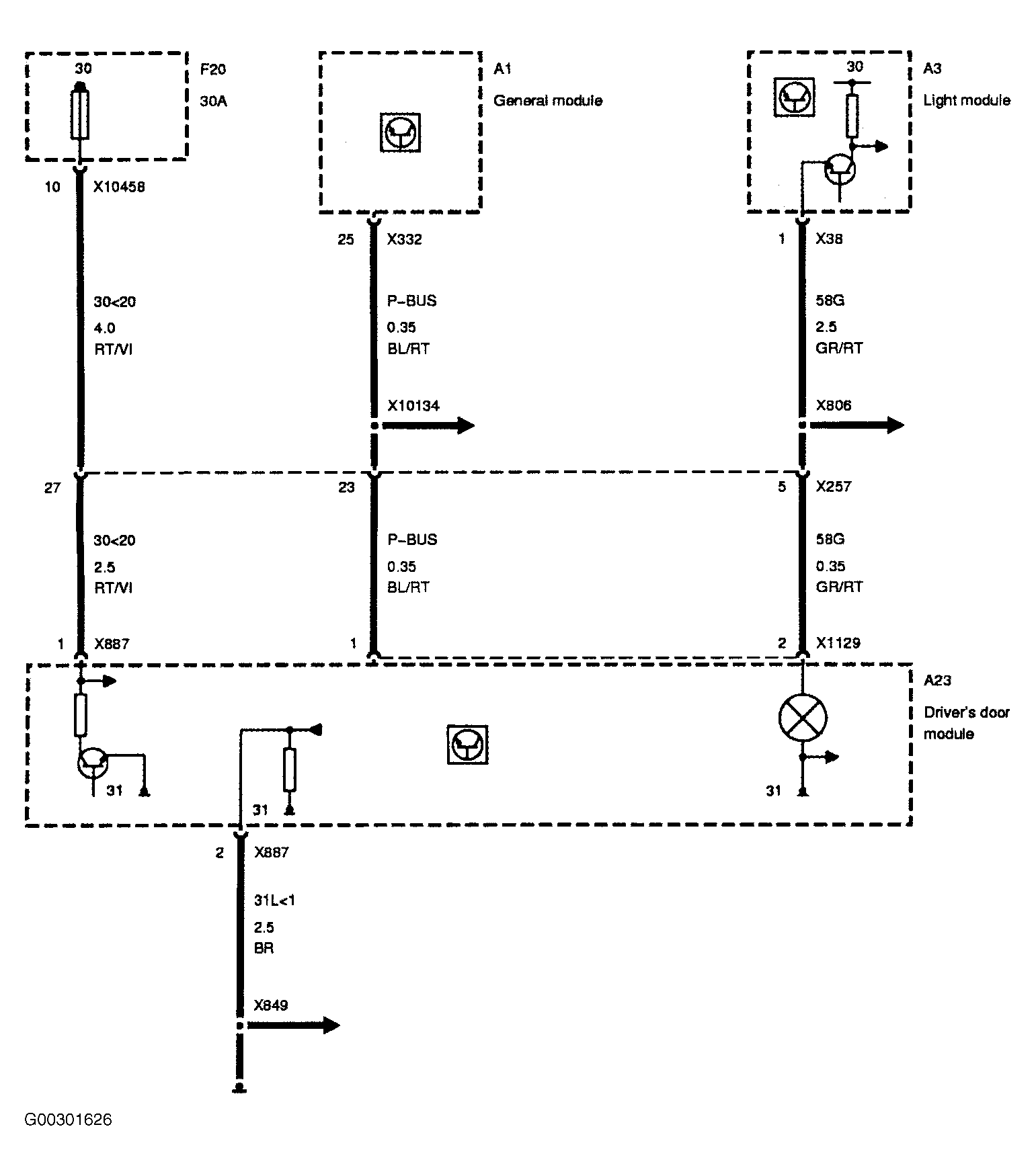
Fig 6: Power Window Driver-Side Switch Block Lighting Circuit
G00301626Courtesy of BMW OF NORTH AMERICA, INC.