lemon-mirror:
Home >> BMW >> 2002 >> 745i >> Repair and Diagnosis >> Electrical >> Body Electrical >> Power Module - Overview - E65 >> Power Module >> Detailed view of Power Module

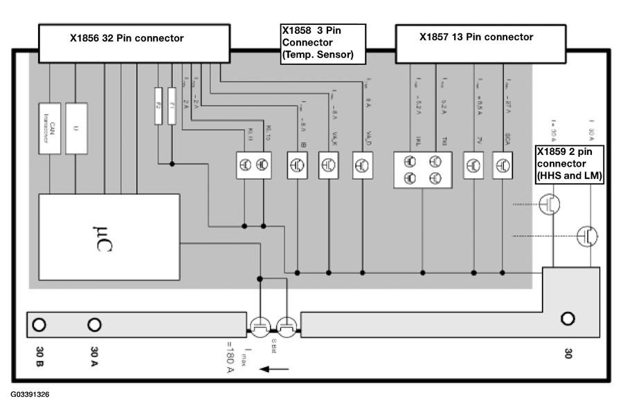
Detailed view of Power Module

Fig 1: Detailed View Of Power Module
G03391326Courtesy of BMW OF NORTH AMERICA, INC.