lemon-mirror:
Home >> BMW >> 2011 >> 335d >> Repair and Diagnosis >> Electrical >> Gauges >> Car Information Computer -- Overview >> System Overview

System Overview

Fig 1: CIC System Block Diagram
G06895863Courtesy of BMW OF NORTH AMERICA, INC.
CIC SYSTEM EXPLANATION CHART

Index Explanation
1 Central information display (CID)
2 Car Information Computer (CIC)
3 User interface (BO)
4 Application software
5 Hardware
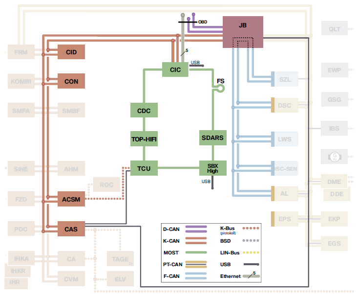
Fig 2: Bus Overview E9x And E8x (Not Including E83, E85, E86) Model Series, CIC
G06895864Courtesy of BMW OF NORTH AMERICA, INC.
BUS EXPLANATION CHART

Index Explanation
ACSM Advanced crash and safety management
CAS Car access system
CDC CD changer
CID Central information display
CIC Car Information Computer
CON Controller
FS MOST direct access
JB Junction box
SDARS Satellite radio tuner
TCU Telematics Control Unit
TOP-HiFI Top-HiFi amplifier
SBX-High USB interface box High
Fig 3: CIC System Circuit Diagram, In E9x And E8x Model Series (Not Including E83, E85, E86)
G06895865Courtesy of BMW OF NORTH AMERICA, INC.
CIC SYSTEM EXPLANATION CHART

Index Explanation
1 Instrument cluster
2 Dynamic stability control
3 Junction box
4 Central information display
5 Car Information Computer
6 USB Import/Export jack, glove compartment
7 Future antenna expansion
8 Microphone for hands-free facility
9 Controller
10 AF output for audio jack (standard equipment) if no USB Audio interface is installed
11 Antenna diversity module with antenna amplifier
12 MOST distributor in rear area
13 OBD interface (including Ethernet connection to CIC)
14 AF signals to speakers
15 MOST direct access
16 Footwell module
17 Steering column switch cluster