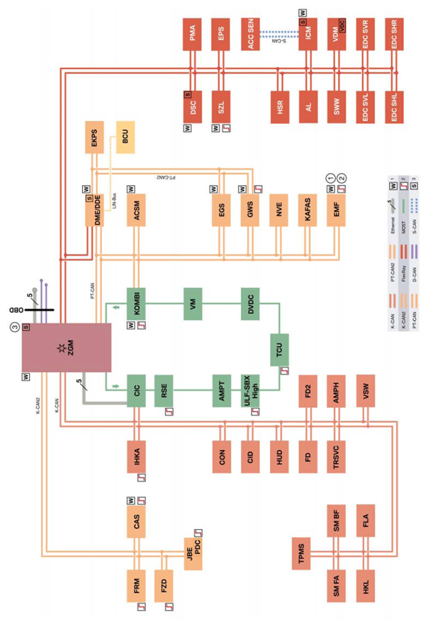
1.1. Bus System Diagram
INDEX EXPLANATION CHART
| Index | Explanation |
|---|---|
| 1 | Wakeable control units |
| 2 | Control units authorized to wake up the vehicle |
| 3 | Start-up node control units, for starting up and synchronizing the FlexRay bus system |
| ACC-SEN | Active Cruise Control- Sensor |
| ACSM | Advanced Crash Safety Module |
| AHM | Trailer module |
| AL | Active steering |
| AMPH | Amplifier High (high fidelity amplifier) |
| AMPT | Amplifier Top (top high fidelity amplifier) |
| BSD | Bit-serial data interface |
| BCU | Battery Charge Unit (charging unit for auxiliary battery) |
| CAS | Car Access System |
| CIC | Car Information Computer |
| CIC | Basic Car Information Computer Basic |
| CID | Central Information Display |
| CON | Controller |
| D-CAN | Diagnosis on Controller Area Network |
| DDE | Digital Diesel Electronics |
| DME | Digital Motor Electronics |
| DSC | Dynamic Stability Control |
| DVD | DVD changer |
| EDC | SHL Electronic Damper Control, rear left satellite unit |
| EDC | SHR Electronic Damper Control, rear right satellite unit |
| EDC | SVL Electronic Damper Control, front left satellite unit |
| EDC | SVR Electronic Damper Control, front right satellite unit |
| EGS | Electronic transmission control |
| EKPS | Electronic fuel pump control |
| EMF | Electromechanical parking brake |
| EPS | Electronic power steering |
| Ethernet | Cabled data network technology for local data networks |
| FD | Rear display |
| FD2 | Rear display 2 |
| FLA | High-beam assistant |
| FlexRay | Fast, preset and fault-tolerant bus system for use in automotive applications |
| FRM | Footwell module |
| FZD | Roof function center |
| GWS | Gear selector switch |
| HKL | Luggage compartment lid lift |
| HSR | Rear suspension slip angle control |
| HUD | Head-Up Display |
| ICM | Integrated Chassis Management |
| IHKA | Integrated automatic heating/air conditioning |
| JBE | Junction box electronics |
| KAFAS | Camera-based driver assistance system |
| K-Bus | Body bus |
| K-CAN. | Body controller area network |
| K-CAN2 | Body controller area network 2 (500 kBit/s) |
| KOMBI | Instrument cluster |
| LIN-Bus | Local Interconnect Network bus |
| Local-CAN | Local Controller Area Network |
| MOST | Media Oriented System Transport |
| MOST | port Media Oriented System Transport port |
| NVE | Night Vision electronics |
| PDC | Park Distance Control |
| PMA | Parking Maneuvering Assistant |
| PT-CAN | Powertrain CAN |
| PT-CAN2 | Powertrain controller area network 2 |
| OBD | Diagnosis socket |
| RSE | Rear seat entertainment system |
| SDARS | Satellite tuner (US) |
| SMBF | Front passenger seat module |
| SMFA | Seat module, driver |
| SWW | Blind Spot Detection |
| SZL | Steering column switch cluster |
| TCU | Telematic Control Unit |
| TPMS | Tire Pressure Monitoring System |
| TRSVC | Control unit for rear view camera and side view |
| ULF-SBX | Universal charger and hands-free unit, interface box (Bluetooth telephony) |
| VDM | Vertical Dynamics Management |
| VM | Video Module |
| VSW | Video switch |
| ZGM | Central Gateway Module |