lemon-mirror:
Home >> Buick >> 1979 >> Skyhawk Base, Automatic Trans >> Repair and Diagnosis >> Body & Frame >> Windows >> Window Controls - Electric >> Testing >> Window Motor

Window Motor

Check power feed wire to motor terminals, if power is available, check motor ground. Inspect window regulator and channels for possible binding. Connect a jumper wire to power source and one of the motor terminals, then connect to the other motor terminal. Motor should operate window up and down, if not, replace motor.

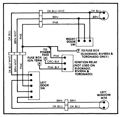
Fig 1: "X" Body Four Door Model with Ignition Relay Power Window Wiring Diagram (Two Door Models Similar)
G09348713Courtesy of GENERAL MOTORS COMPANY
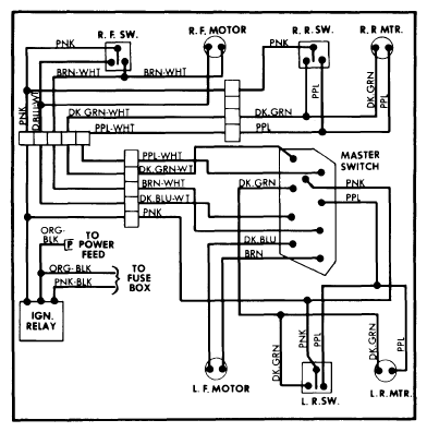
Fig 2: "F" and "X" Body Power Window Wiring Diagram ("A", "B", "C" and "E" Two Door Models Similar)
G09348714Courtesy of GENERAL MOTORS COMPANY
Fig 3: Corvette Power Window Wiring Diagram
G09348715Courtesy of GENERAL MOTORS COMPANY