lemon-mirror:
Home >> Buick >> 1989 >> Reatta >> Repair and Diagnosis >> Engine Performance >> System >> 3.8L BCM Tests W/Codes >> Self-Diagnostics >> Code B332, Loss Of Compass Data >> Notes

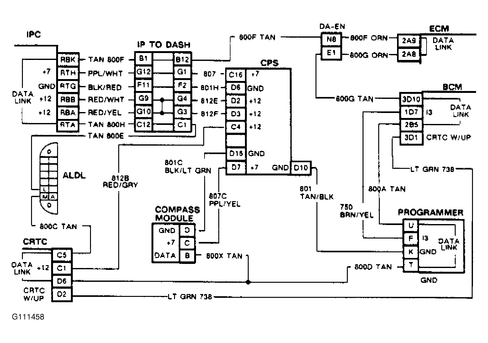
Code B332, Loss Of Compass Data: Notes

Fig 1: Code B332, Wiring Diagram Loss Of Compass Data
G111458

Code B332 will set if communication between the compass and BCM is lost. If Code B332 is set, an "Electrical Problem" message will be displayed and the compass will display the last direction indicated until compass communication resumes.

NOTE: Test numbers refer to numbers on diagnostic chart.
  1. Checks to see if other data line components are experiencing communications problems.
  2. Checks status of data line at compass module. Normal data line voltage is between .1 and 4.5 volts.