lemon-mirror:
Home >> Buick >> 1989 >> Reatta >> Repair and Diagnosis >> Engine Performance >> System >> 3.8L BCM Tests W/Codes >> Self-Diagnostics >> Code B337, Loss Of HVAC Programmer Data

Code B337, Loss Of HVAC Programmer Data

Fig 1: Code B337, Wiring Diagram (Reatta & Riviera) Loss Of HVAC Programmer Data
G111468
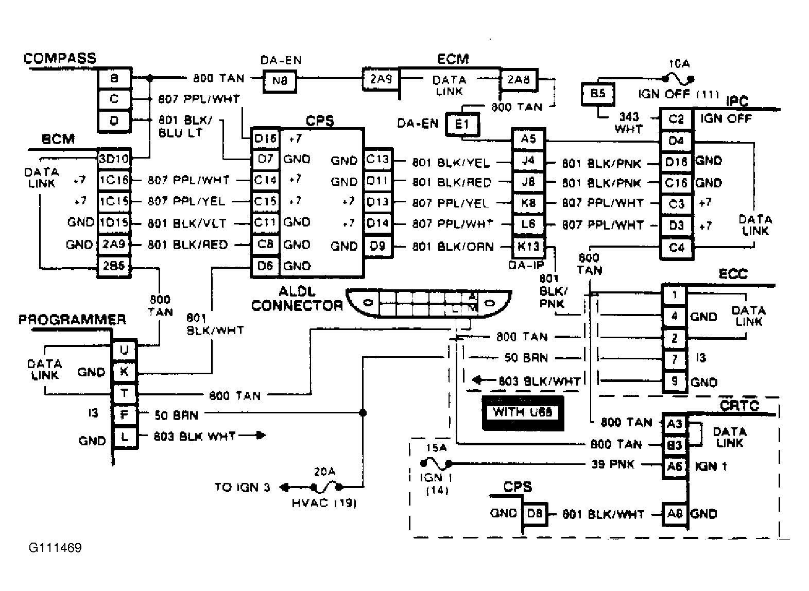
Fig 2: Code B337, Wiring Diagram (Toronado) Loss Of HVAC Programmer Data
G111469

Code B337 will set if communication between the programmer and BCM is lost. This can occur if the HVAC loses ignition, ground or both serial data circuits.

NOTE: Test numbers refer to numbers on diagnostic chart.
  1. Checks for power and ground up to the programmer. The test light should be on when connected from ignition source to both grounds.
  2. Since power and ground are available to the programmer, the source for failure is either a double open in the circuit No. 800 or faulty terminal contacts.
Fig 3: Code B337, Flow Chart Loss Of HVAC Programmer Data
G105131