lemon-mirror:
Home >> Buick >> 1989 >> Reatta >> Repair and Diagnosis >> Engine Performance >> System >> 3.8L BCM Tests W/Codes >> Self-Diagnostics >> Code B420, Retained Accessory Power Relay Circuit >> Notes

Code B420, Retained Accessory Power Relay Circuit: Notes

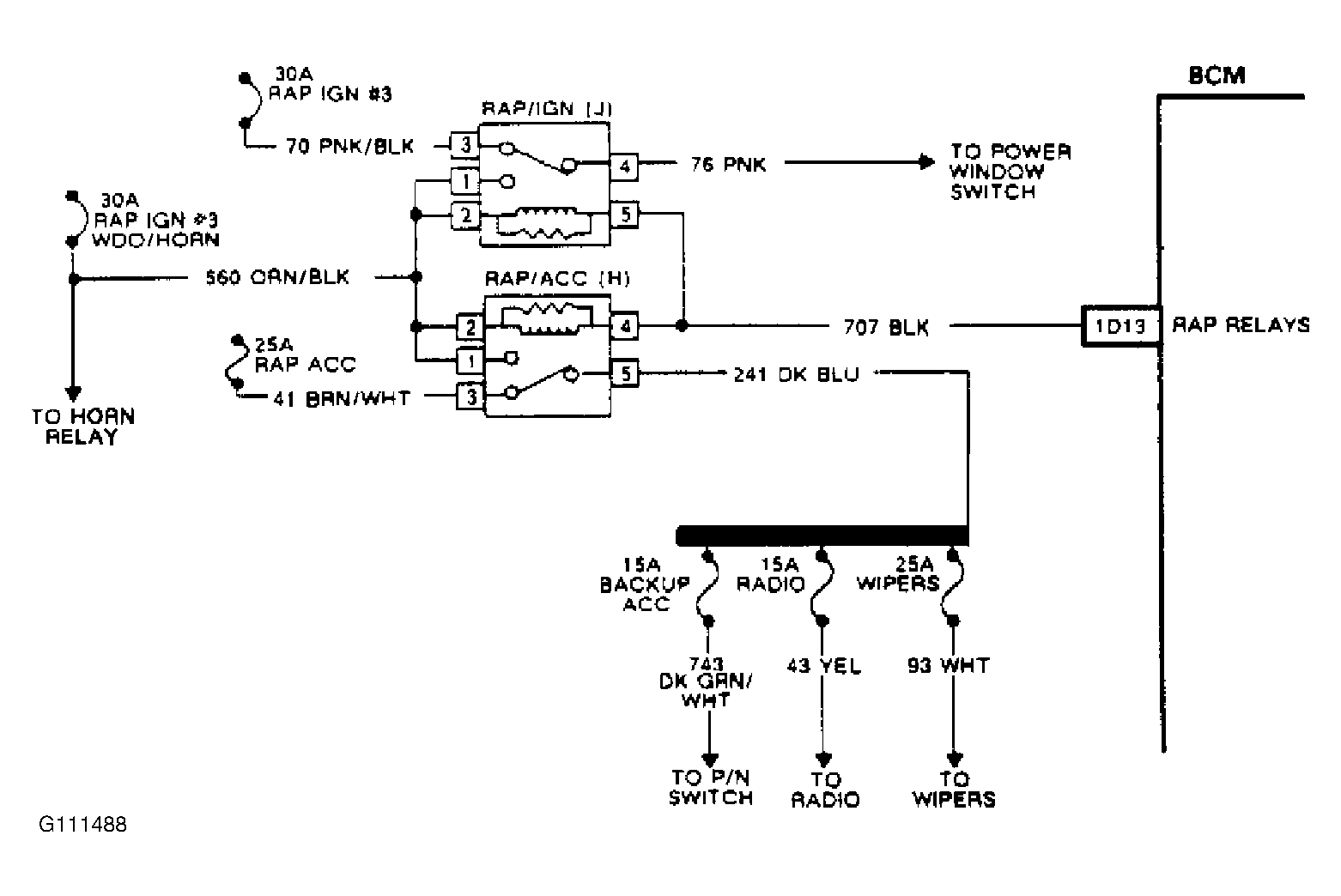
Fig 1: Code B420, Wiring Diagram Retained Accessory Power Relay Circuit
G111488

Whenever ignition is turned on, BCM will ground circuit No. 707, energizing both Retained Accessory Power (RAP) relays. This will provide power to power window and sunroof switches, radio, windshield wiper switch, trunk and glove box release switches, through circuit No. 660. If these functions do not work after RAP has been energized (by turning ignition on and off), with doors closed, or they remain working after door is opened, this is the system that set Code B420 (normal operation RAP time-out is 10 minutes). Circuit No. 70 is used as a backup to provide power to windows if there is a circuit fault (ignition has to be on). Circuit No. 41 is also used as a backup, but powers other functions when ignition is in accessory position since BCM is inactive and cannot ground circuit No. 707.

NOTE: Test numbers refer to numbers on diagnostic chart.
  1. Checks to see if fault is with RAP system or just a problem with one or more of the functions RAP provides power to.
  2. Checks to see if fault is due to an open circuit or a short to ground in circuit. If the different functions always work, there is a short to ground in control circuit. If different functions do not work with RAP activated, there is an open in one of the circuits.
  3. Checks to see if short to ground is due to circuit or BCM.
  4. Checks to see if open circuit is due to circuit or BCM.
  5. Checks to see if open circuit is on power or ground side of relay.