lemon-mirror:
Home >> Buick >> 1993 >> Roadmaster Base >> Repair and Diagnosis >> Body & Frame >> Door Locks >> Remote Keyless Entry System >> System Testing >> Test 3 >> Test Description

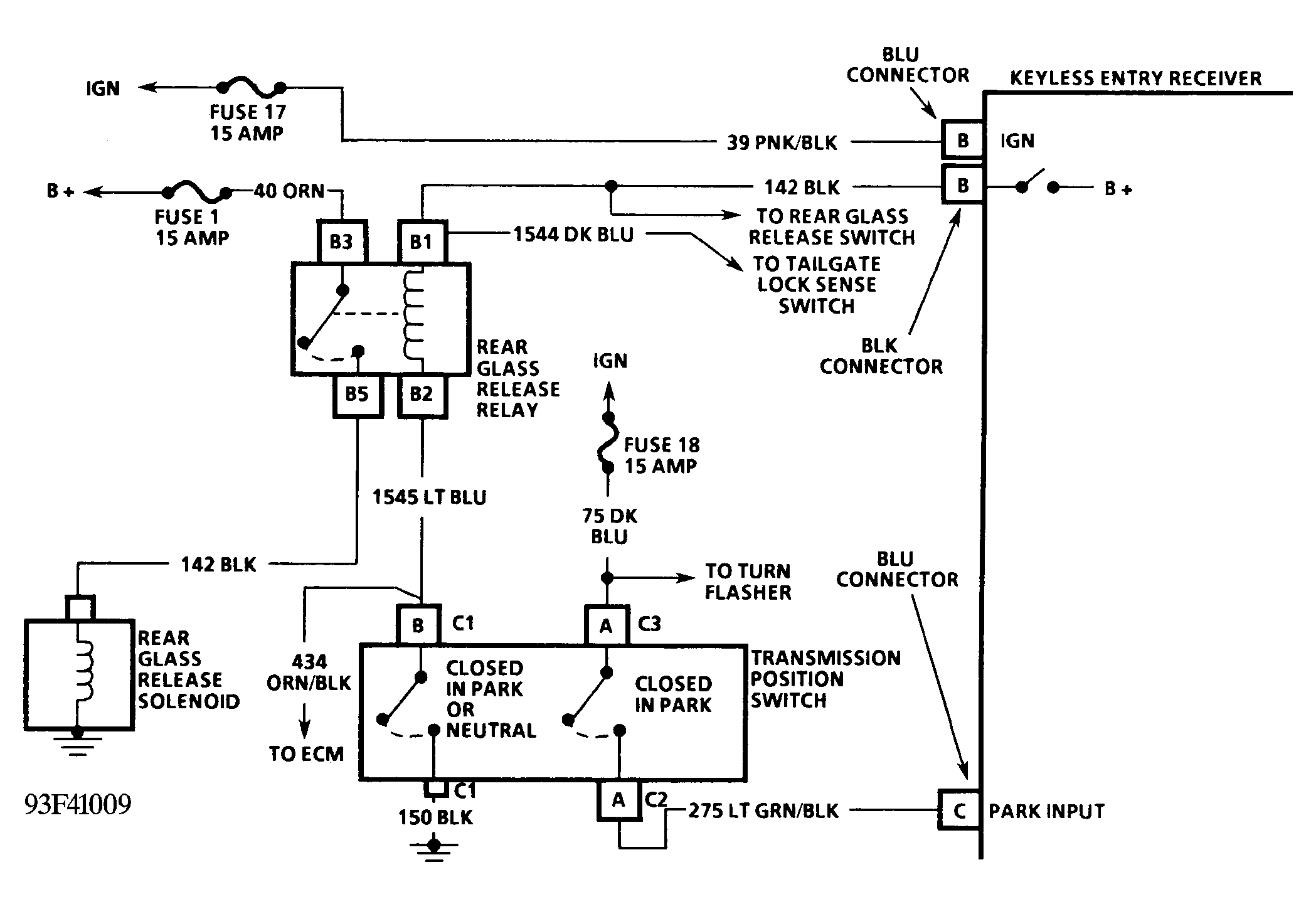
Test Description

  1. Determines a keyless entry system fault or rear glass release system fault.
  2. Checks for unwanted voltage at terminal "C" of keyless entry receiver when transmission is in Drive.
  3. This tests transmission position switch. With transmission in Park, transmission position switch should be closed, applying voltage to circuit No. 275.
Fig 1: Test 3 (Wagon); Schematic
G93F41009Courtesy of GENERAL MOTORS CORP.
Fig 2: Test 3 (Wagon); Flow Chart
G93I41010Courtesy of GENERAL MOTORS CORP.