Instrument Panel: Testing: Notes
NOTE:
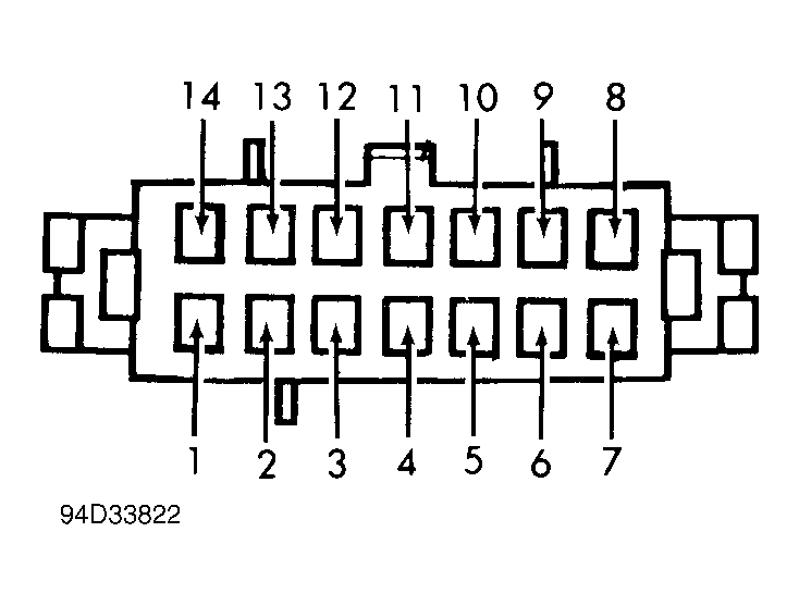
See the IPC CONNECTOR TERMINAL IDENTIFICATION table to identify connector terminals.
CAUTION:
When battery is disconnected, vehicle computer and memory systems may lose memory data. Driveability problems may exist until computer systems have completed a relearn cycle. See the COMPUTER RELEARN PROCEDURES
article in the GENERAL INFORMATION section before disconnecting battery.
IPC CONNECTOR TERMINAL IDENTIFICATION
| Terminal | Wire Color | Circuit Description | |
|---|---|---|---|
| Connector C1 | |||
| 1 | Dk. Green | TAILGATE AJAR Indicator | |
| 2 | Pink | Ignition Input | |
| 3 | Dk. Green | Vehicle Speed Input | |
| 4 | Tan | Oil Pressure Indicator | |
| 5 | Brown | CHARGE Indicator | |
| 6 | Dk. Green | Coolant TEMP Indicator | |
| 7 | Dk. Blue | LOW TRACTION Indicator | |
| 8 | Lt. Blue | Left Turn Indicator | |
| 9 | Pink | Ignition Input | |
| 10 | Black | Ground | |
| 11 | Purple | Fuel Gauge Input | |
| 12 | Black | Ground | |
| 13 | Gray | Illumination | |
| 14 | Brown | AIR BAG Indicator | |
| Connector C2 | |||
| 1 | Blue | Right Turn Indicator | |
| 2-3 | Not Used | Not Used | |
| 4 | Green | High Beam Indicator | |
| 5 | Yellow | Fasten Belts Indicator | |
| 6 | Not Used | Not Used | |
| 7 | Lt. Green/Black | ANTI-LOCK Indicator | |
| 8 | Pink | Ignition Input | |
| 9 | Black | Ground | |
| 10 | Dk. Green | Coolant Gauge Input | |
| 11 | Gray | Illumination | |
| 12 | Brown/White | SERVICE ENGINE Light | |
| 13 | White | CRUISE Indicator | |
| 14 | Tan/White | BRAKE Indicator | |