lemon-mirror:
Home >> Buick >> 2002 >> Century Custom >> Repair and Diagnosis >> Body & Frame >> Door Locks >> Keyless Entry System >> Schematic And Routing Diagrams >> Keyless Entry Schematics

Keyless Entry Schematics

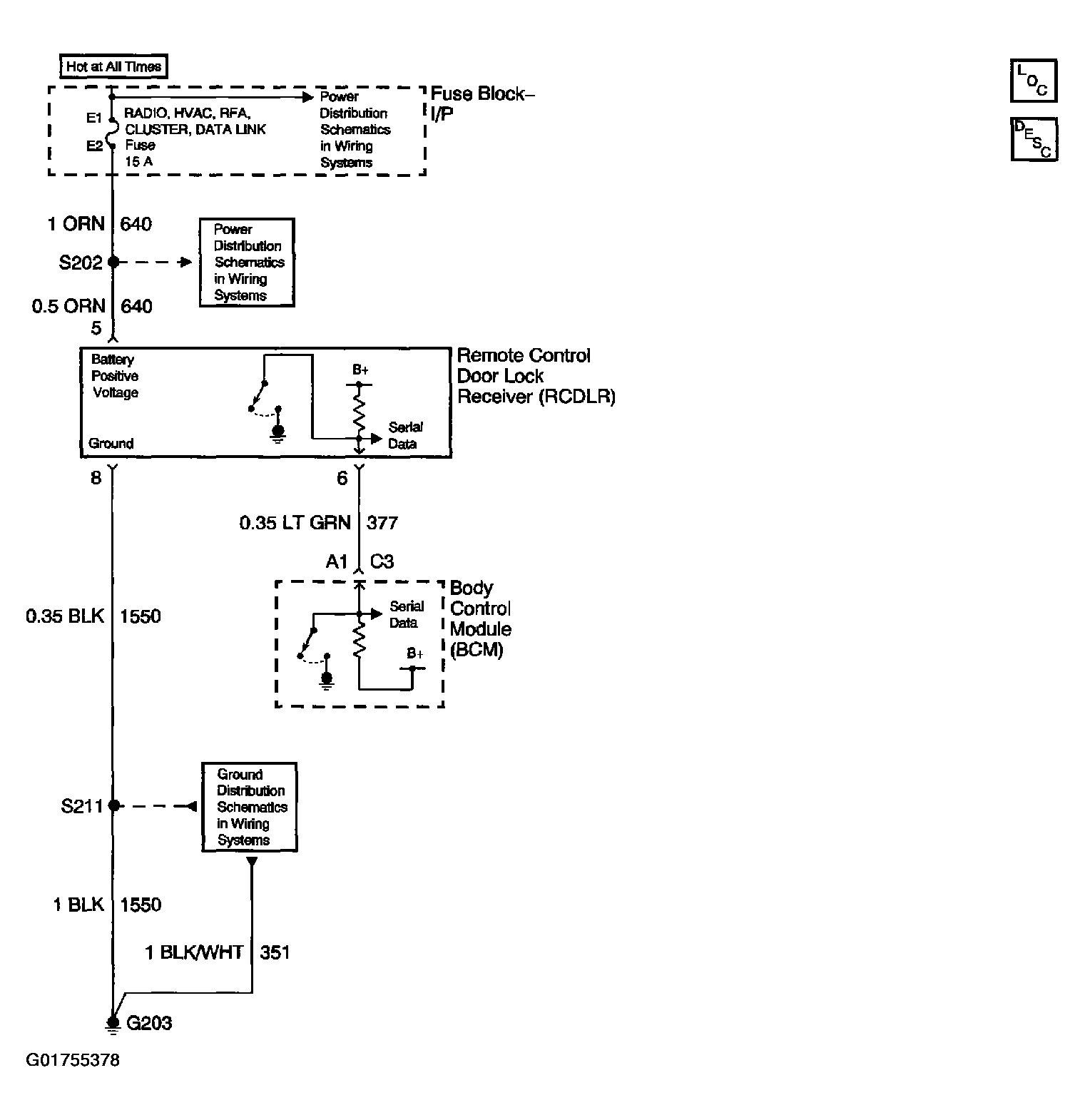
Fig 1: Identifying Keyless Entry Schematic
G01755378Courtesy of GENERAL MOTORS CORP.