lemon-mirror:
Home >> Buick >> 2004 >> Regal LS >> Repair and Diagnosis >> Engine Performance >> System >> Engine Controls 3.8L (Introduction, Service & Replacement) >> Schematic and Routing Diagrams >> Engine Controls Schematics

Engine Controls Schematics

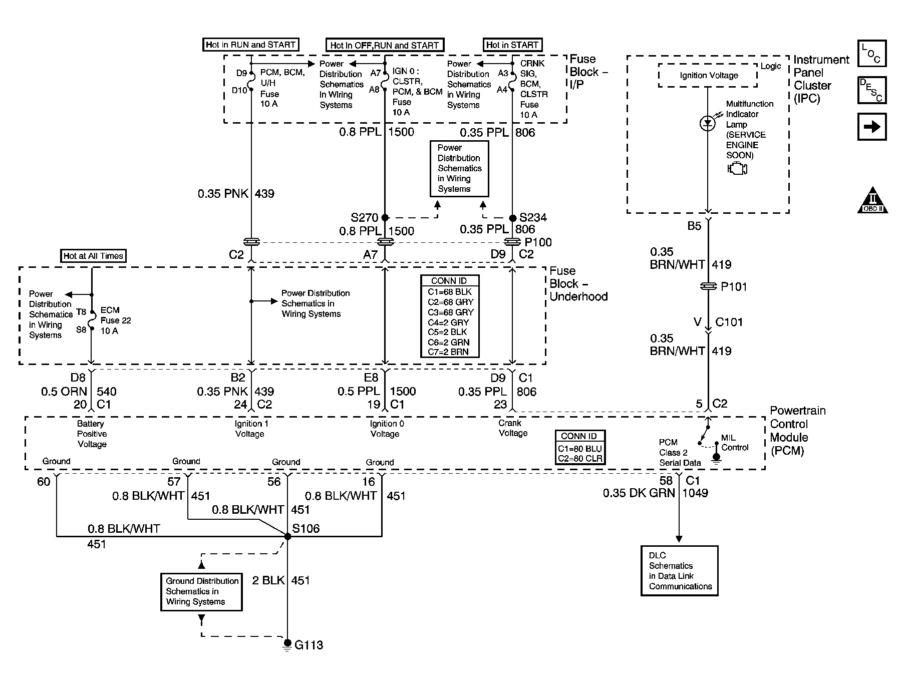
Fig 1: Power, Ground, MIL and Serial Data Schematic
GM1222508Courtesy of GENERAL MOTORS CORP.
Fig 2: Engine Data Sensors Schematic - 5 Volt Reference
GM1222513Courtesy of GENERAL MOTORS CORP.
Fig 3: Engine Data Sensors Schematic - Low Reference
GM1222017Courtesy of GENERAL MOTORS CORP.
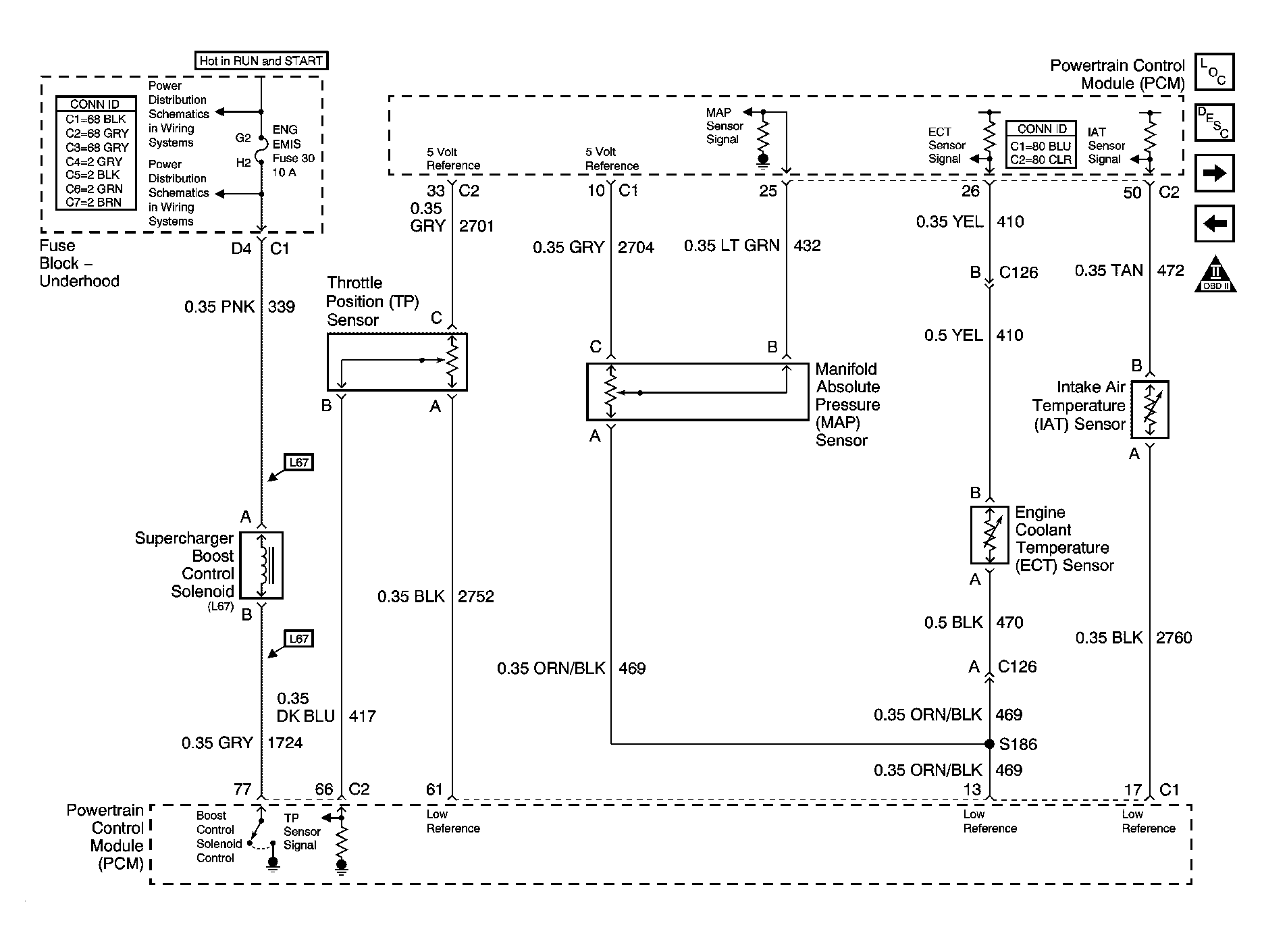
Fig 4: Engine Data Sensors Schematic - Pressure and Temperature
GM1222519Courtesy of GENERAL MOTORS CORP.
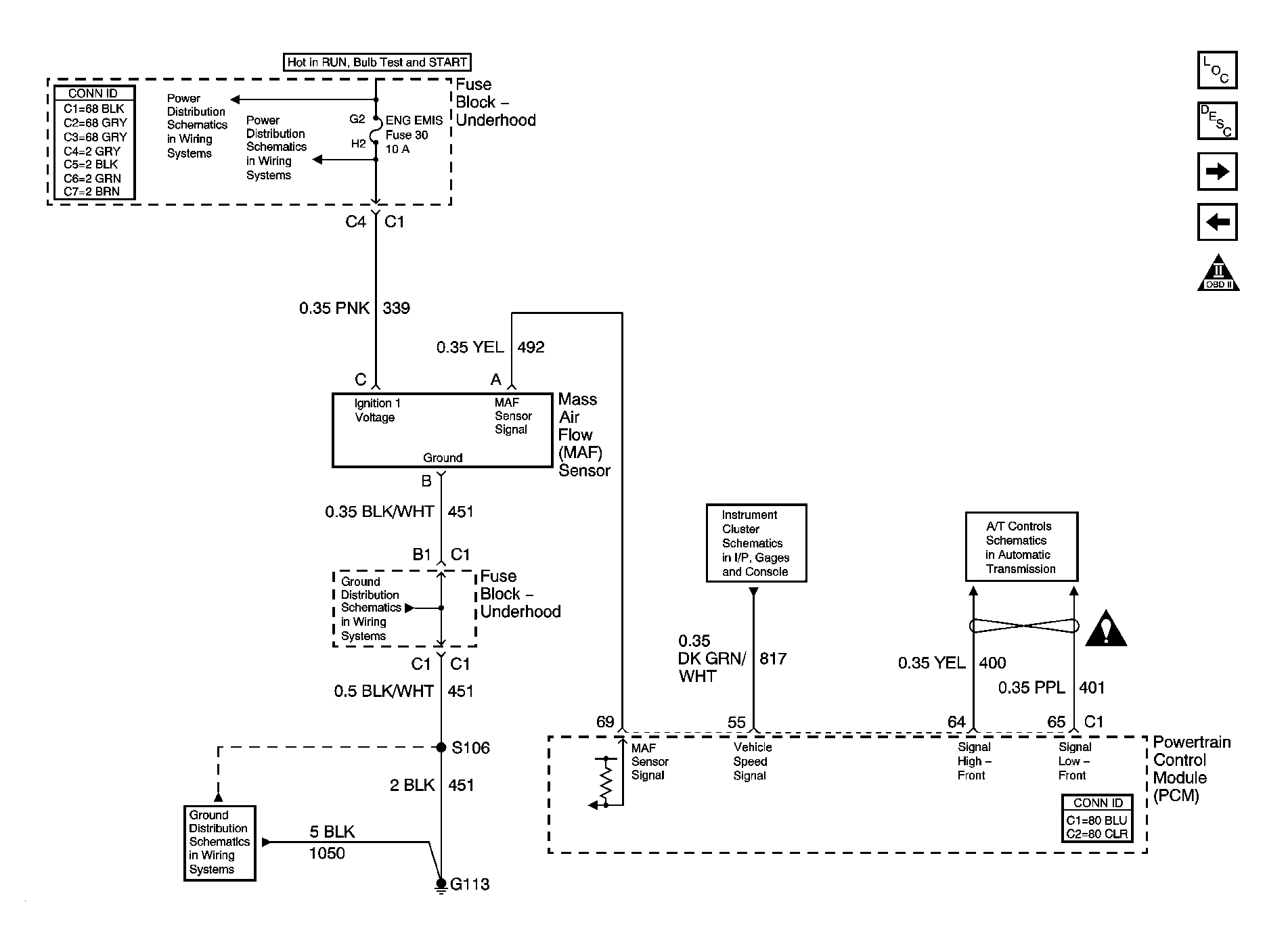
Fig 5: Engine Data Sensors Schematic - MAF, VSS
GM1275690Courtesy of GENERAL MOTORS CORP.
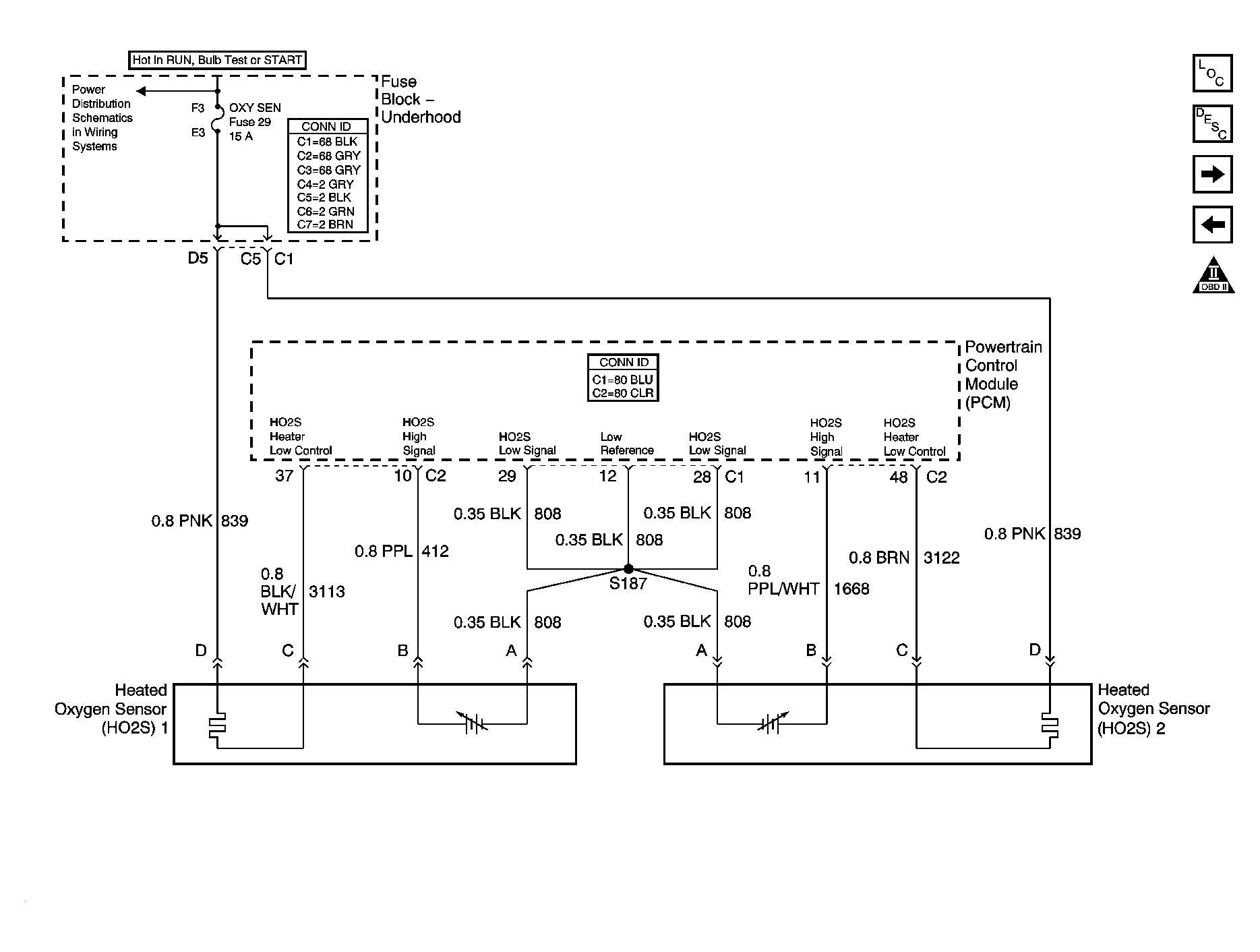
Fig 6: Engine Data Sensors Schematic - HO2S
GM1222522Courtesy of GENERAL MOTORS CORP.
Fig 7: Ignition Controls Schematic
GM1222526Courtesy of GENERAL MOTORS CORP.
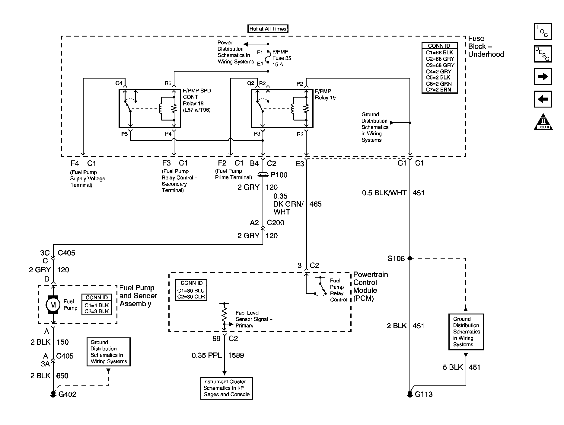
Fig 8: Fuel Pump Controls Schematic
GM1222531Courtesy of GENERAL MOTORS CORP.
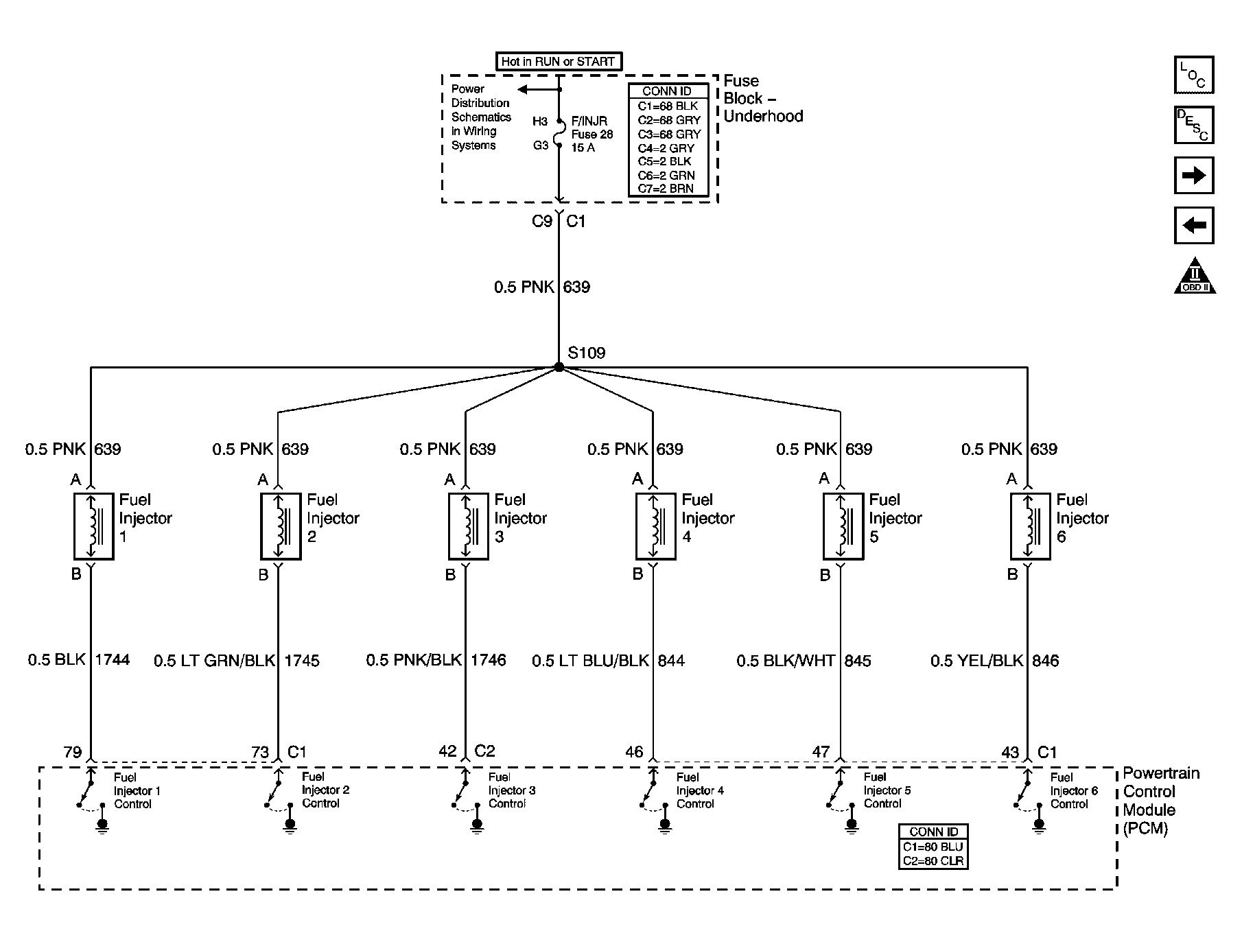
Fig 9: Fuel Injectors Schematic
GM805933Courtesy of GENERAL MOTORS CORP.
Fig 10: Fuel Controls Schematic - EVAP and FTP
GM1219269Courtesy of GENERAL MOTORS CORP.
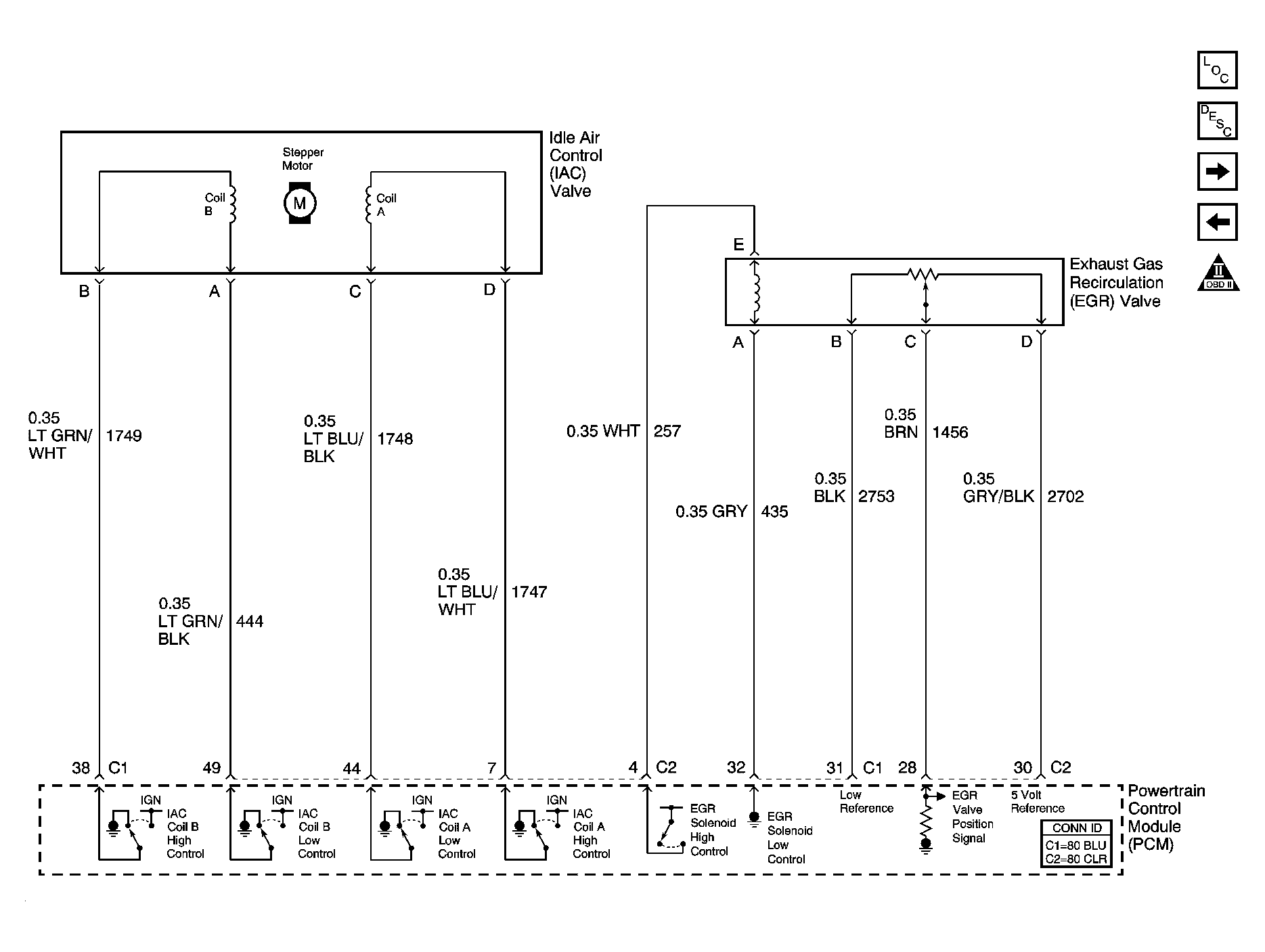
Fig 11: IAC, EGR Device Controls Schematic
GM1275669Courtesy of GENERAL MOTORS CORP.
Fig 12: Controlled/Monitored Subsystem References Schematic
GM805946Courtesy of GENERAL MOTORS CORP.
Fig 13: Automatic Transmission Controls Schematic
GM850716Courtesy of GENERAL MOTORS CORP.