lemon-mirror:
Home >> Buick >> 2007 >> Allure CX >> Repair and Diagnosis >> Transmission >> Automatic Trans >> Shift Interlock System >> Schematic and Routing Diagrams >> Shift Lock Control Schematics

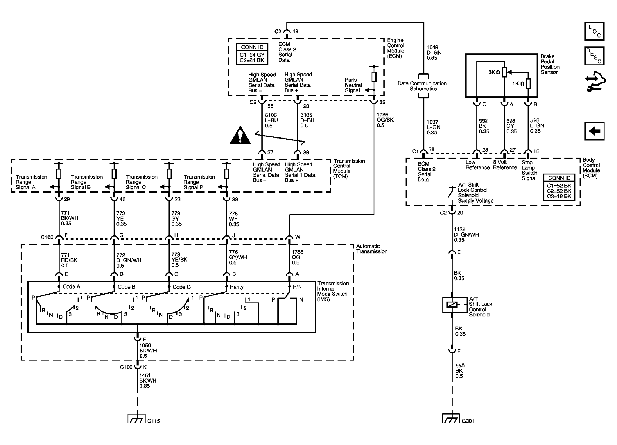
Shift Lock Control Schematics

Fig 1: Shift Lock Control Schematic (3.8L)
GM1801954Courtesy of GENERAL MOTORS CORP.
Fig 2: Shift Lock Control Schematic (3.6L)
GM1801956Courtesy of GENERAL MOTORS CORP.