lemon-mirror:
Home >> Buick >> 2009 >> Lucerne Super >> Repair and Diagnosis >> Electrical >> Component Locations >> Electrical Component Locator >> Component Location Graphics

Component Location Graphics

NOTE: Figures may show multiple component locations. Refer to appropriate table for proper figure references.
Fig 1: Engine Compartment
G00418501Courtesy of GENERAL MOTORS CORP.
Fig 2: Power Steering Components
G00418502Courtesy of GENERAL MOTORS CORP.
Fig 3: Front Of Dash
G00418503Courtesy of GENERAL MOTORS CORP.
Fig 4: Under Left Side Of Dash
G00418505Courtesy of GENERAL MOTORS CORP.
Fig 5: Floor Pan, Left Of Center Console
G00418506Courtesy of GENERAL MOTORS CORP.
Fig 6: Front Of Vehicle
G00418507Courtesy of GENERAL MOTORS CORP.
Fig 7: Rear Of Vehicle
G00418508Courtesy of GENERAL MOTORS CORP.
Fig 8: Rear Of Vehicle
G00418509Courtesy of GENERAL MOTORS CORP.
Fig 9: Right Rear Of Vehicle
G00418510Courtesy of GENERAL MOTORS CORP.
Fig 10: Automatic Transmission
G00418511Courtesy of GENERAL MOTORS CORP.
Fig 11: Automatic Transmission
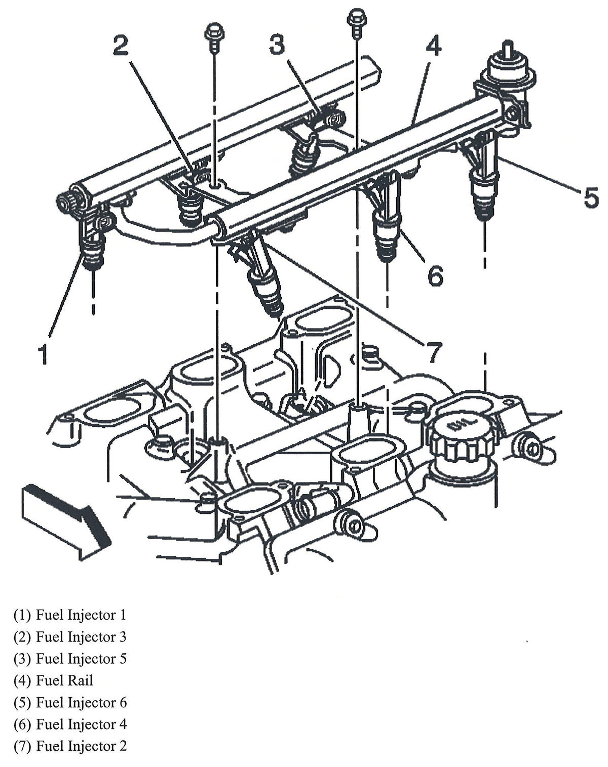
G00418193Courtesy of GENERAL MOTORS CORP.
Fig 12: Rear Of Vehicle
G00418194Courtesy of GENERAL MOTORS CORP.
Fig 13: Inside Front Of Roof
G00418195Courtesy of GENERAL MOTORS CORP.
Fig 14: Behind Rear Seat
G00418196Courtesy of GENERAL MOTORS CORP.
Fig 15: Right Side Of Dash
G00418197Courtesy of GENERAL MOTORS CORP.
Fig 16: Driver's Door
G00418198Courtesy of GENERAL MOTORS CORP.
Fig 17: Front Passenger's Door
G00418199Courtesy of GENERAL MOTORS CORP.
Fig 18: Left Rear Door
G00418200Courtesy of GENERAL MOTORS CORP.
Fig 19: Right Rear Door
G00418201Courtesy of GENERAL MOTORS CORP.
Fig 20: Front Of Vehicle
G00418202Courtesy of GENERAL MOTORS CORP.
Fig 21: Engine Compartment
G00418208Courtesy of GENERAL MOTORS CORP.
Fig 22: Rear Underside Of Vehicle
G00418209Courtesy of GENERAL MOTORS CORP.
Fig 23: Rear Of Engine (4.6L)
G00418210Courtesy of GENERAL MOTORS CORP.
Fig 24: Left Side Of Engine (4.6L)
G00418211Courtesy of GENERAL MOTORS CORP.
Fig 25: Top Of Engine (4.6L)
G00457849Courtesy of GENERAL MOTORS CORP.
Fig 26: Front Of Engine Compartment
G00418214Courtesy of GENERAL MOTORS CORP.
Fig 27: Steering Column
G00440437Courtesy of GENERAL MOTORS CORP.
Fig 28: Left Side Of Engine (4.6L)
G00418217Courtesy of GENERAL MOTORS CORP.
Fig 29: Under Rear Seats
G00470396Courtesy of GENERAL MOTORS CORP.
Fig 30: Right "D" Pillar
G00418219Courtesy of GENERAL MOTORS CORP.
Fig 31: Left "D" Pillar
G00418220Courtesy of GENERAL MOTORS CORP.
Fig 32: Rear Of Vehicle
G00418221Courtesy of GENERAL MOTORS CORP.
Fig 33: Engine Compartment
G00418223Courtesy of GENERAL MOTORS CORP.
Fig 34: HVAC Module (Front - Electronic Controls)
G00418224Courtesy of GENERAL MOTORS CORP.
Fig 35: HVAC Module (Front - Auto Temperature Controls)
G00418225Courtesy of GENERAL MOTORS CORP.
Fig 36: Left Front Of Engine Compartment
G00418226Courtesy of GENERAL MOTORS CORP.
Fig 37: Front Of Vehicle
G00418227Courtesy of GENERAL MOTORS CORP.
Fig 38: Top Center Of Dash
G00418228Courtesy of GENERAL MOTORS CORP.
Fig 39: Behind Rear Seat
G00418229Courtesy of GENERAL MOTORS CORP.
Fig 40: Floor Console
G00418230Courtesy of GENERAL MOTORS CORP.
Fig 41: Roof
G00418231Courtesy of GENERAL MOTORS CORP.
Fig 42: Vehicle Interior Overview
G00418232Courtesy of GENERAL MOTORS CORP.
Fig 43: "B" Pillars
G00418233Courtesy of GENERAL MOTORS CORP.
Fig 44: Front Passenger's Seat
G00418234Courtesy of GENERAL MOTORS CORP.
Fig 45: Driver's Seat
G00418235Courtesy of GENERAL MOTORS CORP.
Fig 46: Right Side Of Driver's Seat
G00418237Courtesy of GENERAL MOTORS CORP.
Fig 47: Engine Compartment
G00418238Courtesy of GENERAL MOTORS CORP.
Fig 48: Upper Center Of Windshield
G00418239Courtesy of GENERAL MOTORS CORP.
Fig 49: Right Front Of Engine Compartment
G00470393Courtesy of GENERAL MOTORS CORP.
Fig 50: Right Rear Of Engine (4.6L)
G00418241Courtesy of GENERAL MOTORS CORP.
Fig 51: Left Front Of Engine Compartment
G00418242Courtesy of GENERAL MOTORS CORP.
Fig 52: Bottom Left Side Of Engine
G00418243Courtesy of GENERAL MOTORS CORP.
Fig 53: Left Rear Of Passenger Compartment
G00418244Courtesy of GENERAL MOTORS CORP.
Fig 54: Right Rear Of Passenger Compartment
G00418245Courtesy of GENERAL MOTORS CORP.
Fig 55: Vehicle Front Floor Pan
G00418246Courtesy of GENERAL MOTORS CORP.
Fig 56: Front Of Vehicle
G00457195Courtesy of GENERAL MOTORS CORP.
Fig 57: Left Side Of Engine (4.6L)
G00457194Courtesy of GENERAL MOTORS CORP.
Fig 58: Right Side Of Engine (4.6L)
G00457196Courtesy of GENERAL MOTORS CORP.
Fig 59: Rear Of Dash
G00457197Courtesy of GENERAL MOTORS CORP.
Fig 60: Engine Compartment
G00457838Courtesy of GENERAL MOTORS CORP.
Fig 61: Passenger Compartment Floor
G00457839Courtesy of GENERAL MOTORS CORP.
Fig 62: Rear Compartment
G00457840Courtesy of GENERAL MOTORS CORP.
Fig 63: Driver's Door
G00457841Courtesy of GENERAL MOTORS CORP.
Fig 64: Front Passenger's Door
G00457842Courtesy of GENERAL MOTORS CORP.
Fig 65: Left Rear Door
G00457843Courtesy of GENERAL MOTORS CORP.
Fig 66: Right Rear Door
G00457844Courtesy of GENERAL MOTORS CORP.
Fig 67: Driver's Seat
G00457845Courtesy of GENERAL MOTORS CORP.
Fig 68: Front Passenger's Seat
G00457846Courtesy of GENERAL MOTORS CORP.
Fig 69: Roof (W/O Sunroof)
G00457847Courtesy of GENERAL MOTORS CORP.
Fig 70: Behind Rear Bumper
G00457848Courtesy of GENERAL MOTORS CORP.
Fig 71: Right Side Of Engine (3.9L)
G00470387Courtesy of GENERAL MOTORS CORP.
Fig 72: Lower Left Rear Of Engine (3.9L)
G00470388Courtesy of GENERAL MOTORS CORP.
Fig 73: Top Of Engine (3.9L)
G00470389Courtesy of GENERAL MOTORS CORP.
Fig 74: Top Rear Of Engine (3.9L)
G00470390Courtesy of GENERAL MOTORS CORP.
Fig 75: Left Side Of Engine (3.9L)
G00470391Courtesy of GENERAL MOTORS CORP.
Fig 76: Exhaust (3.9L)
G00470392Courtesy of GENERAL MOTORS CORP.
Fig 77: Engine (4.6L)
G00470394Courtesy of GENERAL MOTORS CORP.
Fig 78: Engine Compartment (4.6L)
G00470395Courtesy of GENERAL MOTORS CORP.
Fig 79: Right "C" Pillar
G00470397Courtesy of GENERAL MOTORS CORP.
Fig 80: Left "C" Pillar
G00470398Courtesy of GENERAL MOTORS CORP.
Fig 81: Left Rear Of Vehicle
G00470399Courtesy of GENERAL MOTORS CORP.
Fig 82: Lower Left Front Of Engine Compartment
G00470400Courtesy of GENERAL MOTORS CORP.
Fig 83: Top Of Engine (4.6L)
G00470401Courtesy of GENERAL MOTORS CORP.
Fig 84: Rear Axle
G00470402Courtesy of GENERAL MOTORS CORP.
Fig 85: Underhood Fuse Block
G00470403Courtesy of GENERAL MOTORS CORP.
Fig 86: Rear Fuse Block
G00470404Courtesy of GENERAL MOTORS CORP.