lemon-mirror:
Home >> Buick >> 2009 >> Lucerne Super >> Repair and Diagnosis >> Engine Performance >> System >> Data Communication System >> Schematic and Routing Diagrams >> Data Communication Schematics

Data Communication Schematics

Fig 1: Power, Ground and Low Speed GMLAN
GM2081278Courtesy of GENERAL MOTORS CORP.
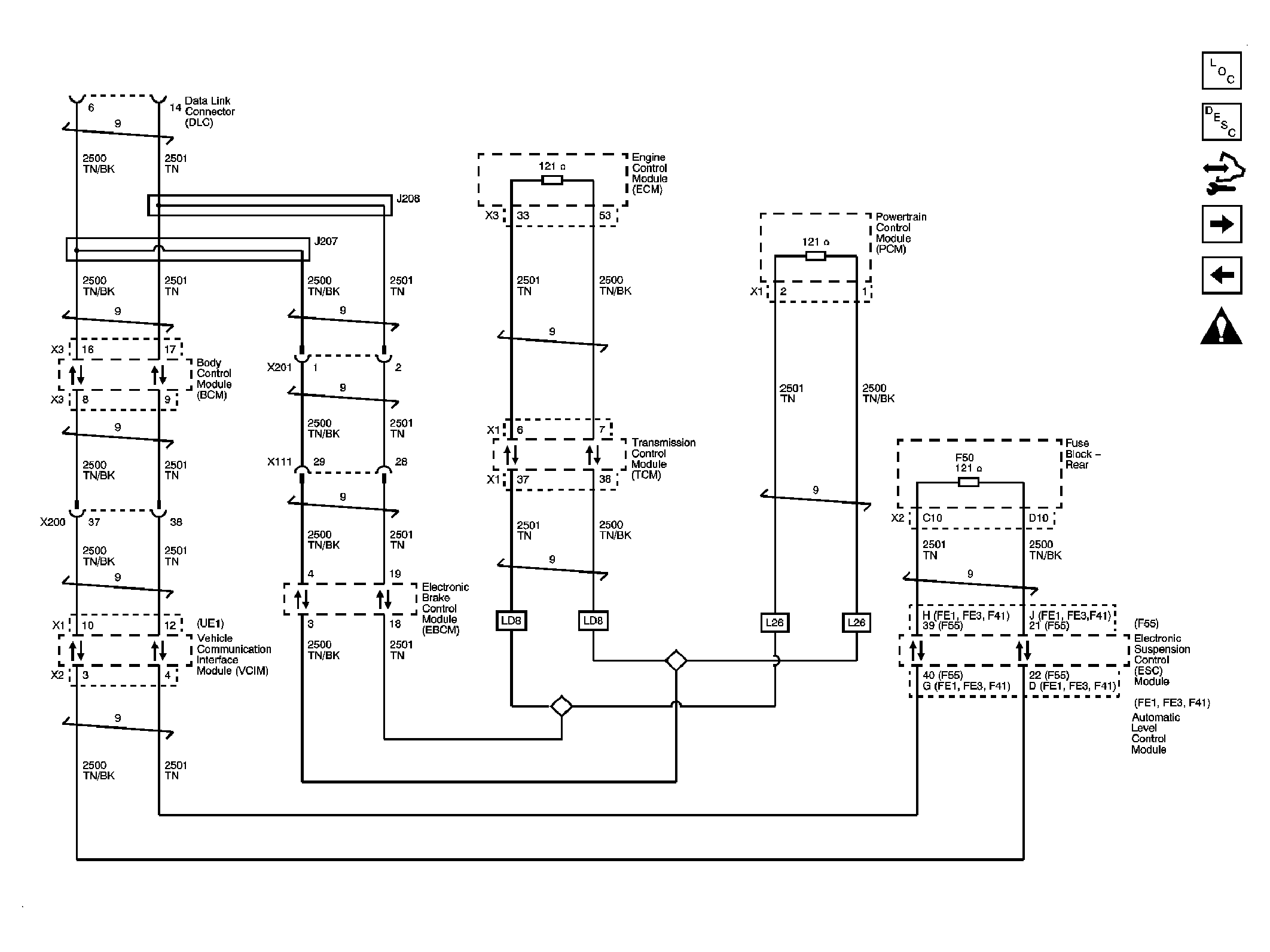
Fig 2: High Speed Serial Data
GM2081279Courtesy of GENERAL MOTORS CORP.
Fig 3: Serial Data Wake Up
GM2081280Courtesy of GENERAL MOTORS CORP.