lemon-mirror:
Home >> Buick >> 2012 >> LaCrosse Touring >> Repair and Diagnosis >> Body & Frame >> Door Locks >> Keyless Entry System And Remote Functions >> Wiring Schematics >> Remote Function Wiring Schematics >> Module Power, Ground, Data Communication And Controls

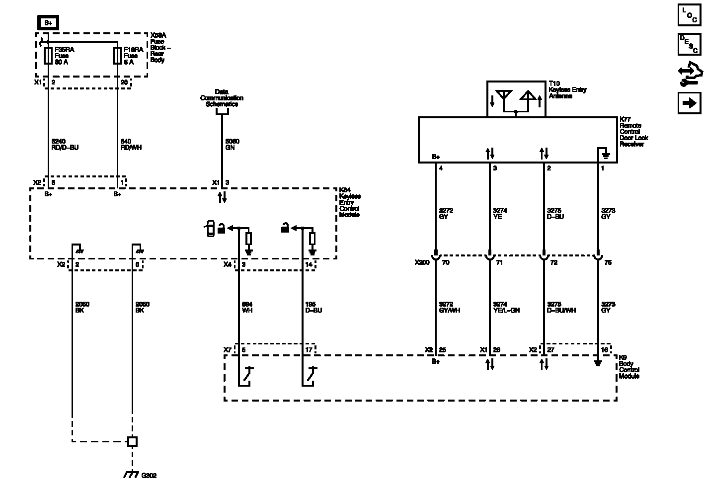
Module Power, Ground, Data Communication And Controls

Fig 1: Module Power, Ground, Data Communication And Controls Wiring Schematic
GM2578003Courtesy of GENERAL MOTORS COMPANY