lemon-mirror:
Home >> Buick >> 2012 >> Verano >> Repair and Diagnosis >> Electrical >> Component Locations >> Electrical Component Locator - Instrument Panel/Center Console Component Views >> Instrument Panel/Center Console Component Views >> Right HVAC Components

Right HVAC Components

Right HVAC Components

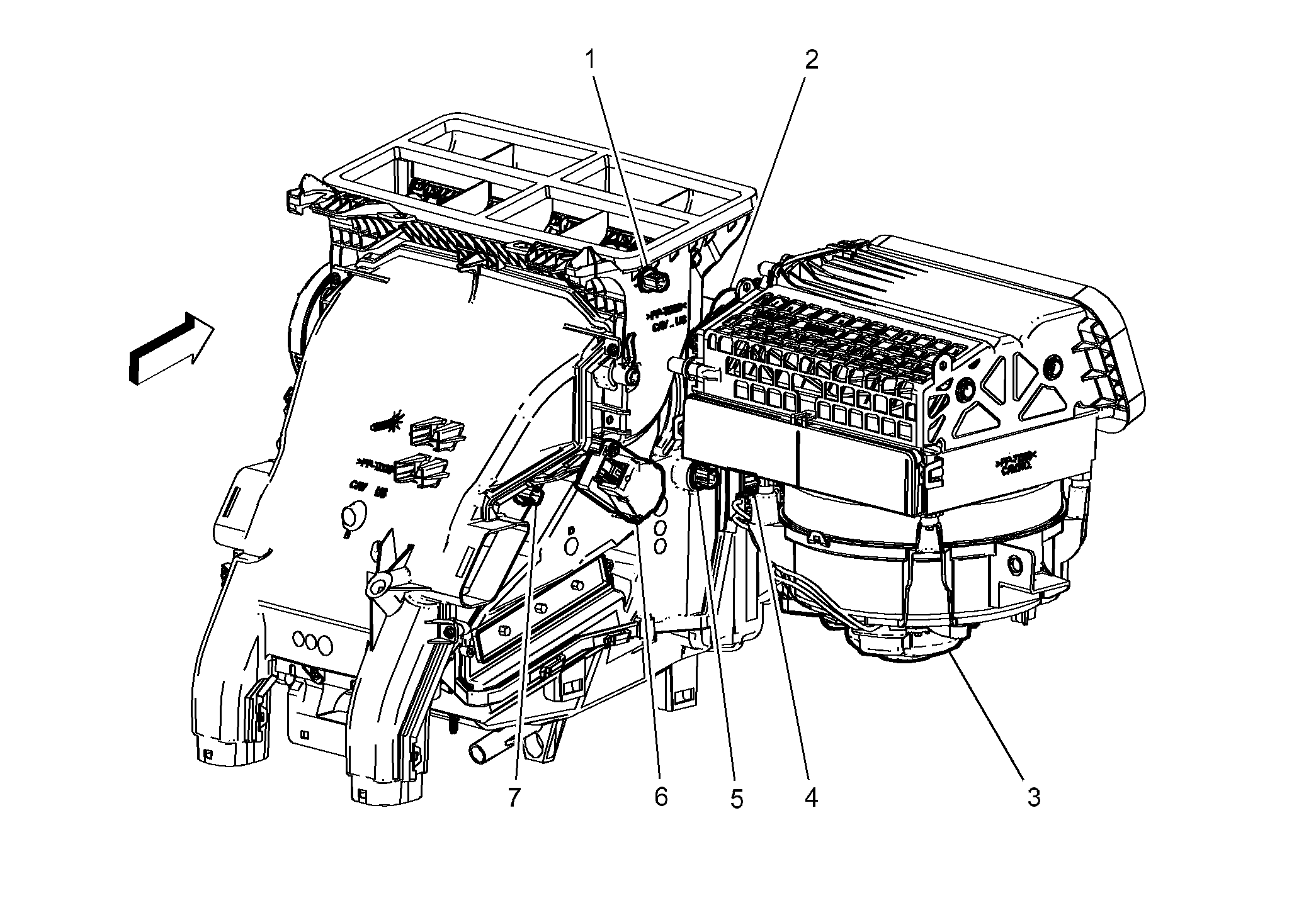
Component Name Callout
B7H Air Temperature Sensor - Duct Left Upper 1
M4 Air Inlet Door Actuator 2
M8 Blower Motor 3
K8 Blower Motor Control Module 4
B39 A/C Evaporator Temperature Sensor 5
M6 Air Temperature Door Actuator 6
B7J Air Temperature Sensor - Duct Right Upper 7
Fig 1: Right HVAC Components
GM2714956Courtesy of GENERAL MOTORS COMPANY