lemon-mirror:
Home >> Buick >> 2016 >> Verano Base, Gas >> Repair and Diagnosis >> Engine Performance >> System >> Data Communication System >> Schematic Wiring Diagrams >> Data Communication Wiring Schematics >> Low Speed Bus

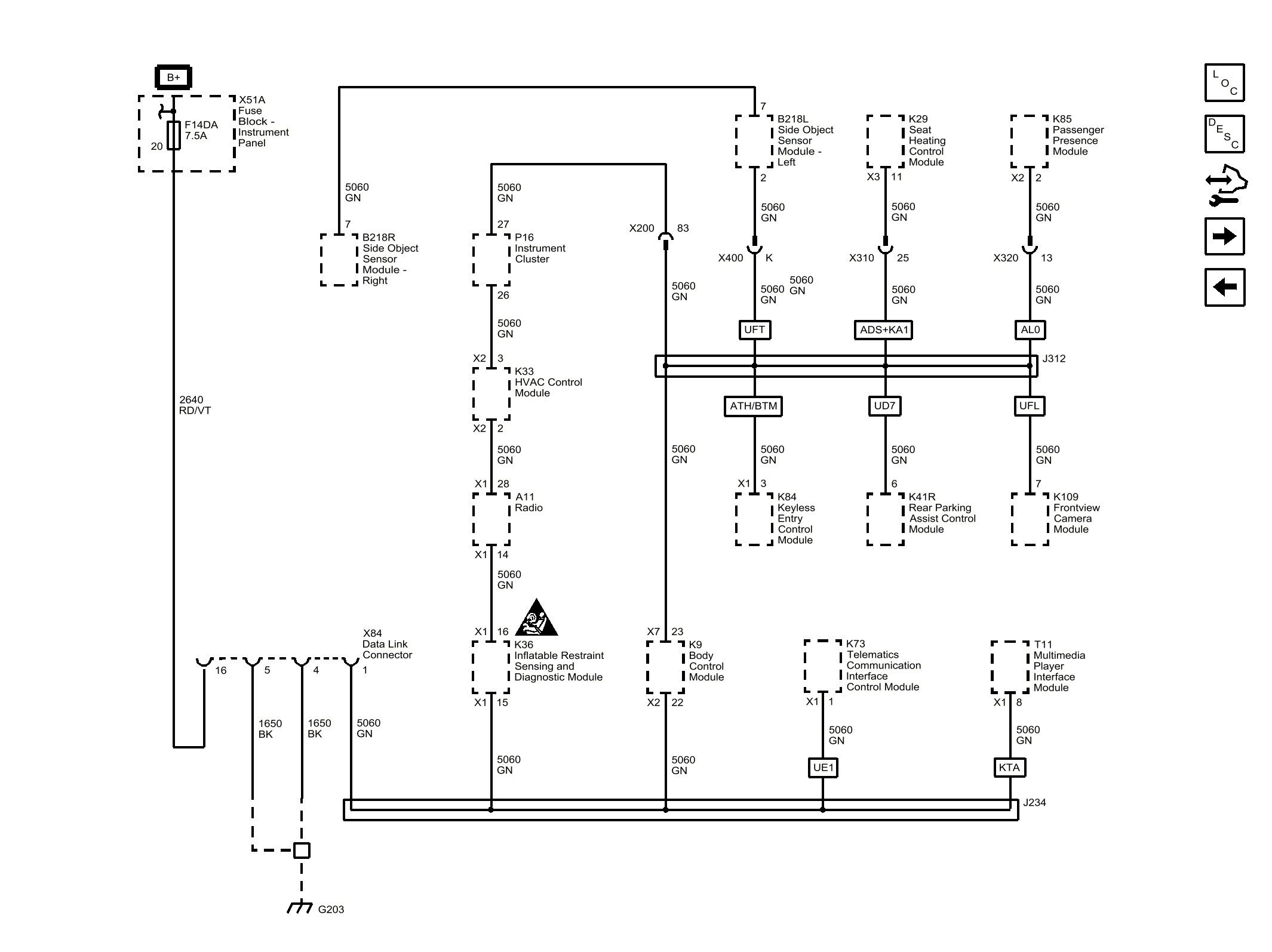
Low Speed Bus

Fig 1: Low Speed Bus
GM4082636Courtesy of GENERAL MOTORS COMPANY