lemon-mirror:
Home >> Cadillac >> 1977 >> Seville >> Repair and Diagnosis >> Body & Frame >> Windows >> Window Controls - Electric >> Testing >> Window Motor

Window Motor

Check power feed wire to motor terminals, if power is available, check motor ground. Inspect window regulator and channels for possible binding. Connect a jumper wire to power source and one of the motor terminals, then connect to the other motor terminal. Motor should operate window up and down, if not, replace motor.

Fig 1: "B", "C", "D", "E" & "K" Four Door Models Power Window Wiring Diagram
G09344061Courtesy of GENERAL MOTORS COMPANY
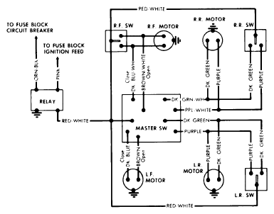
Fig 2: "A" & "X" Body Four Door Model Window Wiring Diagram (Two Door Models Similar)
G09344062Courtesy of GENERAL MOTORS COMPANY
Fig 3: "F" Body Power Window Wiring Diagram ("B", "C" & "E" Body Two Door Models Similar)
G09344063Courtesy of GENERAL MOTORS COMPANY
Fig 4: Corvette Power Window Wiring Diagram
G09344064Courtesy of GENERAL MOTORS COMPANY