lemon-mirror:
Home >> Cadillac >> 1987 >> Allante F7/ME9 >> Repair and Diagnosis >> Engine Performance >> System >> Self-Diagnostics >> Data Communication Circuit Charts >> System Check Chart D-2: Data Circuit Problem

System Check Chart D-2: Data Circuit Problem

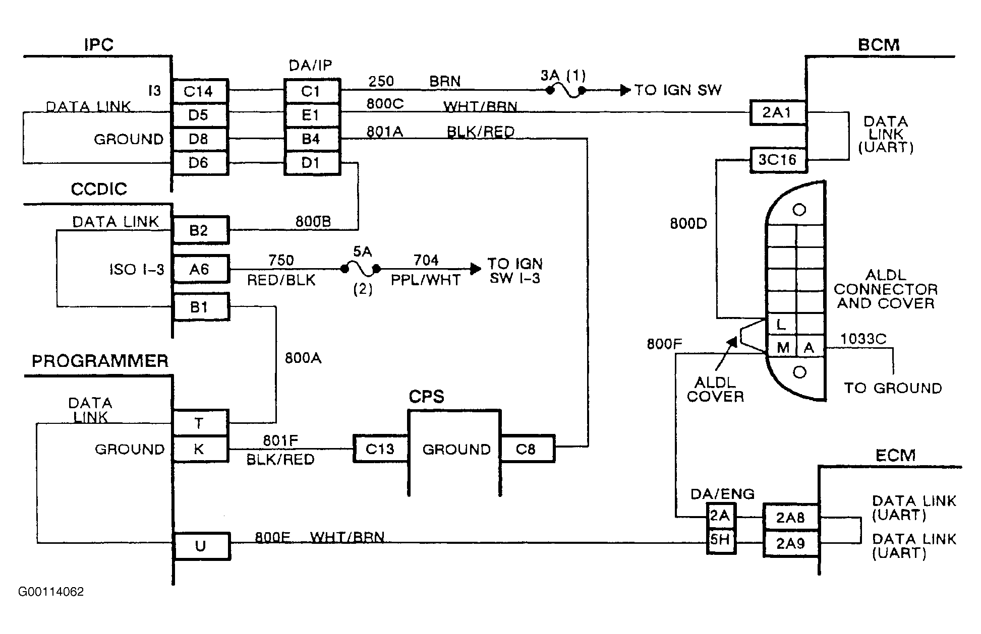
NOTE: The following step numbers refer to circled numbers on diagnostic chart. See Fig 1 . For circuit identification, see Figure .
  1. The fault has been isolated to between the ALDL and the programmer. This step checks circuit 8OOF.
  2. This will determine if the hardware (ECM or Programmer) are suspect, or if the condition is in circuit 800E.
  3. The problem is within the ECM, Programmer ground, or Programmer, reconnecting the programmer will isolate the ECM.
Fig 1: Identifying Chart D-2: Data Circuit Problem Flow Chart
G00114064Courtesy of GENERAL MOTORS CORP.