lemon-mirror:
Home >> Cadillac >> 1987 >> Allante F7/ME9 >> Repair and Diagnosis >> Engine Performance >> System >> Self-Diagnostics >> Display Panel Charts >> System Check Chart B-1

System Check Chart B-1

You have been directed to this chart from the self diagnostic system check chart due to one or all of the displays being blank. This could be caused by a BCM, CPS, CCDIC, IPC, or power problem.

NOTE: On intermittents check circuits No. 640, 812A, "B" and, "C" for short to ground.
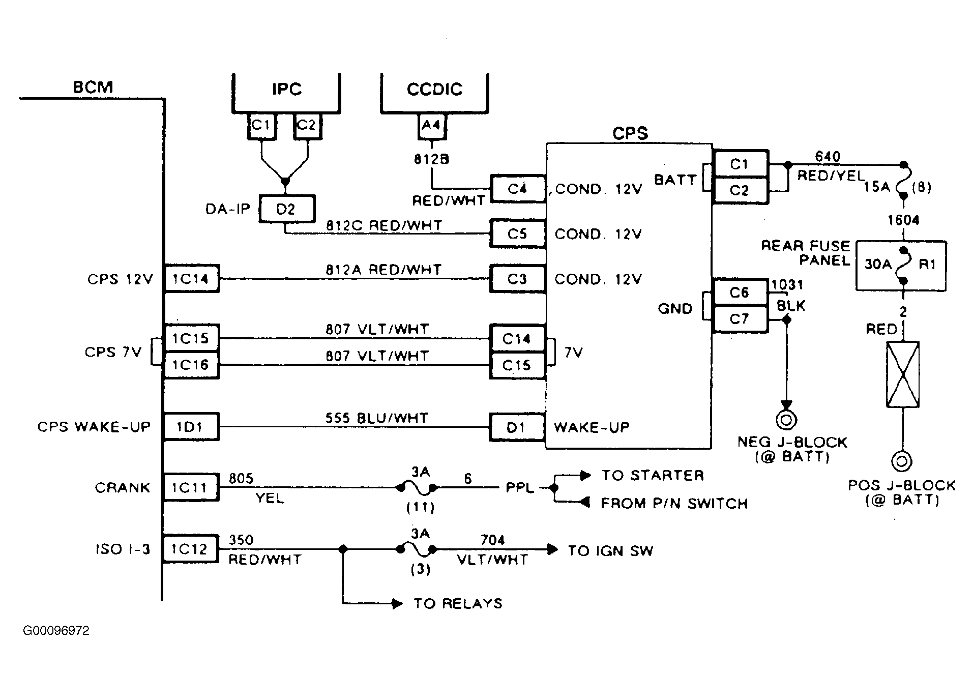
NOTE: The following step numbers refer to circled numbers on diagnostic chart. See Fig 1 . For circuit identification, see Fig 2 .
  1. Tests to see if BCM is able to "wake-Up" the CPS and turn on the brake lights.
  2. Checks for ignition-3 (I-3) input to the BCM.
  3. This checks circuit 812A for correct 12-volt output.
  4. There is an open in the supply to the fuse, or between the fuse and the CPS.
  5. Determines if there is a current or intermittent circuit failure.
Fig 1: Identifying Chart B-1 Flow Chart
G00096971Courtesy of GENERAL MOTORS CORP.
Fig 2: Identifying Chart B-1 Flow Chart Circuit
G00096972Courtesy of GENERAL MOTORS CORP.