lemon-mirror:
Home >> Cadillac >> 1987 >> Allante F7/ME9 >> Repair and Diagnosis >> Engine Performance >> System >> Self-Diagnostics >> Display Panel Charts >> System Check Chart B-4

System Check Chart B-4

You have been sent to this chart due to display problems with the CCDIC or IPC. This chart will lead through a check of power and ground circuits to the effected display.

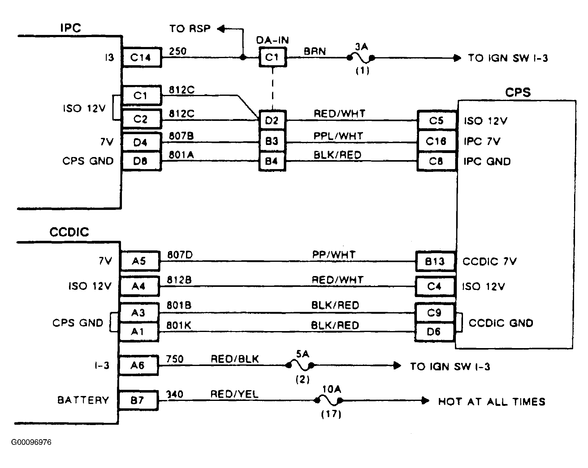
NOTE: The following step numbers refer to circled numbers on diagnostic chart. See Fig 1 . For circuit identification, see Figure .
  1. This step assures that the BCM is initialized correctly to observe the symptoms.
  2. If the IPC voltmeter does not display system voltage but the DIC does display, the problem is circuit 250, or diagnostic should function.
  3. If the DIC is black (not lit) some characters may be seen faintly, with no backlighting. This branch will check power and grounds for the CCDIC.
Fig 1: Identifying Chart B-4 Flow Chart
G00114054Courtesy of GENERAL MOTORS CORP.