lemon-mirror:
Home >> Cadillac >> 1987 >> Seville >> Repair and Diagnosis >> Engine Performance >> System >> DFI BCM Tests W/Codes >> Code B119 - Twilight Photocell Circuit >> Notes On INTERMITTENTS

Notes On INTERMITTENTS

If intermittent code is being set, check for loose or dirty connections. Also, check corroded terminal ends.

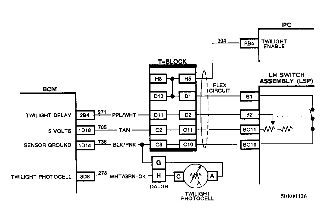
Fig 1: Schematic, Code B119 - Twilight Photocell Circuit
G50E00426
Fig 2: Flow Chart, Code B119 - Twilight Photocell Circuit
G50F00427
NOTE: Make sure nothing is covering photo sensor before following this procedure.
Fig 3: Flow Chart, Code B119 - Twilight Photocell Circuit
GB0048187