lemon-mirror:
Home >> Cadillac >> 1987 >> Seville >> Repair and Diagnosis >> Engine Performance >> System >> DFI BCM Tests W/Codes >> Code B121 - Twilight Enable Switch >> Notes On INTERMITTENTS

Notes On INTERMITTENTS

If intermittent code is being set, check for loose or dirty connections. Also, check corroded terminal ends.

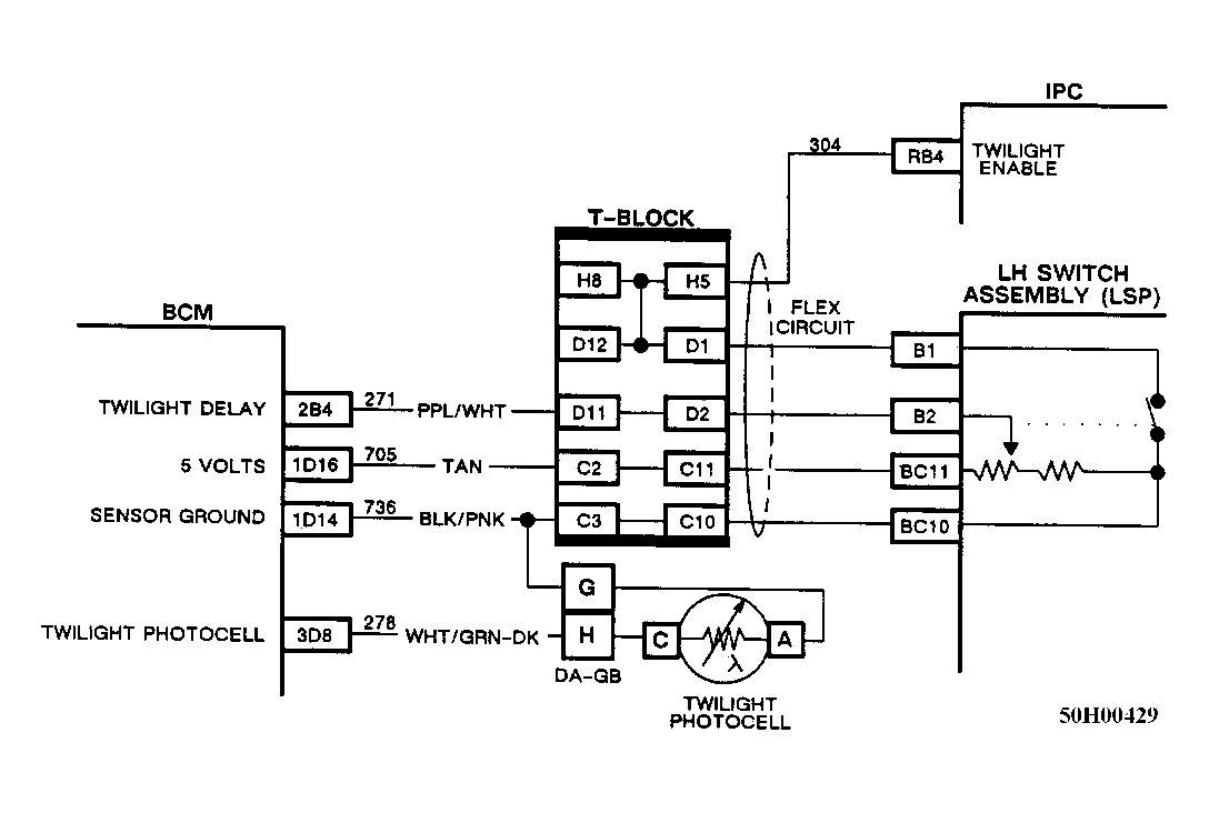
Fig 1: Schematic, Code B121 - Twilight Enable Switch
G50H00429
Fig 2: Flow Chart, Code B121 - Twilight Enable Switch
G4435
Fig 3: Flow Chart, Code B121 - Twilight Enable Switch
GB0048189