lemon-mirror:
Home >> Cadillac >> 1987 >> Seville >> Repair and Diagnosis >> Engine Performance >> System >> DFI BCM Tests W/Codes >> Code B334 - Loss Of ECM Data >> Notes On INTERMITTENTS

Notes On INTERMITTENTS

If intermittent code is being set, check for loose or dirty connections. Also, check corroded terminal ends.

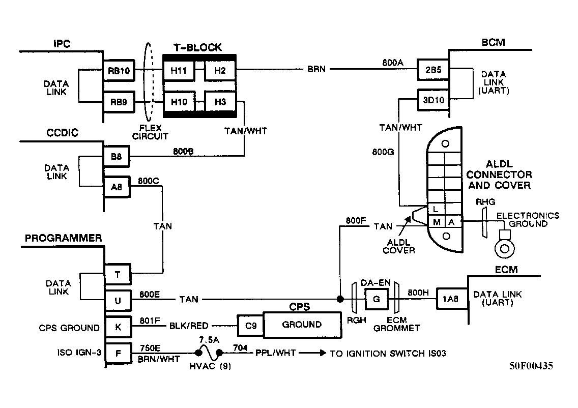
Fig 1: Schematic, Code B334 - Loss of ECM Data
G50F00435
Fig 2: Flow Chart, Code B334 - Loss of ECM Data
G4444
Fig 3: Flow Chart, Code B334 - Loss of ECM Data
GB0048195