lemon-mirror:
Home >> Cadillac >> 1987 >> Seville >> Repair and Diagnosis >> Engine Performance >> System >> DFI BCM Tests W/Codes >> Code B337 - Loss Of HVAC Programmer Data >> Notes On INTERMITTENTS

Notes On INTERMITTENTS

If intermittent code is being set, check for loose or dirty connections. Also, check corroded terminal ends.

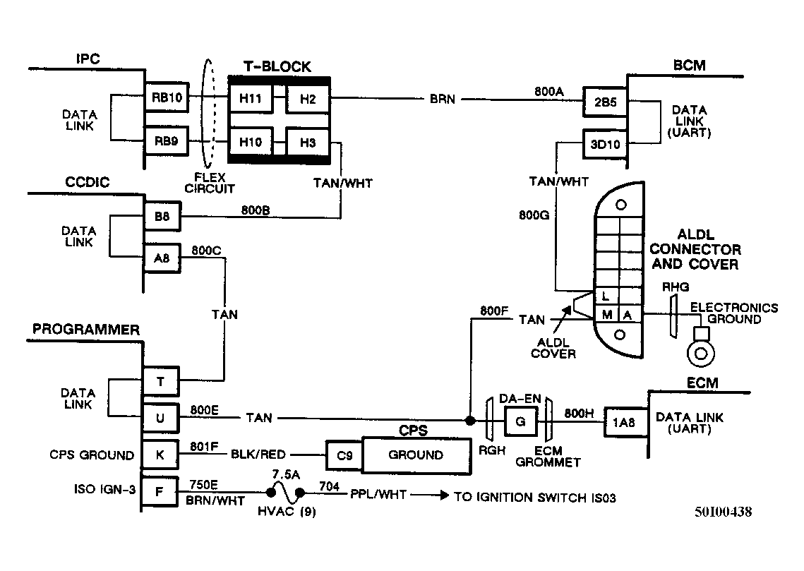
Fig 1: Schematic, Code B337 - Loss of HVAC Programmer Data
G50I00438
Fig 2: Flow Chart, Code B337 - Loss of HVAC Programmer Data
G4446
Fig 3: Flow Chart, Code B337 - Loss of HVAC Programmer Data
GB0048197