lemon-mirror:
Home >> Cadillac >> 1988 >> Seville Base >> Repair and Diagnosis >> Engine Performance >> System >> DFI BCM Tests W/Codes >> BCM Code B441 - Cooling Fans Problem >> Notes On INTERMITTENTS

Notes On INTERMITTENTS

If intermittent code B441 is being set, manipulate related wiring while observing cooling fans feedback input BI41, and commanding high fans or fans off in override diagnostic mode. If failure is induced, fans status will not agree with commanded operation. This will help to isolate location of malfunction.

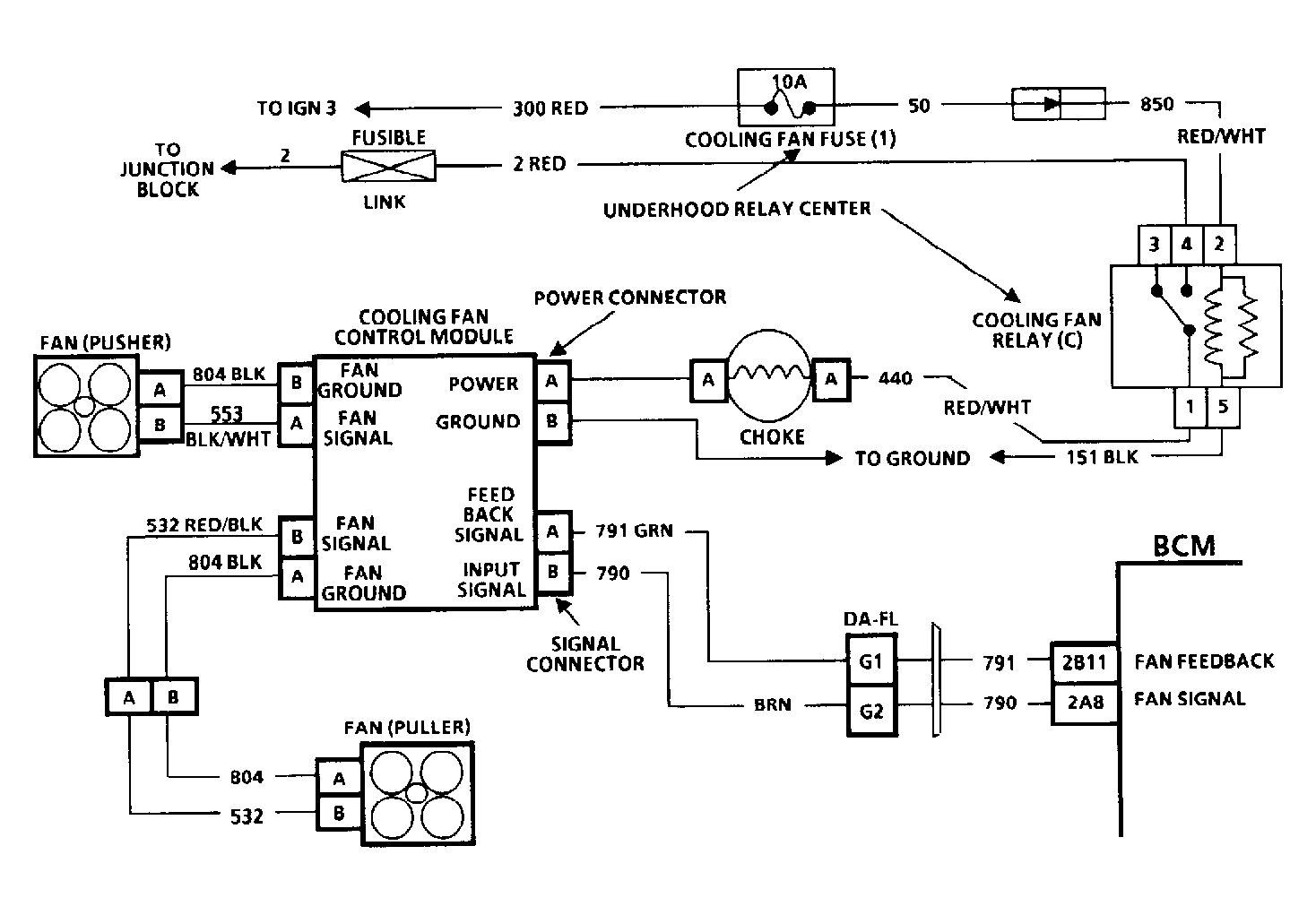
Fig 1: Code B441 Schematic, Cooling Fans Problem
G53950
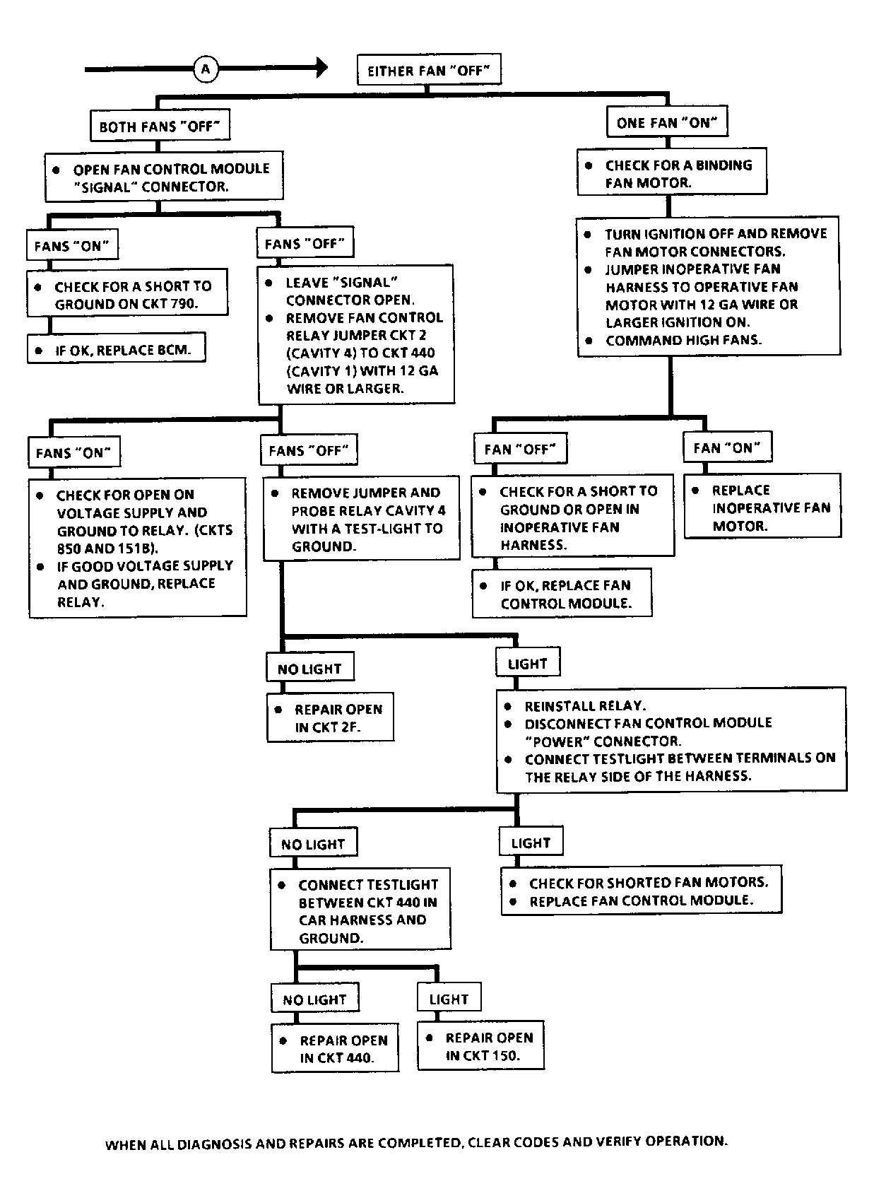
Fig 2: Code B441 Flow Chart, Cooling Fans Problem (1 Of 2)
G57439
Fig 3: Code B441 Flow Chart, Cooling Fans Problem (1 Of 2)
GB0048590
Fig 4: Code B441 Flow Chart, Cooling Fans Problem (2 Of 2)
GB0048591
Fig 5: Code B441 Flow Chart, Cooling Fans Problem (2 Of 2)
G57438
Fig 6: From Code B441 (1 Of 2)
GB0048592