lemon-mirror:
Home >> Cadillac >> 1989 >> Seville Base >> Repair and Diagnosis >> Engine Performance >> System >> DFI SYS/Component Tests >> Chart B2 - BCM-To-IPC Communication Problem

Chart B2 - BCM-To-IPC Communication Problem

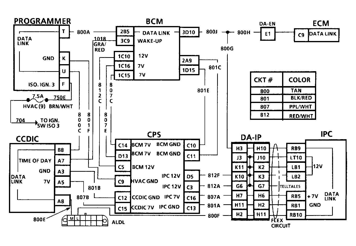
Fig 1: Chart B2, BCM-To-IPC Communication Problem Schematic
G57274

You are at this chart because the odometer, with key on, read all zeroes and courtesy lights turned on when switch was actuated. These symptoms indicate a loss of BCM data communication to Instrument Panel Cluster (IPC), which is a result of one of several different possible problems.

NOTE: Test numbers refer to test numbers on diagnostic chart.
  1. If ALDL connector cover is off or loose, this could cause a break in data circuit, cutting off BCM communication to IPC under certain electrical conditions. If so, securely connect ALDL cover and return to beginning of the SELF-DIAGNOSTIC SYSTEM CHECK.
  2. Isolates ALDL connector, the ECM and programmer from data circuit in order to determine location of fault. If odometer reads actual accumulated miles, the fault lies within network between ALDL connector, the ECM and programmer.
  3. Checks to see if fault is due to ECM and its related data circuits, or the programmer and its related circuits.
  4. Determines if fault is associated with IPC or BCM.
  5. Determines if fault is due to programmer, progammer's logic, or ground circuit No. 801 from Central Power Supply (CPS).
Fig 2: Flow Chart B2, BCM-to-IPC Communication Problem
G111760
Fig 3: Flow Chart B2, BCM-to-IPC Communication Problem
GB0046503