lemon-mirror:
Home >> Cadillac >> 1991 >> Seville Base >> Repair and Diagnosis >> Engine Performance >> System >> Engine Controls - Tests W/Codes >> Diagnostic Tests >> Pcm Code EO38, Open Mat Sensor Circuit >> Note On Intermittents

Note On Intermittents

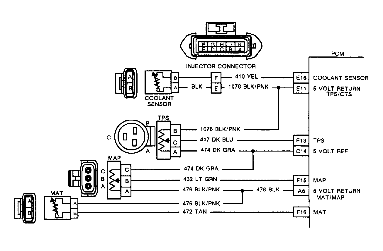
Manipulate circuits No. 472 and 476 wiring, MAT connector, and PCM connector while observing PCM parameter ED05. If failure is induced, MAT will jump from its normal value to open signal circuit reading of -35°C to -40°C. If wiring and connectors are okay, substitute a known good sensor and retest.

Fig 1: PCM Code EO38, Schematic, Open MAT Sensor Circuit
G91E07541
Fig 2: Flow Chart, PCM Code EO38, Open MAT Sensor Circuit
GB0022533