lemon-mirror:
Home >> Cadillac >> 1992 >> Seville Base >> Repair and Diagnosis >> Engine Performance >> System >> Engine Controls - Tests W/Codes >> Pcm Code Charts >> Pcm Code E032, Open Map Sensor Circuit >> Note On Intermittents

Note On Intermittents

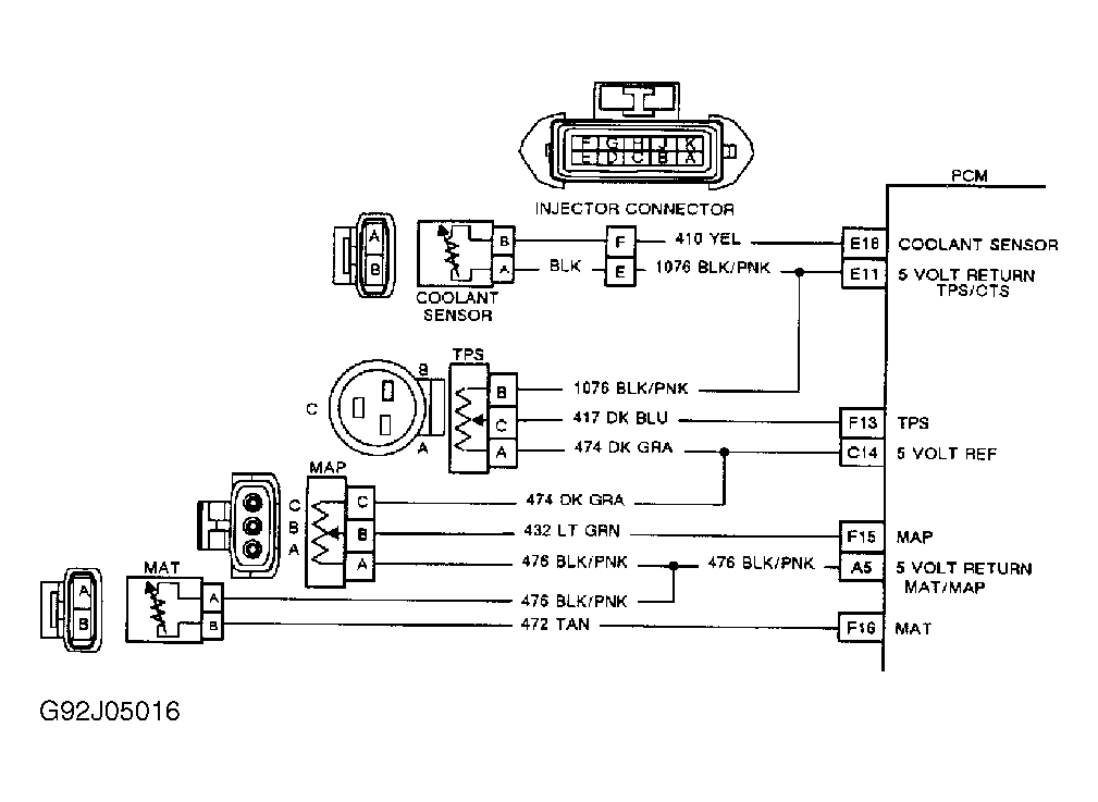
PCM Code E032 can be set by an open 5-volt reference signal between PCM and sensor, an open MAP signal between sensor and PCM or a defective MAP sensor. Manipulate affected wiring and connectors while observing PCM parameter ED02. Apply and release vacuum to MAP sensor vacuum port using a vacuum source. If PCM parameter ED02 displays less than 15 kPa, condition has been induced and cause of intermittent can be repaired. If wiring and connectors are okay, substitute a known good sensor, and retest.

Fig 1: PCM Code E032, Schematic, Open MAP Sensor Circuit
G92J05016Courtesy of GENERAL MOTORS CORP.
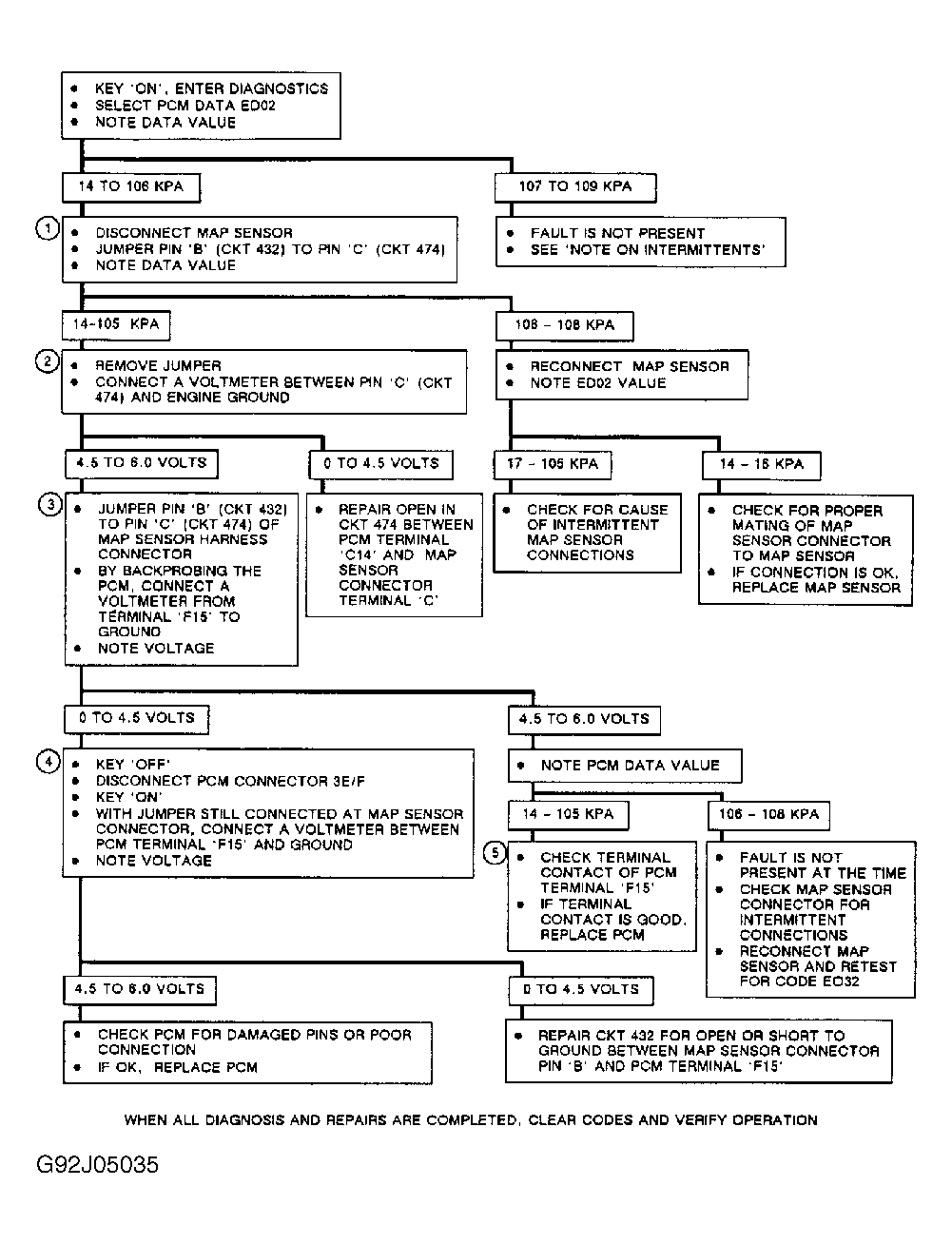
Fig 2: PCM Code E032, Flow Chart, Open MAP Sensor Circuit
G92J05035Courtesy of GENERAL MOTORS CORP.
Fig 3: PCM Code E032
GB0011188