lemon-mirror:
Home >> Cadillac >> 1995 >> Fleetwood Base >> Repair and Diagnosis >> Engine Performance >> System >> Engine Controls - Tests W/Codes >> ECM/Pcm Code Charts >> Code 72, Vehicle Speed Sensor Loss

Code 72, Vehicle Speed Sensor Loss

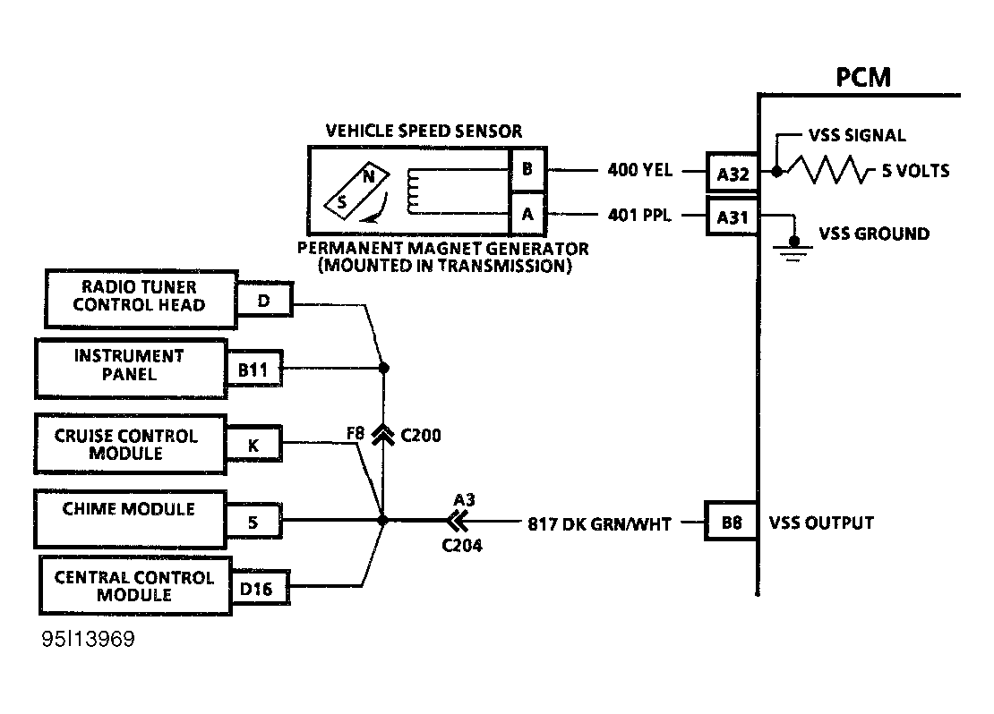
Speed sensor, which is a Permanent Magnet (PM) generator, provides control module with vehicle speed information. PM generator, mounted in transmission, produces a pulsing AC voltage signal whenever vehicle speed is greater than about 2 MPH. Voltage level and pulses increase with vehicle speed. Control module converts pulsing voltage to MPH, which is used by control module to calculate vehicle adjustments.

NOTE: Test numbers refer to numbers on diagnostic chart.
  1. An intermittent connection at VSS or PCM may cause code to set. Inspect harness and all related connections. Check for damage or pushed out terminals.
  2. Ensure harness is routed away from hot exhaust components.
  3. If software/calibration is incorrect, code will set. Ensure calibration is correct before replacing PCM.
Fig 1: Code 72 Schematic (Fleetwood) Vehicle Speed Sensor Loss
G95I13969
Fig 2: Code 72 Diagnostic Flow Chart (Fleetwood) Vehicle Speed Sensor Loss
G95E14237