lemon-mirror:
Home >> Cadillac >> 1999 >> Eldorado Base >> Repair and Diagnosis >> Electrical >> Component Locations >> Electrical Component Locator >> Component Location Graphics

Component Location Graphics

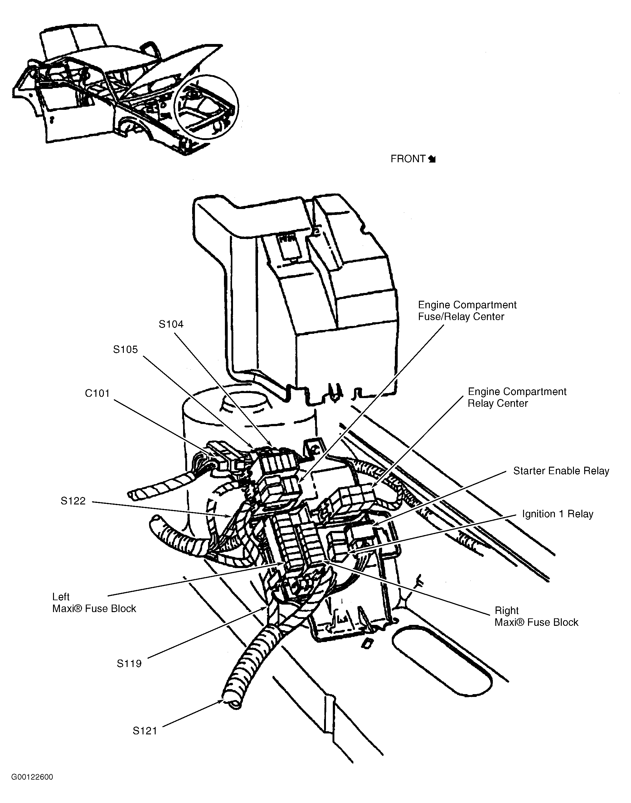
NOTE: Figures may show multiple component locations. Refer to appropriate table for proper figure references.
Fig 1: Left Top Of Engine
G97D00201
Fig 2: Left Rear Top Of Engine
G98F02011
Fig 3: Left Side Of Engine Compartment
G00122600
Fig 4: Behind Rear Seat Back
G00122596