lemon-mirror:
Home >> Cadillac >> 2000 >> Eldorado ESC >> Repair and Diagnosis >> Electrical >> Component Locations >> Electrical Component Locator >> Control Units

Control Units

CONTROL UNITS

Component Component Location
Blower Motor Resistor Module (Rear) Under center console, near rear blower motor.
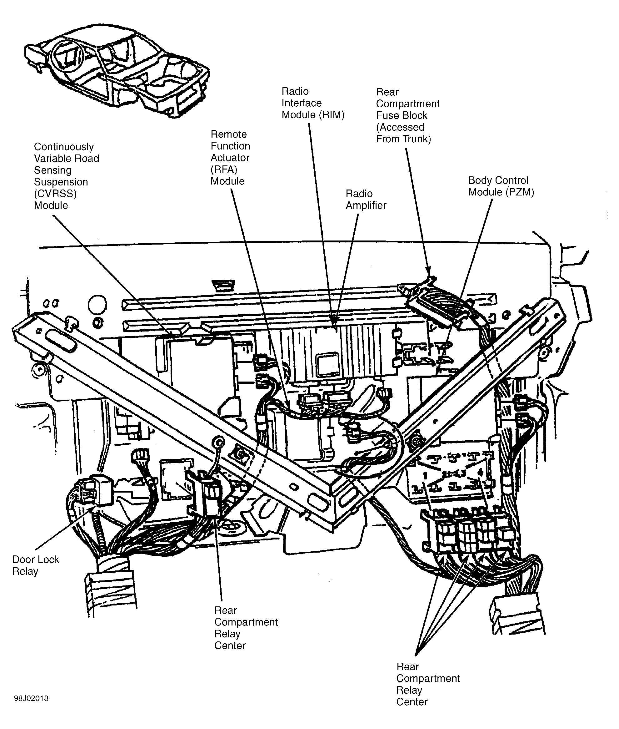
Body Control Module (PZM) Front of rear compartment, attached to electronics bay. See Figure .
Cellular Telephone Module Right rear compartment, near power antenna.
Continuously Variable Road Sensing Suspension (CVRSS) Module Front of rear compartment, attached to electronics bay. See Figure .
Cruise Control Module Left rear of engine compartment, on strut tower.
Electronic Brake & Traction Control Module (EBTCM) Left front corner of engine compartment, on brake pressure modulator valve.
Heated Seat Relay Module (Left/Right) Under respective front seat, on seat adjuster frame.
Heater & A/C Programmer Behind right side of dash, behind glove box.
Inflatable Restraint Sensing & Diagnostic Module (SDM) Under driver's seat.
Ignition Control Module (ICM) On right top of engine, under ignition coils.
Memory Mirror Module (MMM) Under left dash, above brake pedal.
Memory Seat Module (MSM) Under driver's seat.
Powertrain Control Module (PCM) Left front of engine compartment, under air cleaner housing.
Radio Amplifier Front of rear compartment, attached to electronics bay. See Figure .
Radio Interface Module (RIM) Front of rear compartment, attached to electronics bay. See Figure .
Remote Function Actuator (RFA) Module Front of rear compartment, attached to electronics bay. See Figure .
Sun Roof Control Module Above headliner, near sun roof.
Turn Signal Flasher Behind left side of dash, left of steering column.
Windshield Wiper/Washer Module On left side of firewall, in engine compartment.