lemon-mirror:
Home >> Cadillac >> 2002 >> Escalade EXT >> Repair and Diagnosis >> External Pages >> Different car >> Section 1190 (Keyless Entry System) >> Schematic and Routing Diagrams >> Keyless Entry Schematics

Keyless Entry Schematics

WARNING: This page is about a different car, the 2004 Chevrolet Corvette. However, it is still accessible from the selected car via links, so may be relevant.
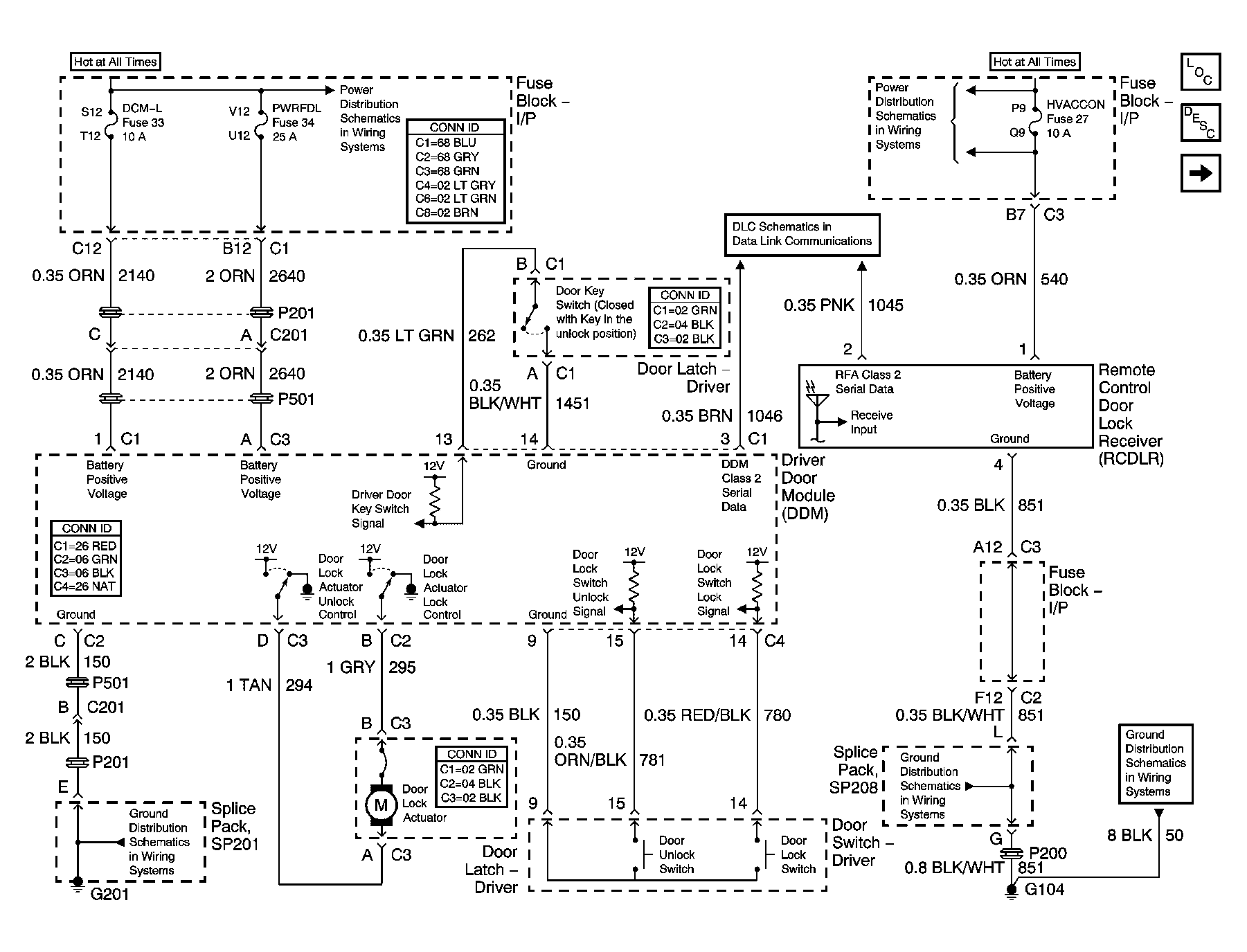
Fig 1: Driver Door Schematic
GM690491Courtesy of GENERAL MOTORS CORP.
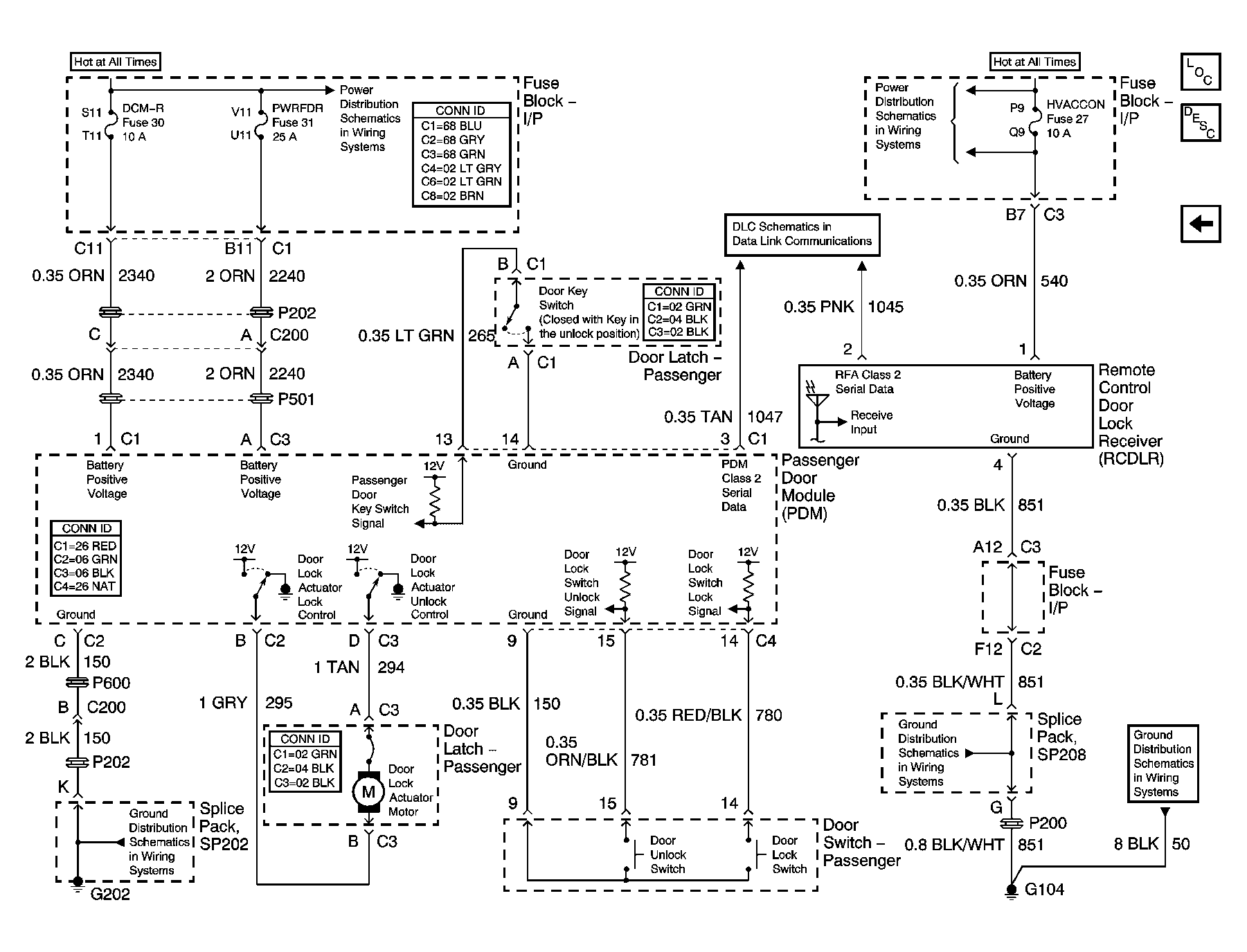
Fig 2: Passenger Door Schematic
GM690504Courtesy of GENERAL MOTORS CORP.