lemon-mirror:
Home >> Cadillac >> 2004 >> Seville >> Repair and Diagnosis >> Engine Performance >> System >> Engine Controls -- 4.6L - Introduction >> Schematic and Routing Diagrams >> Engine Controls Schematics

Engine Controls Schematics

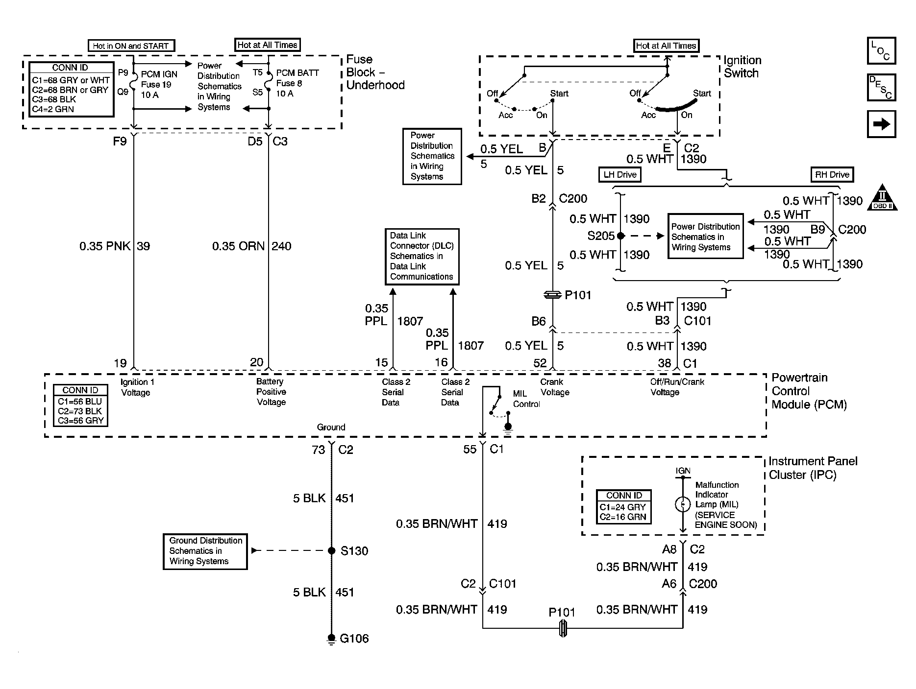
Fig 1: Module Power, Ground, Serial Data, and MIL Schematic
GM1220523Courtesy of GENERAL MOTORS CORP.
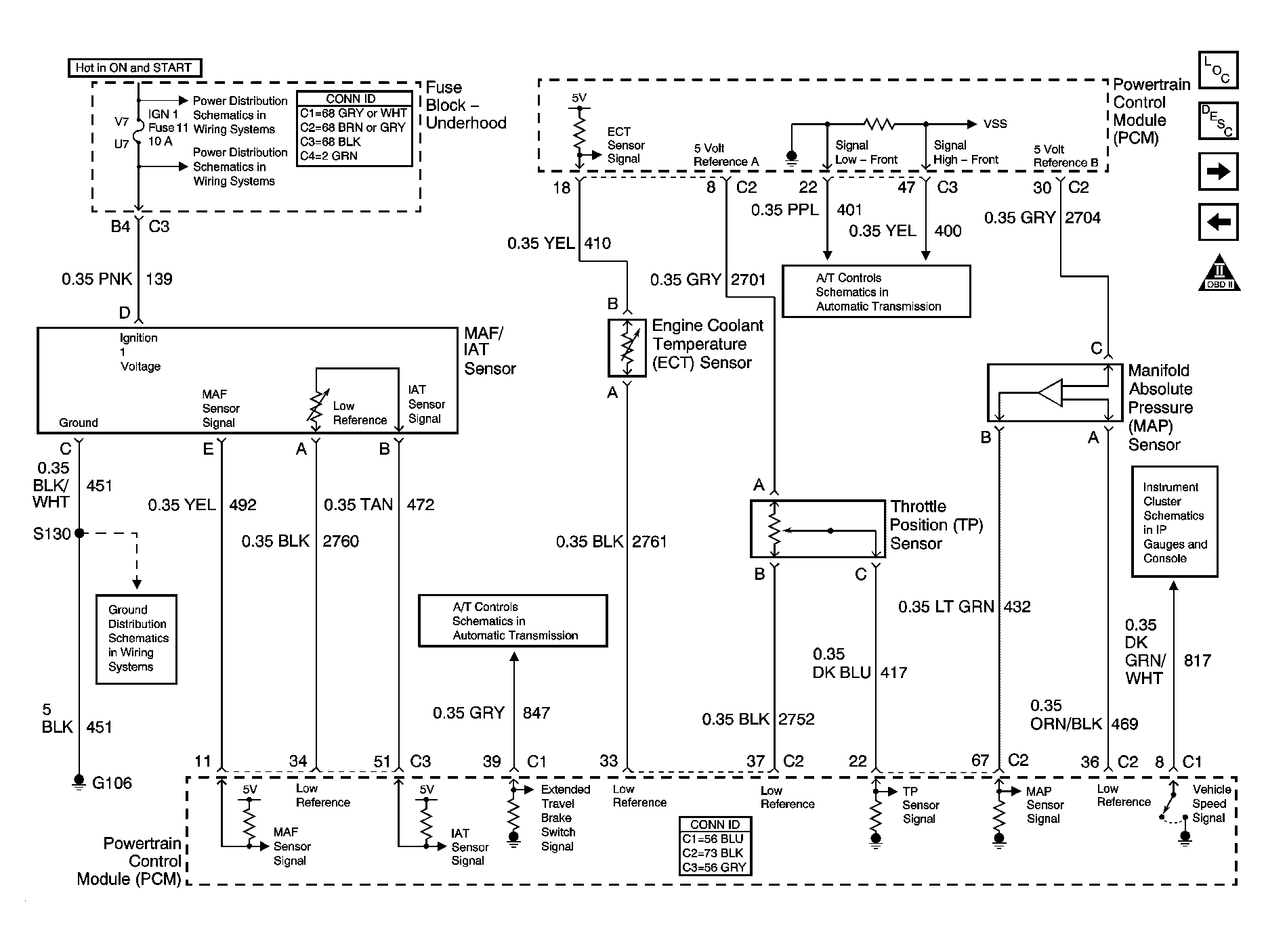
Fig 2: Engine Data Sensors - 5 Volt and Low Reference Schematic
GM1220557Courtesy of GENERAL MOTORS CORP.
Fig 3: Engine Data Sensors - Pressure and Temperature Schematic
GM1220560Courtesy of GENERAL MOTORS CORP.
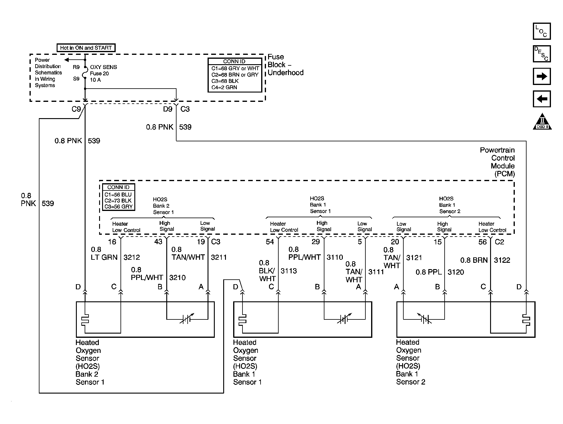
Fig 4: Engine Data Sensors - HO2S Schematic
GM1220566Courtesy of GENERAL MOTORS CORP.
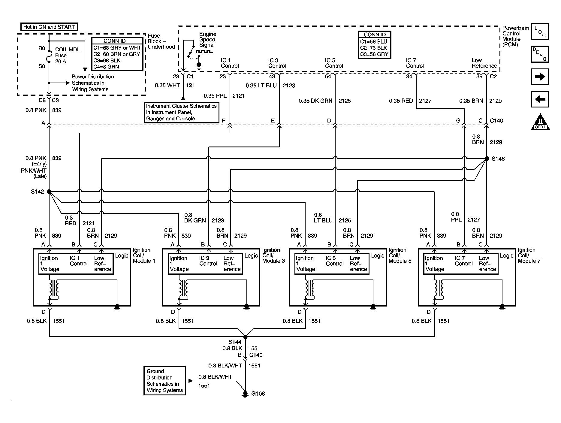
Fig 5: Ignition Coil/Module 1,3,5, and 7 Schematic
GM1370975Courtesy of GENERAL MOTORS CORP.
Fig 6: Ignition Coil/ Modules 2,4,6, and 8 Schematic
GM1370977Courtesy of GENERAL MOTORS CORP.
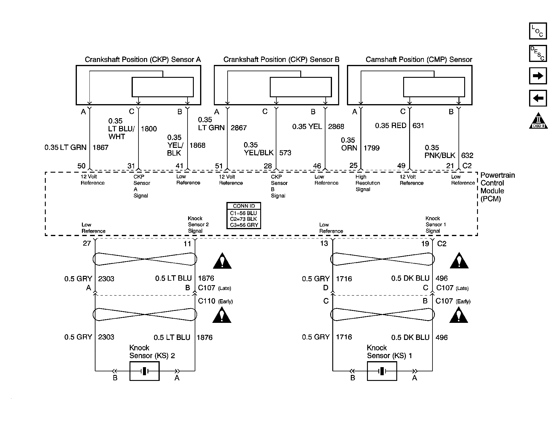
Fig 7: Ignition Controls - Sensors Schematic
GM1220576Courtesy of GENERAL MOTORS CORP.
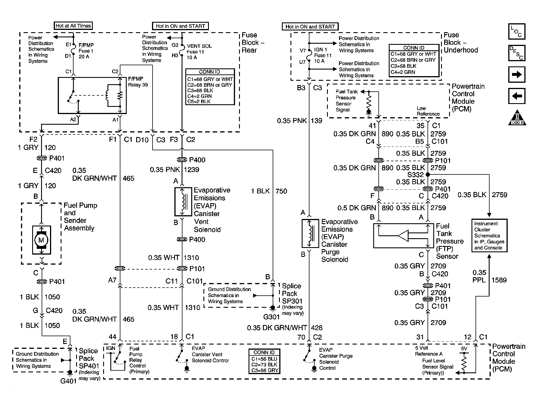
Fig 8: Fuel Controls - Fuel Pump and EVAP Controls Schematic
GM1220580Courtesy of GENERAL MOTORS CORP.
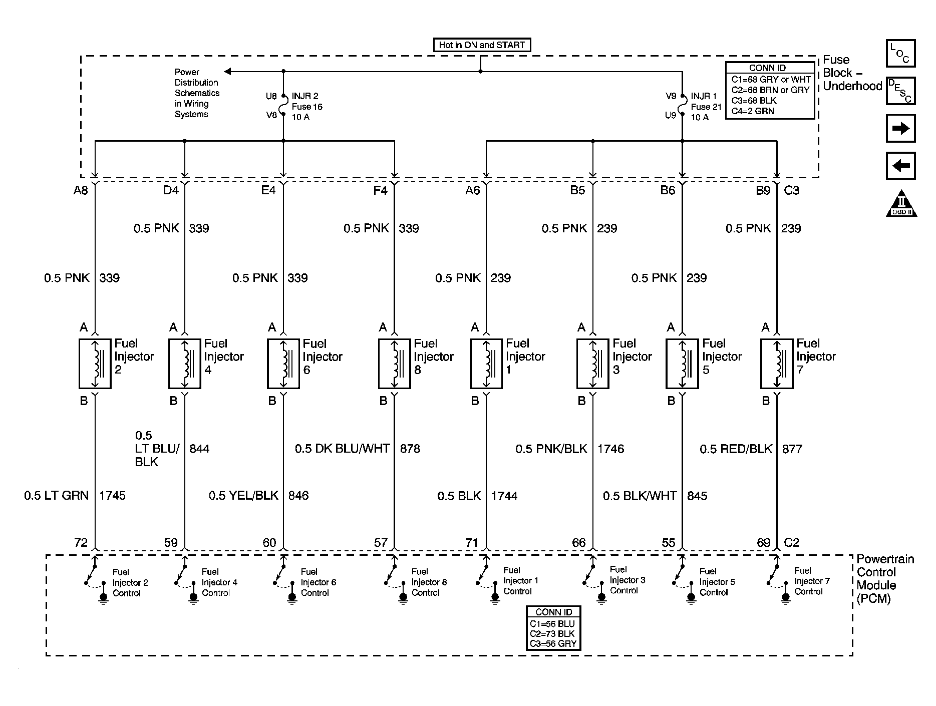
Fig 9: Fuel Controls - Fuel Injectors Schematic
GM1220590Courtesy of GENERAL MOTORS CORP.
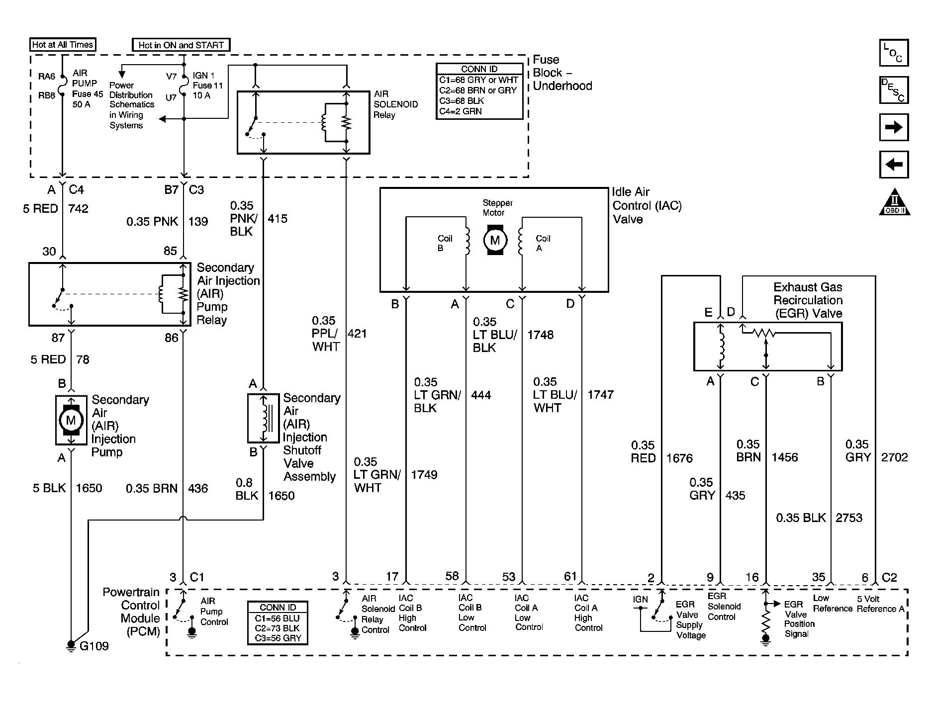
Fig 10: Device Controls Schematic
GM1220595Courtesy of GENERAL MOTORS CORP.
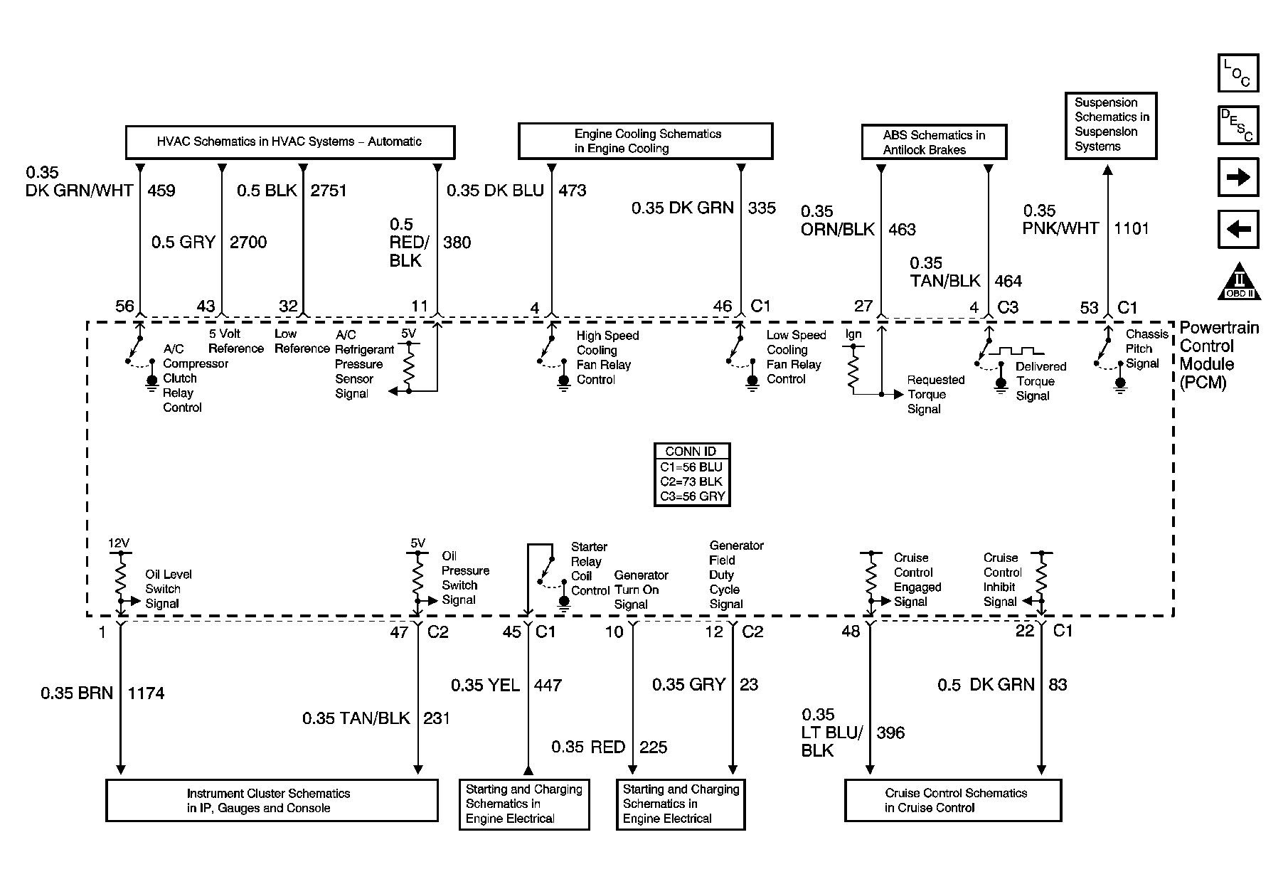
Fig 11: Controlled/Monitored Subsystem References Schematic
GM1220600Courtesy of GENERAL MOTORS CORP.
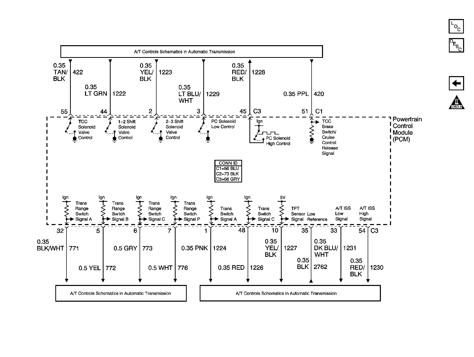
Fig 12: Transmission Controls - A/T Schematic
GM1220607Courtesy of GENERAL MOTORS CORP.