lemon-mirror:
Home >> Cadillac >> 2005 >> CTS Base, 2.8 T, Automatic >> Repair and Diagnosis >> Engine Performance >> System >> Engine Controls - 2.8L - Introduction >> Component Locator >> Engine Controls Component Views

Engine Controls Component Views

Fig 1: Engine Control Components - Bank 1
GM883907Courtesy of GENERAL MOTORS CORP.
Callout Component Name
1 Intake Manifold Runner Control (IMRC) Solenoid
2 Ignition Coil 5
3 Evaporative Emission (EVAP) Canister Purge Solenoid Valve
4 Ignition Coil 3
5 Ignition Coil 1
6 Throttle Body Assembly
7 Knock Sensor (KS) - Bank 1
8 Crankshaft Position (CKP) Sensor
9 Engine Block Heater Assembly
Fig 2: Engine Control Components - Bank 2
GM883906Courtesy of GENERAL MOTORS CORP.
Callout Component Name
1 Ignition Coil 2
2 Ignition Coil 4
3 Ignition Coil 6
4 Barometric Pressure (BARO) Sensor
5 Intake Manifold Runner Control (IMRC) Solenoid
6 Engine Coolant Temperature (ECT) Sensor
7 Knock Sensor (KS) - Bank 2
8 Engine Oil Level/Temperature Sensor
9 Engine Oil Pressure (EOP) Sensor
Fig 3: Camshaft Position (CMP) Sensors and Camshaft Actuator Solenoids Component View
GM868189Courtesy of GENERAL MOTORS CORP.
Callout Component Name
1 Camshaft Position (CMP) Sensor - Exhaust Bank 1
2 Camshaft Position (CMP) Actuator Solenoid - Exhaust Bank 1
3 Camshaft Position (CMP) Actuator Solenoid - Intake Bank 1
4 Camshaft Position (CMP) Sensor - Intake Bank 1
5 Camshaft Position (CMP) Sensor - Intake Bank 2
6 Camshaft Position (CMP) Actuator Solenoid - Intake Bank 2
7 Camshaft Position (CMP) Actuator Solenoid - Exhaust Bank 2
8 Camshaft Position (CMP) Sensor - Exhaust Bank 2
Fig 4: Top of Engine Components
GM1379201Courtesy of GENERAL MOTORS CORP.
Callout Component Name
1 Barometric Pressure (BARO) Sensor
2 C101
3 C102
4 Ground G133
5 C121
6 EVAP Canister Purge Solenoid Valve
7 Engine Control Module (ECM)
8 C121
9 Ground G132
10 ECM Case Ground
11 Throttle Body Assembly
12 Engine Control Module (ECM) Connector C1
13 Engine Control Module (ECM) Connector C2
14 C120
15 Mass Air Flow (MAF) and Intake Air Temperature (IAT) Sensor
16 Mass Air Flow (MAF) and Intake Air Temperature (IAT) Sensor Connector
Fig 5: Right Rear Of Engine Component View
GM1334175Courtesy of GENERAL MOTORS CORP.
Callout Component Name
1 Intake Manifold Runner Control (IMRC) Solenoid
2 EVAP Canister Purge Solenoid Valve
Fig 6: Left Rear Of Engine Component View
GM1334174Courtesy of GENERAL MOTORS CORP.
Callout Component Name
1 Barometric Pressure (BARO) Sensor
2 Intake Manifold Runner Control (IMRC) Solenoid
3 Ignition Coil 6
Fig 7: Heated Oxygen Sensors (HO2S)
GM1334171Courtesy of GENERAL MOTORS CORP.
Callout Component Name
1 HO2S - Bank 2 Sensor 1
2 HO2S - Bank 1 Sensor 1
3 HO2S - Bank 1 Sensor 2
4 HO2S - Bank 2 Sensor 2
Fig 8: Brake Pedal, Accelerator Pedal, BPP and APP Sensors
GM1334064Courtesy of GENERAL MOTORS CORP.
Callout Component Name
1 Accelerator Pedal Position (APP) Sensor
2 Accelerator Pedal
3 Brake Pedal
4 Brake Pedal Position (BPP) Sensor
Fig 9: Transmission Control Module Component View (TCM) (w/M82)
GM1334163Courtesy of GENERAL MOTORS CORP.
Callout Component Name
1 Fuse Block - Underhood
2 Transmission Control Module (TCM)
Fig 10: EVAP Canister Vent Solenoid Valve Component View
GM1378817Courtesy of GENERAL MOTORS CORP.
Callout Component Name
1 EVAP Canister
2 EVAP Canister Vent Solenoid Valve Connector
3 EVAP Canister Vent Solenoid Valve
Fig 11: Fuel Tank Subsystem Components View
GM1563054Courtesy of GENERAL MOTORS CORP.
Callout Component Name
1 Secondary Fuel Sender Assembly
2 Secondary Fuel Sender Assembly Connector
3 Secondary Fuel Sender Assembly (Removed from Fuel Tank)
4 Fuel Pump and Sender Assembly (Removed from Fuel Tank)
5 Fuel Pump and Sender Assembly
6 Fuel Pump and Sender Assembly Connector
Fig 12: EVAP Canister Vent Solenoid Valve Component View
GM1552329Courtesy of GENERAL MOTORS CORP.
Callout Component Name
1 C420
2 Fuel Tank Pressure Sensor
3 Fuel Tank Pressure Sensor Connector
Fig 13: Battery & C101 Component Views
GM1552989Courtesy of GENERAL MOTORS CORP.
Callout Component Name
1 C101
2 Battery
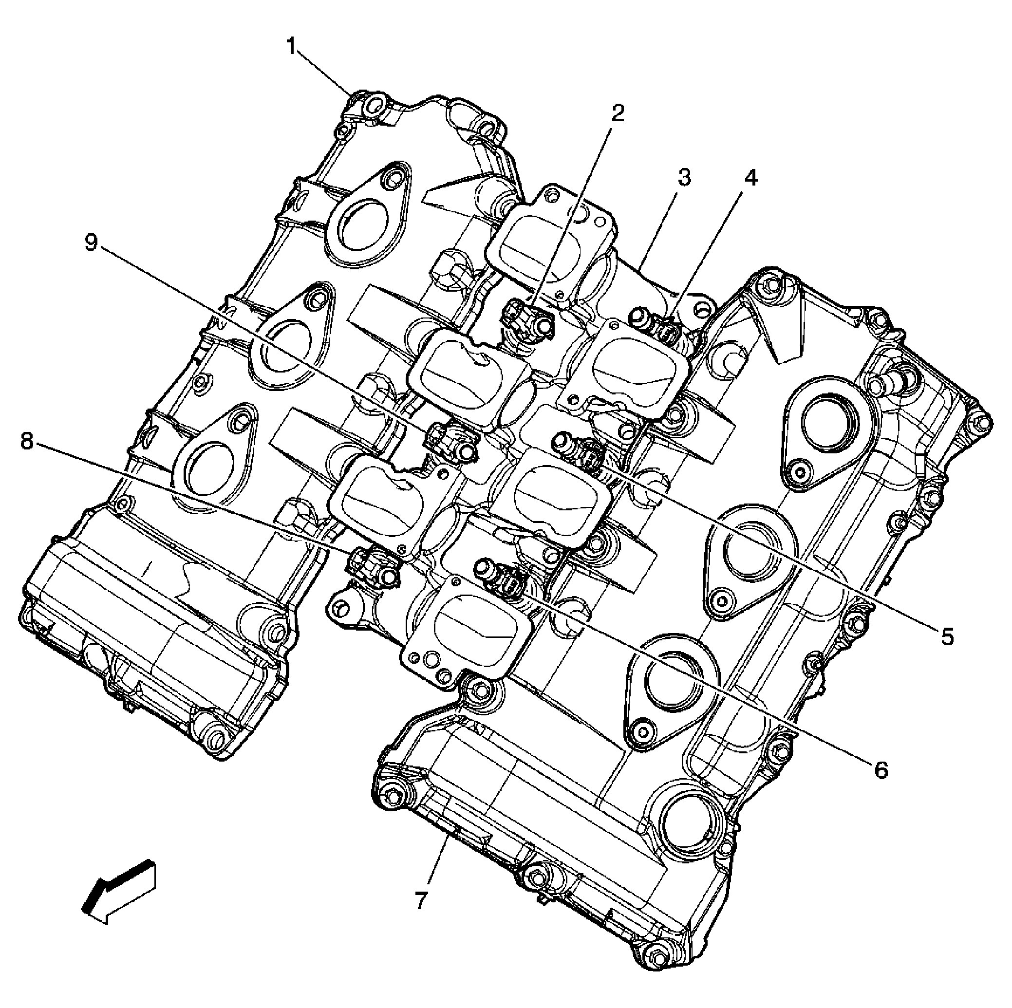
Fig 14: Fuel Injectors
GM1530198Courtesy of GENERAL MOTORS CORP.
Callout Component Name
1 Valve Cover - Right
2 Fuel Injector 5
3 Intake Manifold
4 Fuel Injector 6
5 Fuel Injector 4
6 Fuel Injector 2
7 Valve Cover - Left
8 Fuel Injector 1
9 Fuel Injector 3