lemon-mirror:
Home >> Cadillac >> 2007 >> STS V >> Repair and Diagnosis >> Body & Frame >> Door Locks >> Keyless Entry System And Remote Functions >> Schematic and Routing Diagrams >> Remote Function Schematics

Remote Function Schematics

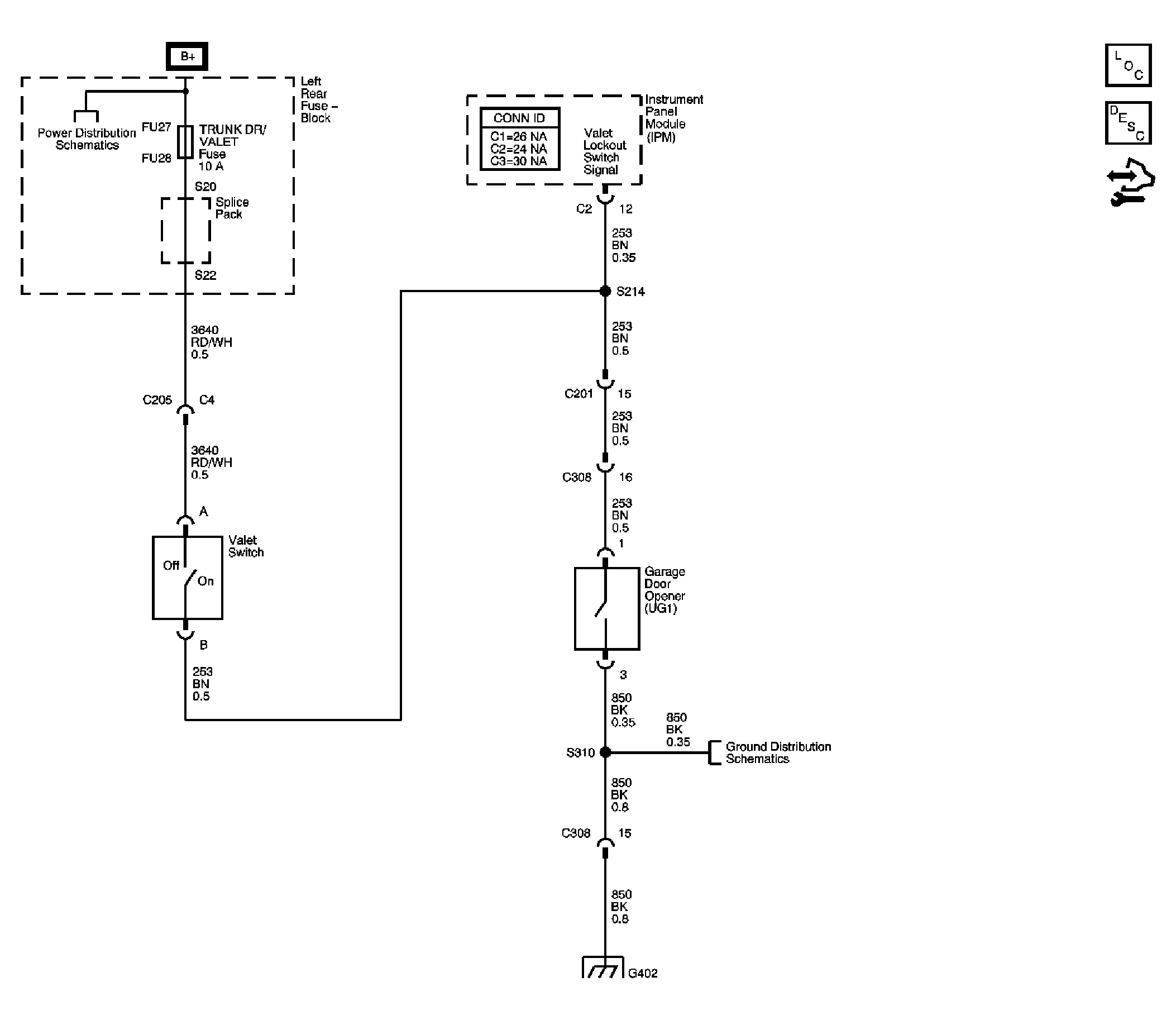
Fig 1: Garage Door Opener Schematic
GM1822880Courtesy of GENERAL MOTORS CORP.
Fig 2: Module Power, Grounds, Antennas and Switches Schematic
GM1822883Courtesy of GENERAL MOTORS CORP.
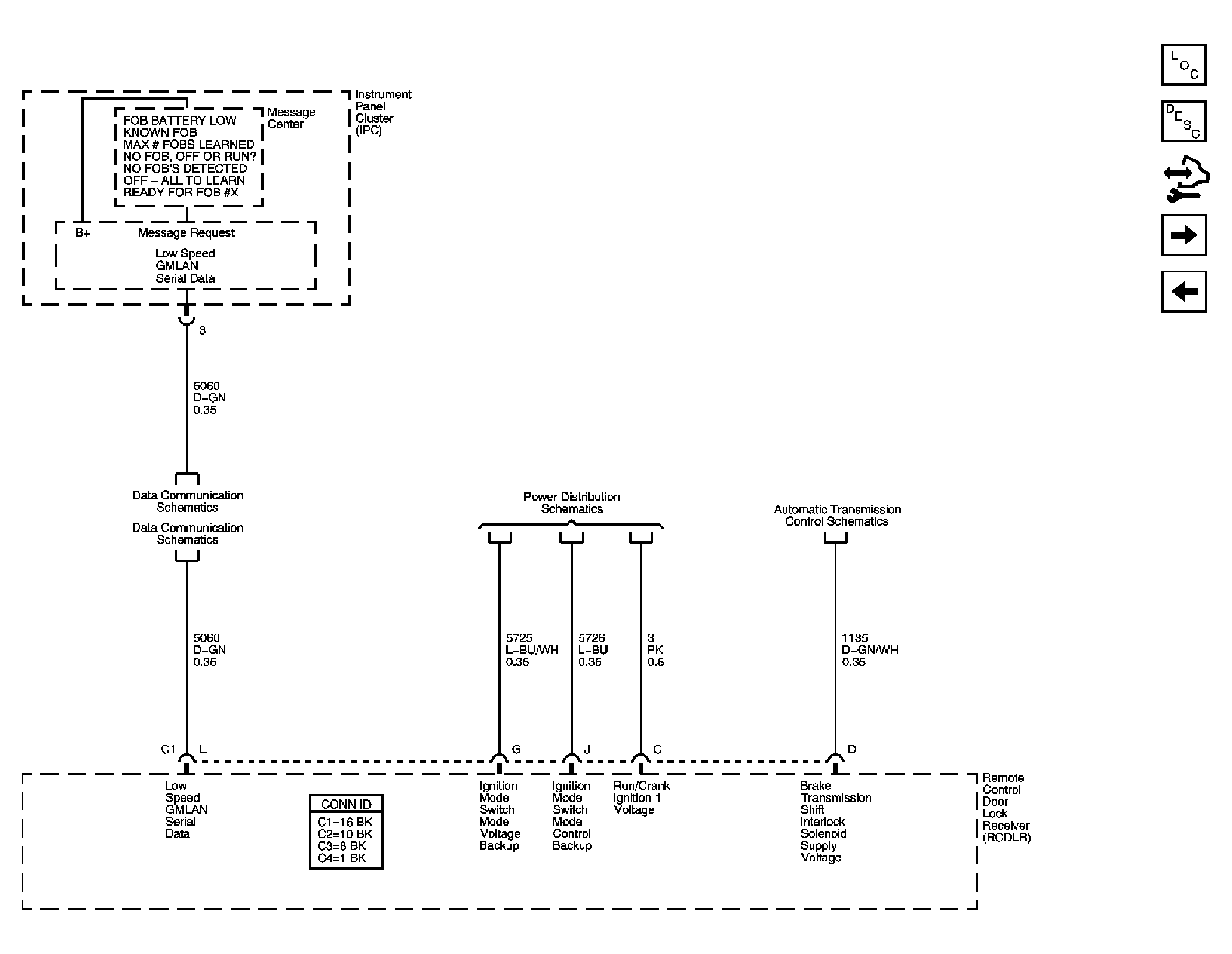
Fig 3: DLC, Instrument Panel Cluster (IPC) Schematic
GM1822886Courtesy of GENERAL MOTORS CORP.
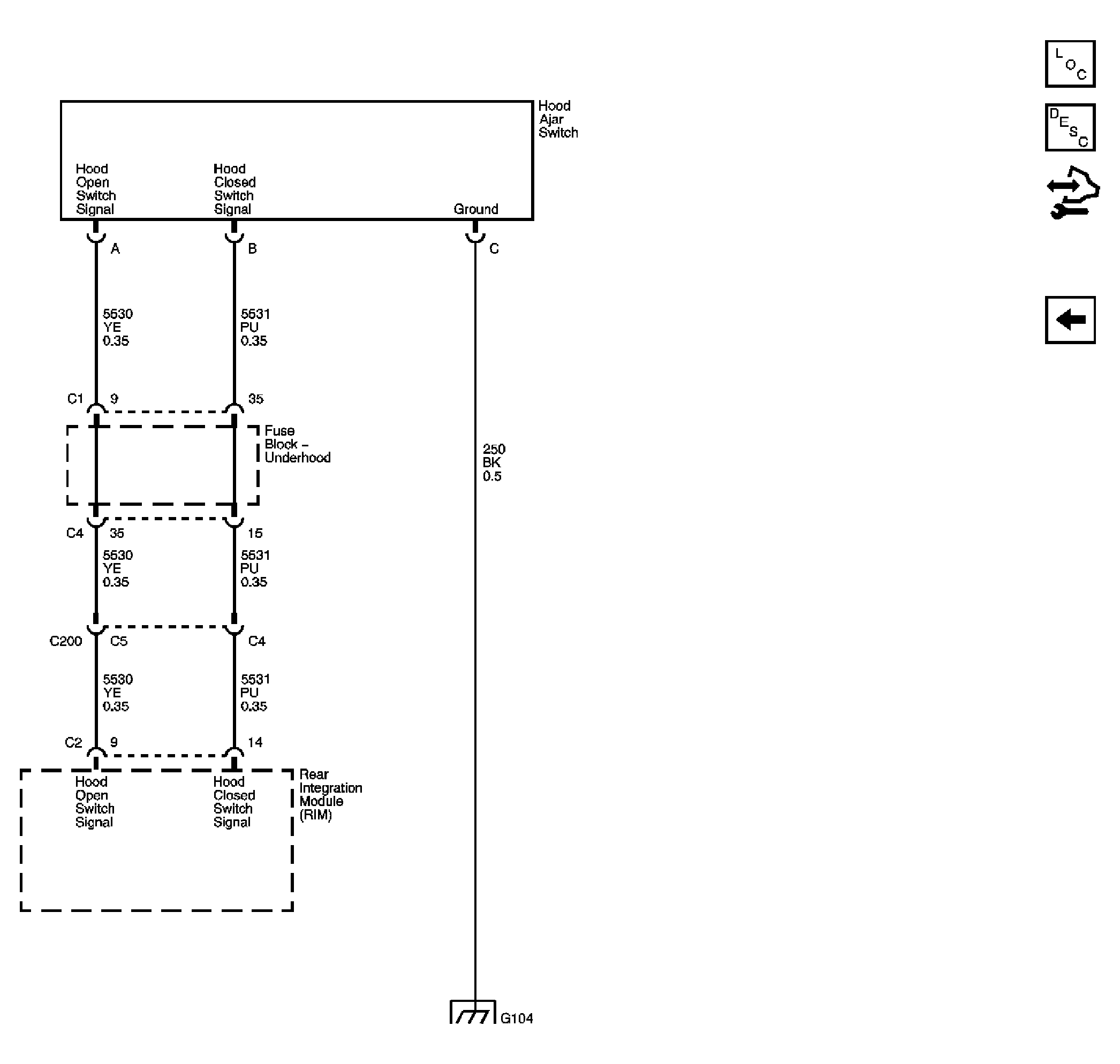
Fig 4: Hood Ajar Switch Schematic
GM1822154Courtesy of GENERAL MOTORS CORP.