lemon-mirror:
Home >> Cadillac >> 2008 >> Escalade EXT >> Repair and Diagnosis >> External Pages >> Different car >> Section 17 (Object Detection System) >> Schematic and Routing Diagrams >> Object Detection Schematics

Object Detection Schematics

WARNING: This page does not describe the selected car, but rather 8 other vehicles, including the 2007 GMC Yukon XL, 2007 GMC Yukon, 2007 Chevrolet Tahoe, 2007 Chevrolet Suburban, and 2007 Chevrolet Avalanche. However, it is still accessible from the selected car via links, so may be relevant.
Fig 1: Object Alarm Module Power, Ground, and Serial Data Schematic
GM1703554Courtesy of GENERAL MOTORS CORP.
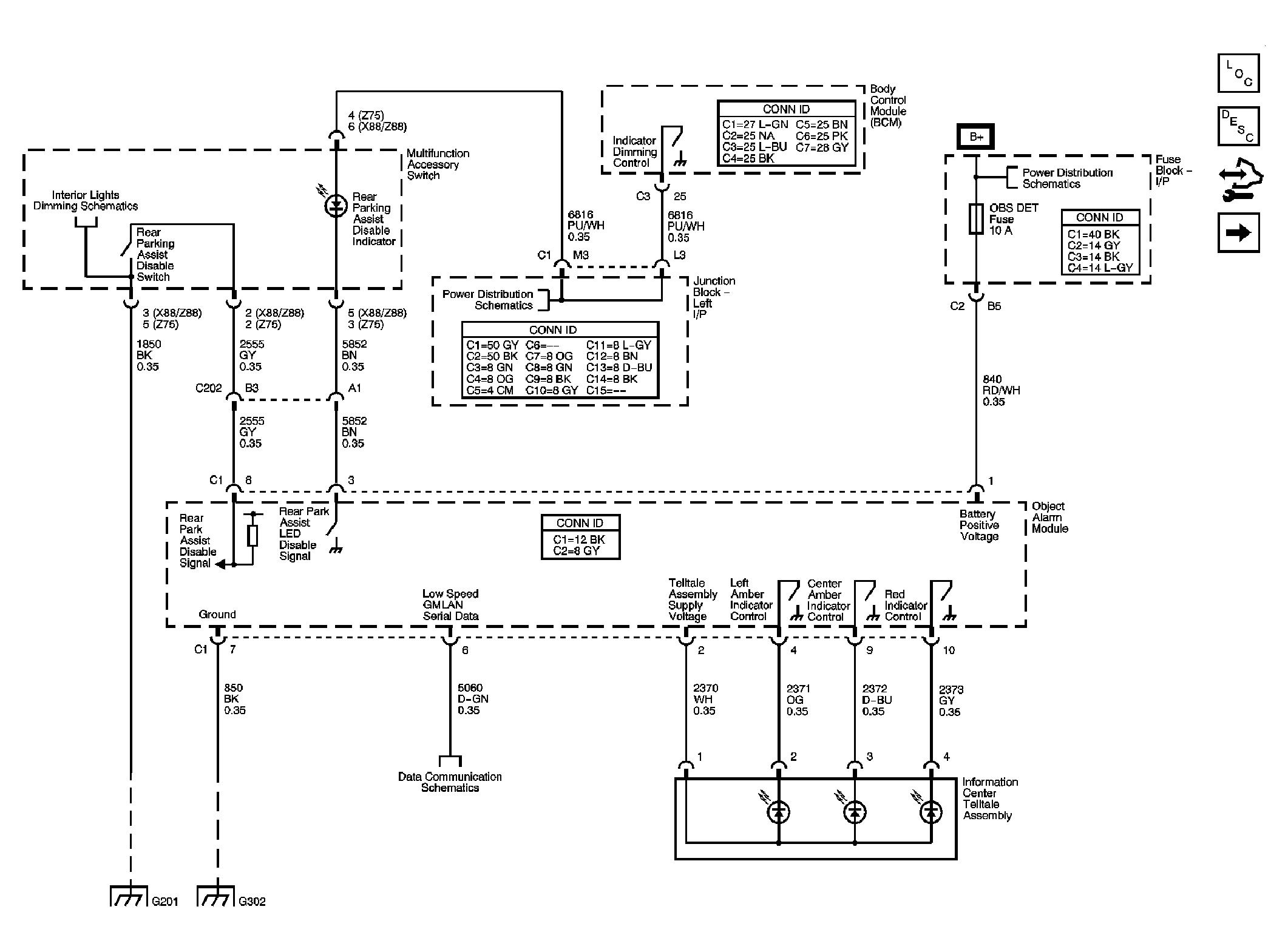
Fig 2: Rear Object Sensors Schematic (UD7)
GM1818897Courtesy of GENERAL MOTORS CORP.
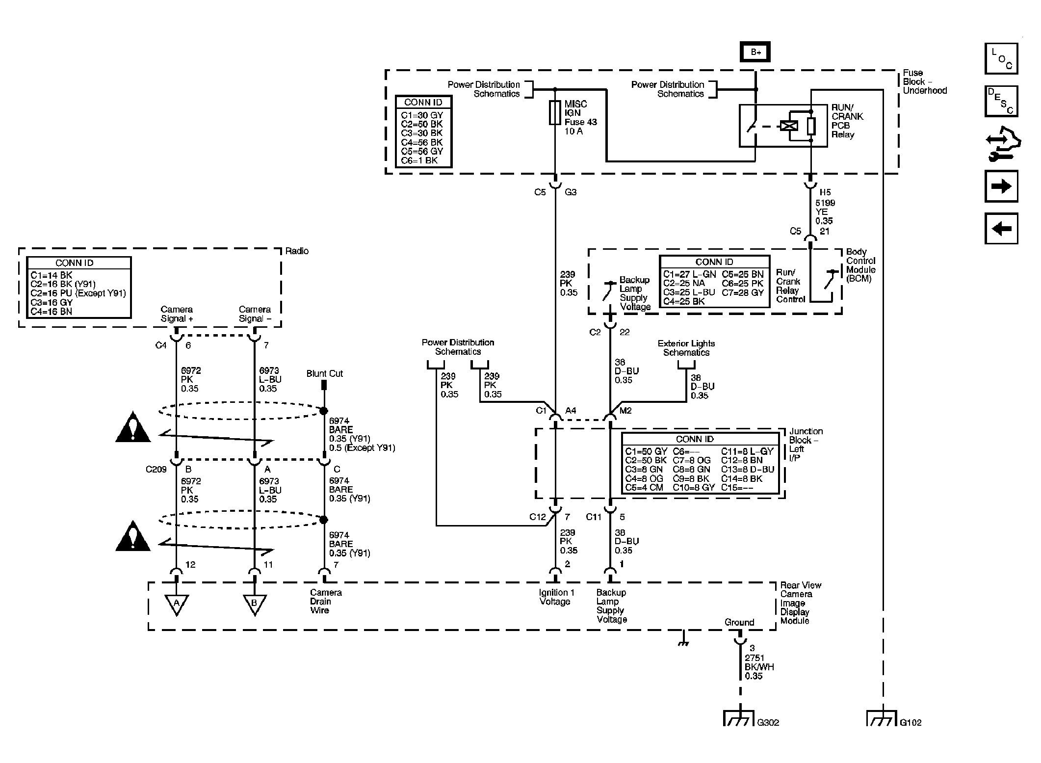
Fig 3: Rear Video Camera Schematic 1 of 2 (UVC)
GM1703560Courtesy of GENERAL MOTORS CORP.
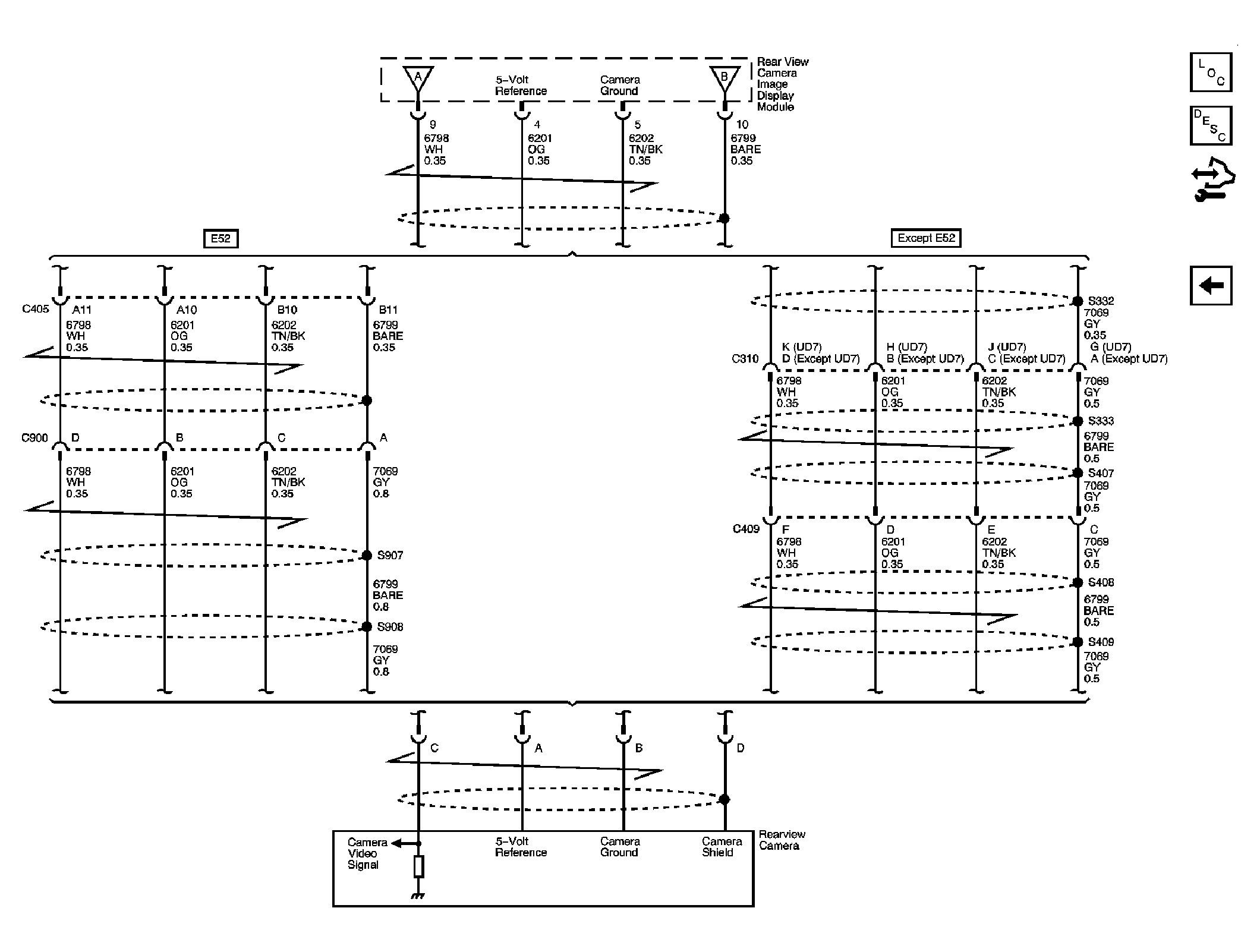
Fig 4: Rear Video Camera 2 of 2 Schematic (UVC)
GM1703563Courtesy of GENERAL MOTORS CORP.