lemon-mirror:
Home >> Cadillac >> 2008 >> STS V >> Repair and Diagnosis >> Engine Performance >> System >> Engine Controls And Fuel - 4.4L - Introduction >> Repair Instructions >> Engine Control Module Replacement >> Removal Procedure

Removal Procedure

  1. Using a scan tool, retrieve the percentage of remaining engine oil and the remaining automatic transmission fluid life. Record the remaining engine oil and the remaining automatic transmission fluid life.
  2. Turn OFF the ignition.
  3. Disconnect the battery negative cable. Refer to Battery Negative Cable Disconnection and Connection .
  4. Fig 1: View Of Front Air Deflector And Push Pin retainers
    GM699902Courtesy of GENERAL MOTORS CORP.
  5. Raise and support the vehicle. Refer to Lifting and Jacking the Vehicle .
  6. Remove the front air deflector. Refer to Front Air Deflector Replacement .
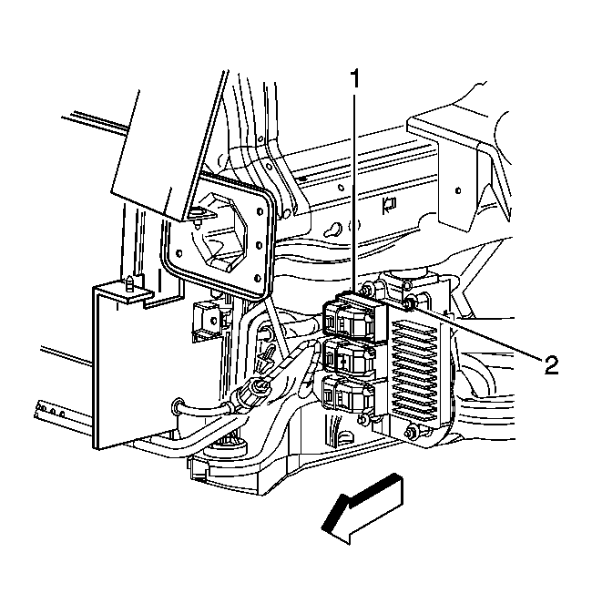
  7. Fig 2: View Of ECM
    GM1269407Courtesy of GENERAL MOTORS CORP.
  8. Disconnect the engine control module (ECM) electrical connectors (1).
  9. Remove the ECM mounting nuts (2).
  10. Remove the ECM from the vehicle.