lemon-mirror:
Home >> Cadillac >> 2008 >> XLR Base >> Repair and Diagnosis >> Electrical >> Body Electrical >> Component Locations >> Instrument Panel/Center Console Component Views

Instrument Panel/Center Console Component Views

Fig 1: Identifying Instrument Panel And Passenger Compartment Components
GM1252421Courtesy of GENERAL MOTORS CORP.
Callout Component Name
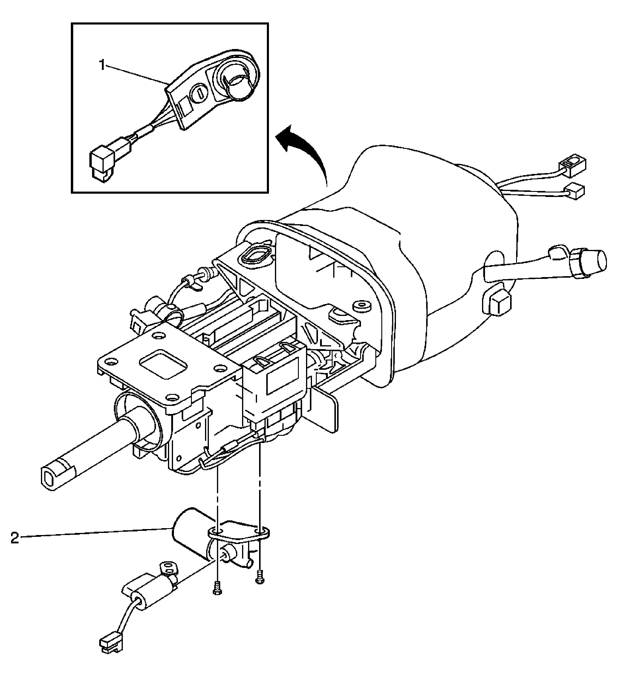
1 Dimmer/Head Up Display (HUD) Switch
2 Turn Signal/Multifunction Switch
3 Inflatable Restraint Steering Wheel Module
4 Instrument Panel Cluster (IPC)
5 Air Temperature Sensor - Inside
6 Windshield Wiper/Washer Switch
7 Driver Information Center (DIC) Switch
8 Hazard Switch
9 CD Changer
10 Valet Switch
11 Inflatable Restraint Instrument Panel Module
12 Inflatable Restraint Instrument Panel Module Disable Switch
13 Instrument Panel Compartment Lamp
14 Radio
15 HVAC Control Module
16 Cigar Lighter
17 Courtesy Lamp Switch - Console
18 Folding Top Switch
19 Inflatable Restraint Instrument Panel Module Disable Switch LED
20 Traction Control Switch
21 Auxiliary Power Outlet
22 Courtesy Lamp - Console
23 Automatic Transmission Shift Lever
24 Ignition Mode Switch
25 Steering Wheel Controls - Right
26 Horn Switch
27 Data Link Connector (DLC)
28 Steering Wheel Controls - Left
Fig 2: Upper I/P Component View
GM1358213Courtesy of GENERAL MOTORS CORP.
Callout Component Name
1 Speaker - Left Front Midrange
2 Speaker - Center
3 Navigation Antenna
4 Speaker - Right Front Midrange
Fig 3: Upper Left Of I/P Component View
GM1358034Courtesy of GENERAL MOTORS CORP.
Callout Component Name
1 Head Up Display
Fig 4: Identifying Sunload Sensor
GM1358222Courtesy of GENERAL MOTORS CORP.
Callout Component Name
1 Sunload Sensor
Fig 5: Behind Left Center Of I/P With Air Temperature Sensor
GM1358218Courtesy of GENERAL MOTORS CORP.
Callout Component Name
1 Air Temperature Sensor - Upper Left
Fig 6: Identifying Air Temperature Actuator Of HVAC Module (Left)
GM1358229Courtesy of GENERAL MOTORS CORP.
Callout Component Name
1 Air Temperature Actuator - Left
Fig 7: Behind Center Of I/P Component View
GM1358215Courtesy of GENERAL MOTORS CORP.
Callout Component Name
1 Inflatable Restraint Sensing and Diagnostic Module (SDM)
2 Yaw and Lateral Accelerometer Sensor
Fig 8: Upper Right Of I/P With Air Temperature Sensor
GM1358220Courtesy of GENERAL MOTORS CORP.
Callout Component Name
1 Air Temperature Sensor - Upper Right
Fig 9: HVAC Module With Air Temperatire Sensors (Lower Left & Lower Right)
GM1358232Courtesy of GENERAL MOTORS CORP.
Callout Component Name
1 Air Temperature Sensor - Lower Left
2 Air Temperature Sensor - Lower Right
Fig 10: Identifying Mode Actuator & Air Temperature Actuator (Right)
GM1358228Courtesy of GENERAL MOTORS CORP.
Callout Component Name
1 Mode Actuator
2 Air Temperature Actuator - Right
Fig 11: Lower Left Of I/P Component View (1 Of 2)
GM1284352Courtesy of GENERAL MOTORS CORP.
Callout Component Name
1 Fuel Door Release Switch
2 Park Brake Pedal Assembly
Fig 12: Lower Left Of I/P Component View (2 Of 2)
GM1258716Courtesy of GENERAL MOTORS CORP.
Callout Component Name
1 Fuel Door Release Switch
2 Rear Compartment Lid Release Switch - Inside
3 Tilt/Telescope Switch
4 Noise Compensation Microphone
Fig 13: Identifying Left Side Of Steering Column Components (1 of 2)
GM1358088Courtesy of GENERAL MOTORS CORP.
Callout Component Name
1 Steering Wheel Theft Deterrent Lock (Export)
2 Tilt Actuator
Fig 14: Identifying Left Side Of Steering Column Components (2 of 2)
GM1358087Courtesy of GENERAL MOTORS CORP.
Callout Component Name
1 Steering Column Lock Control Module (Export)
2 Telescoping Drive Motor
Fig 15: Identifying Steering Wheel Position Sensor
GM1358211Courtesy of GENERAL MOTORS CORP.
Callout Component Name
1 Steering Wheel Position Sensor
Fig 16: Behind Lower Left Of I/P Component View (1 Of 2)
GM1358078Courtesy of GENERAL MOTORS CORP.
Callout Component Name
1 Brake Pedal Position Sensor
2 Brake Pedal Position Sensor Connector
Fig 17: Behind Lower Left Of I/P Component View (2 Of 2)
GM1358051Courtesy of GENERAL MOTORS CORP.
Callout Component Name
1 Acceleration Pedal Position (APP) Sensor
2 Acceleration Pedal
Fig 18: Identifying Recirculation Actuator & Blower Motor Control Processor Of Blower Motor
GM1358230Courtesy of GENERAL MOTORS CORP.
Callout Component Name
1 Recirculation Actuator
2 Blower Motor Control Processor