lemon-mirror:
Home >> Cadillac >> 2009 >> CTS V, Automatic >> Repair and Diagnosis >> Electrical >> Component Locations >> Electrical Component Locator >> Component Location Graphics

Component Location Graphics

NOTE: Figures may show multiple component locations. Refer to appropriate table for proper figure references.
Fig 1: Vehicle Overview (Cellular Communications Components)
G00466502Courtesy of GENERAL MOTORS CORP.
Fig 2: Theft Deterrent Component Views
G00260211Courtesy of GENERAL MOTORS CORP.
Fig 3: Vehicle Overview (Seat Belt Components)
G00260212Courtesy of GENERAL MOTORS CORP.
Fig 4: Manual Transmission
G00260220Courtesy of GENERAL MOTORS CORP.
Fig 5: Automatic Transmission
G00260222Courtesy of GENERAL MOTORS CORP.
Fig 6: Front Of Engine (3.6L SFI)
G00260233Courtesy of GENERAL MOTORS CORP.
Fig 7: Top Of Engine (3.6L SFI)
G00466503Courtesy of GENERAL MOTORS CORP.
Fig 8: View Of HO2S - Bank 1, Sensor 1
GM887896Courtesy of GENERAL MOTORS CORP.
Fig 9: View Of HO2S - Bank 1, Sensor 2
GM1306431Courtesy of GENERAL MOTORS CORP.
Fig 10: View Of HO2S - Bank 2, Sensor 1
GM887892Courtesy of GENERAL MOTORS CORP.
Fig 11: View Of HO2S - Bank 2 Sensor 2
GM785783Courtesy of GENERAL MOTORS CORP.
Fig 12: Cooling Fans
G00359534Courtesy of GENERAL MOTORS CORP.
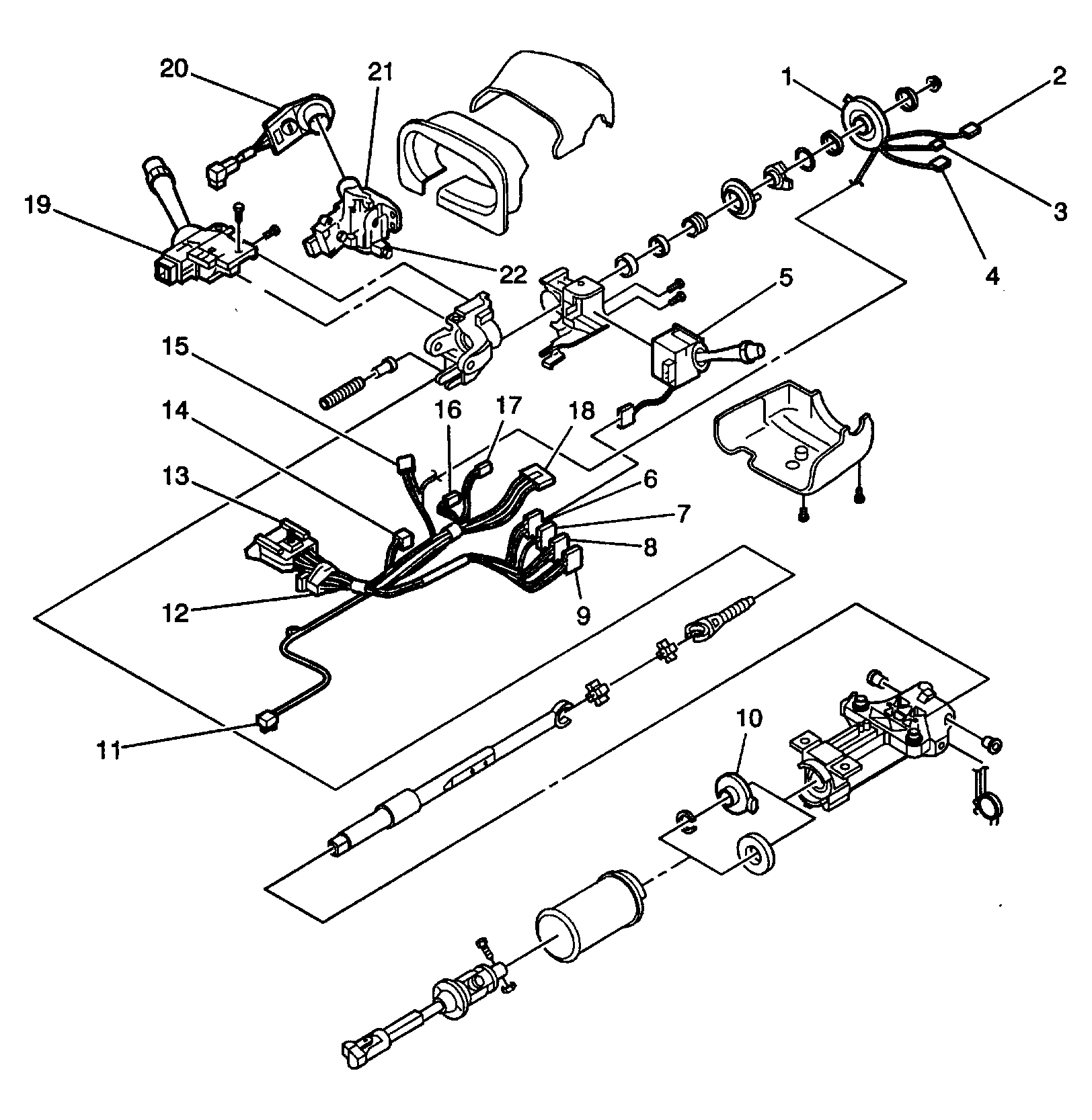
Fig 13: Steering Column Assembly
G00466504Courtesy of GENERAL MOTORS CORP.
Fig 14: Lower Left Side Of Engine Compartment
G00260251Courtesy of GENERAL MOTORS CORP.
Fig 15: Left Kick Panel
G00260253Courtesy of GENERAL MOTORS CORP.
Fig 16: Left Rear Of Engine Compartment
G00260254Courtesy of GENERAL MOTORS CORP.
Fig 17: Under Center Console
G00260258Courtesy of GENERAL MOTORS CORP.
Fig 18: Vehicle Overview (HVAC Components)
G00260262Courtesy of GENERAL MOTORS CORP.
Fig 19: Luggage Compartment
G00260272Courtesy of GENERAL MOTORS CORP.
Fig 20: Steering Column
G00260274Courtesy of GENERAL MOTORS CORP.
Fig 21: Vehicle Overview (Grounds)
G00420563Courtesy of GENERAL MOTORS CORP.
Fig 22: Engine
G00260280Courtesy of GENERAL MOTORS CORP.
Fig 23: Passenger Compartment Grounds
G00260283Courtesy of GENERAL MOTORS CORP.
Fig 24: Under Left Rear Of Vehicle
G00260295Courtesy of GENERAL MOTORS CORP.
Fig 25: Lower Left Side Of Engine Compartment
G00466505Courtesy of GENERAL MOTORS CORP.
Fig 26: Right Kick Panel
G00466506Courtesy of GENERAL MOTORS CORP.
Fig 27: Vehicle Body
G00466507Courtesy of GENERAL MOTORS CORP.
Fig 28: Vehicle Body
G00466508Courtesy of GENERAL MOTORS CORP.
Fig 29: Luggage Compartment
G00456615Courtesy of GENERAL MOTORS CORP.
Fig 30: Right Front Side Of Transmission
G00359550Courtesy of GENERAL MOTORS CORP.
Fig 31: Front Passenger Seat (Driver Similar)
G00359558Courtesy of GENERAL MOTORS CORP.
Fig 32: Windshield Washer System Components
G00359554Courtesy of GENERAL MOTORS CORP.
Fig 33: Lower Left Side Of Engine
G00420564Courtesy of GENERAL MOTORS CORP.
Fig 34: Digital Radio Subsystem Components
G00440492Courtesy of GENERAL MOTORS CORP.
Fig 35: Fuel Tank
G00440496Courtesy of GENERAL MOTORS CORP.
Fig 36: Transmission
G00440497Courtesy of GENERAL MOTORS CORP.
Fig 37: Right Rear Of Transmission
G00440500Courtesy of GENERAL MOTORS CORP.
Fig 38: Shift Lock Control Components
G00440501Courtesy of GENERAL MOTORS CORP.
Fig 39: Floor Console
G00440504Courtesy of GENERAL MOTORS CORP.
Fig 40: Under Left Side Of Dash
G00440505Courtesy of GENERAL MOTORS CORP.
Fig 41: EBCM & Wheel Speed Sensors
G00440513Courtesy of GENERAL MOTORS CORP.
Fig 42: Body Control System
G00440516Courtesy of GENERAL MOTORS CORP.
Fig 43: Dash
G00440517Courtesy of GENERAL MOTORS CORP.
Fig 44: Door Lock System Components
G00456616Courtesy of GENERAL MOTORS CORP.
Fig 45: Door Control Module Components
G00456617Courtesy of GENERAL MOTORS CORP.
Fig 46: Top Of Engine
G00466470Courtesy of GENERAL MOTORS CORP.
Fig 47: Engine
G00440529Courtesy of GENERAL MOTORS CORP.
Fig 48: Front Seats
G00440533Courtesy of GENERAL MOTORS CORP.
Fig 49: Left Rear Of Engine Compartment
G00440553Courtesy of GENERAL MOTORS CORP.
Fig 50: Vehicle Overview (SIR Sensors)
G00440566Courtesy of GENERAL MOTORS CORP.
Fig 51: Vehicle Overview (SIR Modules) (1 Of 2)
G00440567Courtesy of GENERAL MOTORS CORP.
Fig 52: Vehicle Overview (SIR Modules) (2 Of 2)
G00440568Courtesy of GENERAL MOTORS CORP.
Fig 53: Front Seats
G00440569Courtesy of GENERAL MOTORS CORP.
Fig 54: Front Seats
G00440571Courtesy of GENERAL MOTORS CORP.
Fig 55: Under Driver's Seat
G00440572Courtesy of GENERAL MOTORS CORP.
Fig 56: Sunroof
G00440573Courtesy of GENERAL MOTORS CORP.
Fig 57: Dash
G00440575Courtesy of GENERAL MOTORS CORP.
Fig 58: Right Rear Door (Left Rear Similar)
G00440576Courtesy of GENERAL MOTORS CORP.
Fig 59: Passenger Front Door
G00440577Courtesy of GENERAL MOTORS CORP.
Fig 60: Rear Of Engine Compartment
G00440579Courtesy of GENERAL MOTORS CORP.
Fig 61: Rear Of Vehicle
G00456618Courtesy of GENERAL MOTORS CORP.
Fig 62: Under Rear Of Vehicle
G00456619Courtesy of GENERAL MOTORS CORP.
Fig 63: Left Rear Of Engine Compartment
G00456566Courtesy of GENERAL MOTORS CORP.
Fig 64: Rear Shelf & Roof
G00456567Courtesy of GENERAL MOTORS CORP.
Fig 65: Vehicle Overview
G00466462Courtesy of GENERAL MOTORS CORP.
Fig 66: HVAC Module Components
G00466463Courtesy of GENERAL MOTORS CORP.
Fig 67: Floor Console
G00466464Courtesy of GENERAL MOTORS CORP.
Fig 68: Left Side Of Luggage Compartment
G00466465Courtesy of GENERAL MOTORS CORP.
Fig 69: Right Side Of Luggage Compartment
G00466466Courtesy of GENERAL MOTORS CORP.
Fig 70: Rear Fascia
G00466467Courtesy of GENERAL MOTORS CORP.
Fig 71: Left Side Of Engine
G00466468Courtesy of GENERAL MOTORS CORP.
Fig 72: Right Side Of Engine
G00466469Courtesy of GENERAL MOTORS CORP.
Fig 73: Driver's Door
G00466471Courtesy of GENERAL MOTORS CORP.
Fig 74: Front Passenger's Door
G00466472Courtesy of GENERAL MOTORS CORP.
Fig 75: Left Rear Door
G00466473Courtesy of GENERAL MOTORS CORP.
Fig 76: Right Rear Door
G00466474Courtesy of GENERAL MOTORS CORP.
Fig 77: Front Of Engine Compartment
G00466476Courtesy of GENERAL MOTORS CORP.
Fig 78: Front Fascia
G00466477Courtesy of GENERAL MOTORS CORP.
Fig 79: Right Side Of Engine Compartment
G00466478Courtesy of GENERAL MOTORS CORP.
Fig 80: Right Front Of Engine Compartment
G00466479Courtesy of GENERAL MOTORS CORP.
Fig 81: Top Of Engine
G00466480Courtesy of GENERAL MOTORS CORP.
Fig 82: Top Of Engine
G00466481Courtesy of GENERAL MOTORS CORP.
Fig 83: Right Side Of Engine
G00466482Courtesy of GENERAL MOTORS CORP.
Fig 84: Vehicle Overview
G00466483Courtesy of GENERAL MOTORS CORP.
Fig 85: Behind Dash
G00466484Courtesy of GENERAL MOTORS CORP.
Fig 86: Behind Dash
G00466485Courtesy of GENERAL MOTORS CORP.
Fig 87: Under Floor Console
G00466486Courtesy of GENERAL MOTORS CORP.
Fig 88: Floor Console
G00466487Courtesy of GENERAL MOTORS CORP.
Fig 89: Steering Column
G00466488Courtesy of GENERAL MOTORS CORP.
Fig 90: Driver Side Floor
G00466489Courtesy of GENERAL MOTORS CORP.
Fig 91: Left Rear Floor & Underbody
G00466490Courtesy of GENERAL MOTORS CORP.
Fig 92: Right Front Floor
G00466491Courtesy of GENERAL MOTORS CORP.
Fig 93: Right Rear Of Vehicle
G00466492Courtesy of GENERAL MOTORS CORP.
Fig 94: Left "B" & "C" Pillars
G00466493Courtesy of GENERAL MOTORS CORP.
Fig 95: Right Side Of Vehicle
G00466494Courtesy of GENERAL MOTORS CORP.
Fig 96: Headliner
G00466495Courtesy of GENERAL MOTORS CORP.
Fig 97: Front Seats
G00466496Courtesy of GENERAL MOTORS CORP.
Fig 98: Left Front/Rear Doors
G00466497Courtesy of GENERAL MOTORS CORP.
Fig 99: Right Front/Rear Doors
G00466498Courtesy of GENERAL MOTORS CORP.
Fig 100: Rear Fascia
G00466499Courtesy of GENERAL MOTORS CORP.
Fig 101: Underhood Fuse Block
G00466500Courtesy of GENERAL MOTORS CORP.
Fig 102: Rear Fuse Block
G00466501Courtesy of GENERAL MOTORS CORP.